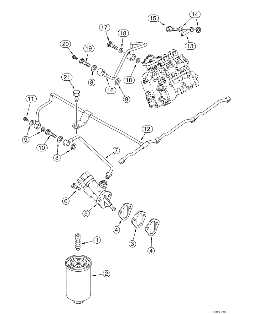
Запчасти Case 580SM (03-04) - FUEL FILTER - 4T-390 EMISSIONS CERTIFIED ENGINE (03) - FUEL SYSTEM

Схема запчастей Case 580SM - (03-04) - FUEL FILTER - 4T-390 EMISSIONS CERTIFIED ENGINE (03) - FUEL SYSTEM
8
17
12
7
14
9
21
4
16
8
3
20
5
10
18
13
19
2
15
4
11
18
8
1
6
FIT
1:1
100%

Артикул

Название

Примечание

Количество

1

J925955

ADAPTER,M16 x 1.5 x M16 x 1.5

Mounts To Cylinder Head Cover

1шт.

2

J286503

FUEL FILTER

Fuel; Replaces J931062

1шт.

3

J914284

SPACER

1шт.

4

J939258

GASKET,1.21mm Thk

Replaces J931059

2шт.

5

87473337

FUEL PUMP

Replaces J933254, J936318, 87648717

1шт.

6

845-8025

BOLT,Hex Flg, M8 x 25mm, Cl 8.8

2шт.

7

J917280

FUEL TUBE,8 mm OD x 231 mm L

1шт.

8

87415913

SEALING WASHER,11.71mm ID x 19.3mm OD x 1.27mm Thk

12 x 19 x 1,5 mm, Replaces J935171

4шт.

9

J918188

WASHER,7.8mm ID x 13.5mm OD x 1.2mm Thk

2шт.

10

J916361

BANJO BOLT

M12 x 24

1шт.

11

J924726

BANJO BOLT

1шт.

12

J927633

TUBE

1шт.

13

J944869

HYD CONNECTOR

1шт.

14

J918192

PACKING RING,14mm ID x 20mm OD x 1mm Thk

14 x 20 x 1 mm

2шт.

15

87409051

VALVE

Replaces J932096

1шт.

16

J936348

FUEL TUBE,8 mm OD x 232.2, 46.1 mm L

Replaces J935023

1шт.

17

J924725

BANJO BOLT,M14 x 1.5 x 26mm

1шт.

18

J918192

PACKING RING,14mm ID x 20mm OD x 1mm Thk

14 x 20 x 1 mm

2шт.

J905860

BANJO BOLT

Incl. 19, 20

1шт.

19

J911446

BANJO BOLT,M12 x 1.5 x 24mm

1шт.

20

J939570

BLEED SCREW,Hex, M6 x 1 x 10mm, Cl 8.8

Replaces J905403

1шт.

21

844-8025

BOLT,Hvy Hex, M8 x 25mm, Cl 8.8

1шт.

Выбрано товаров: 22