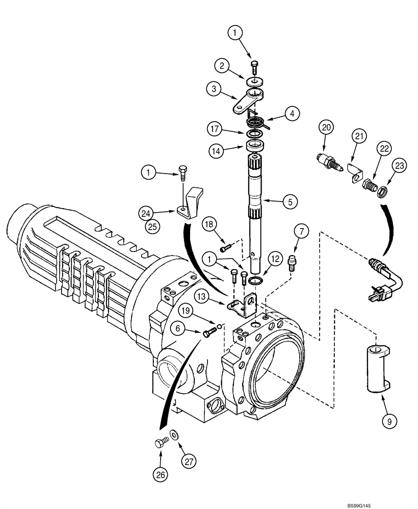
Запчасти Case 580SM (07-02) - AXLE, REAR DRIVE - BRAKE, PARKING (07) - BRAKES
№
Артикул
Название
Примечание
Количество
384956A1
AXLE, REAR
AXLE REAR 580SM Models Without Powershift Transmission, Incl. Ref 1 - 27; Also Includes Parts On Figures 06-40 - 06-46, 07-01, 07-02
1шт.
384956A1R
REMAN-REAR AXLE
REMANUFACTURED - Axle Rear, w/o Powershift Transmission
1шт.
86984108
DRIVE AXLE
580SM+ Models Without Powershift Transmission, Incl. Ref 1 - 27; Also Includes Parts On Figures 06-40 - 06-46, 07-01, 07-02
1шт.
384958A1
AXLE, REAR
AXLE REAR 580SM Models With Powershift Transmission, Incl. Ref 1 - 27; Also Includes Parts On Figures 06-40 - 06-46, 07-01, 07-02
1шт.
384958A1R
REMAN-REAR AXLE
Rear, w/Powershift Transmission; Reman for new PN 384958A1
1шт.
86984107
DRIVE AXLE
580SM+ Models With Powershift Transmission, Incl. Ref 1 - 27; Also Includes Parts On Figures 06-40 - 06-46, 07-01, 07-02
1шт.
279645A1
PACKAGE, REPAIR
Parking Brake, External Adjustment Parts, Incl. Ref 1, 12 - 17, 281952A1, 20 - 23, 24 - 27, Includes Instructions, If Used
1шт.
Выбрано товаров: 0