Запчасти Case 580SM (09-69) - CANOPY, ROPS - WIPER, FRONT AND WINDSHIELD WASHER (09) - CHASSIS/ATTACHMENTS

Схема запчастей Case 580SM - (09-69) - CANOPY, ROPS - WIPER, FRONT AND WINDSHIELD WASHER (09) - CHASSIS/ATTACHMENTS
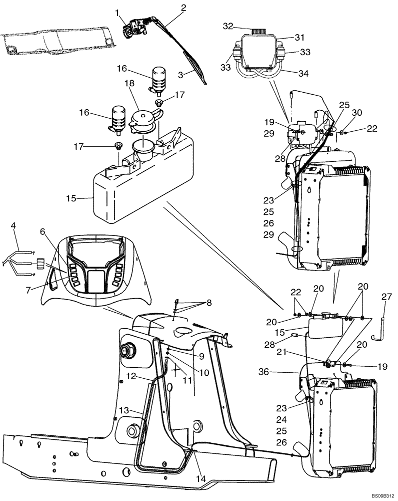
33
16
8
27
18
20
29
14
23
20
1
20
20
19
26
26
12
16
22
6
2
25
23
28
17
31
33
11
30
34
17
24
10
21
29
13
28
3
19
22
25
36
7
32
9
15
15
25
4
FIT
1:1
100%

Артикул

Название

Примечание

Количество

1

450037A1

WIPER MOTOR

MOTOR, WIPER 12V

1шт.

814-6050

BOLT,Hex, M6 x 1 x 50mm, Cl 8.8

Wiper Motor Mounting

2шт.

892-11006

LOCK WASHER,M6

2шт.

2

D128745

WIPER ARM

ARM, WIPER

1шт.

3

414426A1

WIPER BLADE

BLADE, WIPER 600 mm

1шт.

404617A1

WIRE HARNESS

Front Lamps and Wiper

1шт.

4

87537153

WIRE HARNESS

Front Console Options; Includes (1) L71879 Diode; Replaces 87433546

1шт.

5

87537152

WIRE HARNESS

Chassis Options; Includes (4) L71879 Diodes; Replaces 87436675

1шт.

6

386785A1

WINDSHIELD WIPER SWI

Front

1шт.

7

386787A1

WINDSHIELD WASHER SW

1шт.

8

284154A1

NOZZLE,3/8" - 16

Includes A Steel and Rubber Washer Which Are Not Serviced Separately; Brass; If Used

1шт.

8

E43769

SPRAY

NOZZLE; Front; Includes Rubber Gasket; Plastic; If Used

1шт.

9

492-11038

LOCK WASHER,3/8"

If Used

1шт.

10

425-106

NUT,3/8"-16, Cl 5

If Used

1шт.

11

87444176

HOSE CLIP

If Used

1шт.

12

87428316

HOSE, BULK

HOSE, METERS 3150 mm (124-1/64 in); Cut From 1968141CX

1шт.

13

386718A3

GUARD

1630 mm (64-3/16 in); Cut From 397155A2

1шт.

14

L18337

CABLE TIE,9.95"-12.1" lg

CABLE STRAP

6шт.

E46560

RESERVOIR

Windshield Washer; Incl. Ref 15 - 18; If Used

1шт.

15

NSS

NOT SOLD SEPARAT

Reservoir

1шт.

16

E47238

PUMP,12V

12 Volt

2шт.

17

E47239

SEAL,6.5mm ID x 12mm OD x 10mm L

, Serial Range: Pump-Reservoir

2шт.

18

E47240

PLUG

Cap

1шт.

19

614-8030

BOLT,Hex, M8 x 1.25 x 30mm, Cl 8.8, Full Thd

2шт.

20

496-41041

WASHER,13/32" x 1 1/8" x .134"

7шт.

21

D147383

CLIP,5/8" J

J-Clamp, 5/8

1шт.

22

832-10408

NUT,M8 x 1.25, Cl 8.8

2шт.

23

614-8016

BOLT,Hex, M8 x 1.25 x 16mm, Cl 8.8, Full Thd

1шт.

24

895-11008

WASHER,9mm ID x 16mm OD x 1.6mm Thk

1шт.

25

D147383

CLIP,5/8" J

J-Clamp, 5/8

1шт.

26

829-1408

NUT,Hex, M8 x 1.25, Cl 10.9

1шт.

27

87442924

BRACE

Used With E46560 Reservoir; If Used

1шт.

28

87441758

CAP

PLUG, Unused Pump Port

1шт.

29

896-11008

WASHER,9mm ID x 17mm OD x 2mm Thk

3шт.

30

496-41041

WASHER,13/32" x 1 1/8" x .134"

4шт.

87448685

WINDSHIELD WASHER

RESERVOIR; Incl. Ref 31 - 35; If Used

1шт.

31

87449514

RESERVOIR, WINDSHIEL

2 Quart

1шт.

32

86507190

CAP

1шт.

33

86507198

PUMP,Windshield Washer

Component Parts Not Serviced Separately

2шт.

34

87449517

HOSE, BULK

HOSE, METERS 203 mm (8 in)

1шт.

35

L18337

CABLE TIE,9.95"-12.1" lg

CABLE STRAP Not Illustrated

1шт.

36

87448489

BRACKET

Replaces 87417223

1шт.

Выбрано товаров: 42