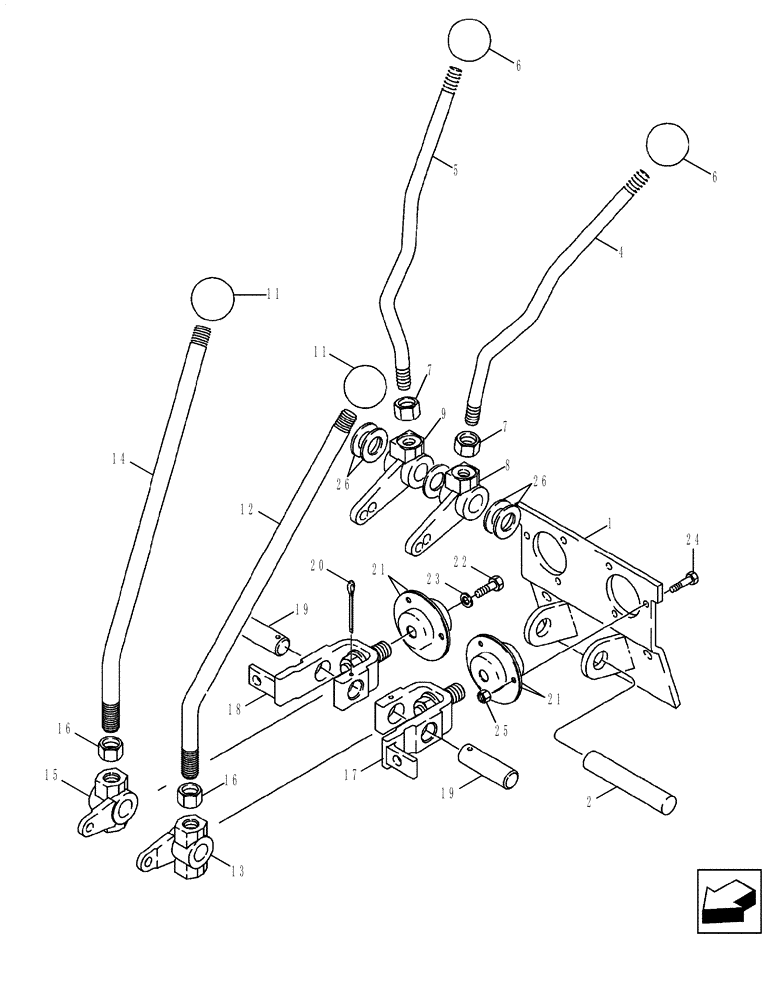
Запчасти Case 580SM (35.726.30[01]) - CONTROLS - BACKHOE, WITH HAND SWING (MODELS WITH OR WITHOUT EXTENDABLE DIPPER) (35) - HYDRAULIC SYSTEMS

Схема запчастей Case 580SM - (35.726.30[01]) - CONTROLS - BACKHOE, WITH HAND SWING (MODELS WITH OR WITHOUT EXTENDABLE DIPPER) (35) - HYDRAULIC SYSTEMS
24
26
6
13
19
9
19
6
4
21
26
5
8
14
15
7
7
20
17
25
2
1
16
18
23
11
22
12
21
11
16
FIT
1:1
100%

Артикул

Название

Примечание

Количество

REF

INSTRUCTION

Upper Control Levers

1шт.

1

108864A1

SUPPORT

1шт.

2

D148947

PIN,19.09mm OD x 179mm L

Stabilizer

1шт.

4

409672A1

LEVER

Left-Hand Stabilizer, Serial Range: -N8C504744

1шт.

87308276

CONTROL LEVER

Left-Hand Stabilizer; Improved Clearance (Not Shown), Start Serial: N8C504745

1шт.

5

409673A1

LEVER

Right-Hand Stabilizer, Serial Range: -N8C504744

1шт.

87308277

CONTROL LEVER

Right-Hand Stabilizer; Improved Clearance (Not Shown), Start Serial: N8C504745

1шт.

6

D59912

KNOB

Stabilizer

2шт.

7

425-118

NUT,1/2"-20, G5

2шт.

8

108924A1

LEVER

1шт.

9

108923A1

LEVER

1шт.

10

495-11081

WASHER,3/4", SAE

1шт.

11

D39118

KNOB

2шт.

12

125113A1

LEVER

Boom and Swing, Serial Range: -N8C504744

1шт.

87308274

CONTROL LEVER

Boom and Swing; Improved Clearance (Not Shown), Start Serial: N8C504745

1шт.

13

106989A1

LEVER

Left-Hand Boom and Swing Lever

1шт.

14

125113A1

LEVER

Bucket and Dipper, Serial Range: -N8C504744

1шт.

87308275

CONTROL LEVER

Bucket and Dipper; Improved Clearance (Not Shown), Start Serial: N8C504745

1шт.

15

106990A1

LEVER

Right-Hand Bucket and Dipper Lever

1шт.

16

425-1110

NUT,5/8"-18, G5

2шт.

17

178006A1

LEVER

Boom and Swing

1шт.

18

178004A1

LEVER

Bucket and Dipper

1шт.

19

102765A1

PIN,19.5mm OD x 63mm L

Bellcrank

2шт.

20

432-828

COTTER PIN,1/8" x 1 3/4"

2шт.

21

112380A1

BEARING ASSY

4шт.

22

614-6016

BOLT,Hex, M6 x 1 x 16mm, Cl 8.8, Full Thd

2шт.

23

396-41028

WASHER,.281" x 7/8" x .098", HDN

2шт.

24

614-6020

BOLT,Hex, M6 x 1 x 20mm, Cl 8.8, Full Thd

6шт.

25

829-1406

NUT,Hex, M6 x 1, Cl 10.9

6шт.

26

A30881

SEALING WASHER,19.45mm ID x 31.35mm OD

49/64 x 1-15/64 x 1/32

1шт.

Выбрано товаров: 30