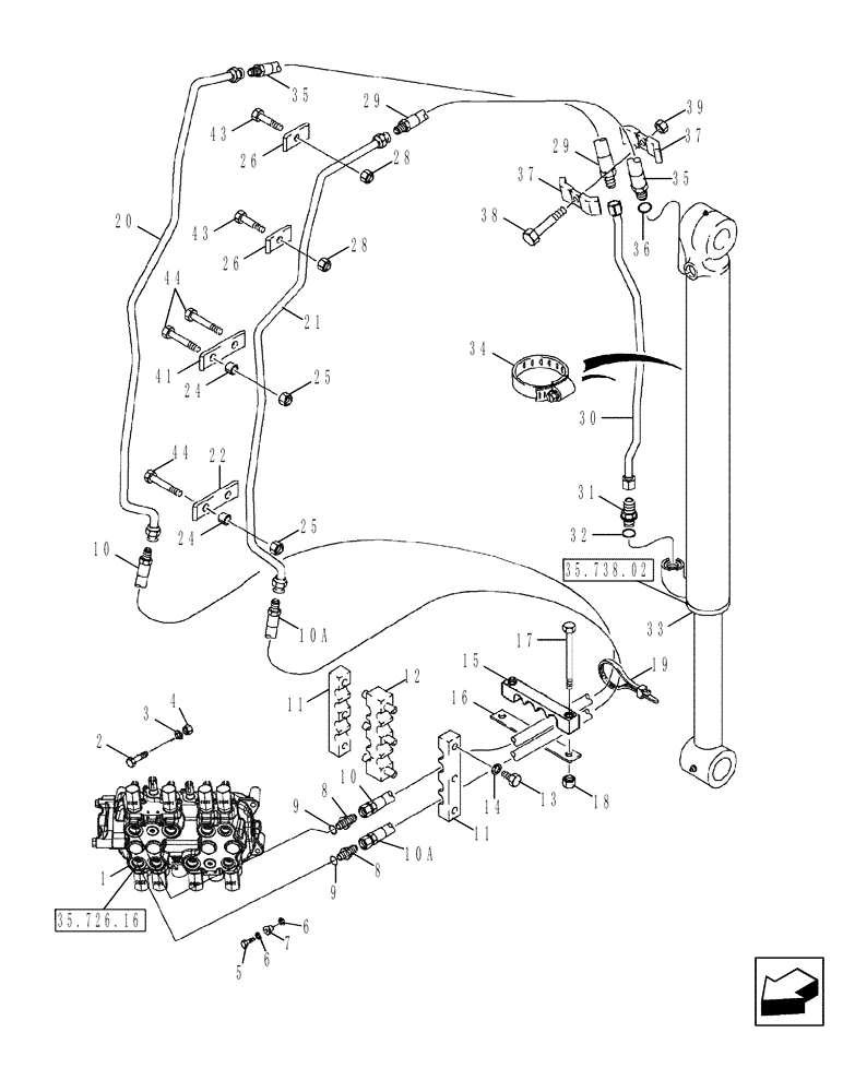
Запчасти Case 580SM (35.738.02[01]) - HYDRAULICS - CYLINDER, BACKHOE BUCKET (MODELS WITHOUT EXTENDABLE DIPPER) (35) - HYDRAULIC SYSTEMS

Схема запчастей Case 580SM - (35.738.02[01]) - HYDRAULICS - CYLINDER, BACKHOE BUCKET (MODELS WITHOUT EXTENDABLE DIPPER) (35) - HYDRAULIC SYSTEMS
3
10a
44
34
9
1
29
25
32
36
20
10
31
-
33
24
21
-
2
10a
44
37
41
37
18
14
29
8
22
11
35.738.02
35.726.16
43
26
11
30
6
15
24
13
38
17
7
39
12
4
9
6
19
43
28
28
5
16
35
10
35
26
25
8
FIT
1:1
100%

Артикул

Название

Примечание

Количество

1

REF

INSTRUCTION

VALVE ASSY Control; Backhoe Control Valve

1шт.

2

814-10080

BOLT,Hex, M10 x 1.5 x 80mm, Cl 8.8

2шт.

3

896-11010

WASHER,11mm ID x 21mm OD x 2.5mm Thk

2шт.

4

829-1410

NUT,M10 x 1.5, Cl 10.9

2шт.

5

614-10035

BOLT,Hex, M10 x 1.5 x 35mm, Cl 8.8, Full Thd

1шт.

6

496-41041

WASHER,13/32" x 1 1/8" x .134"

2шт.

7

D52276

ISOLATOR,10.16mm ID x 28.07mm OD x mm L

1шт.

8

218-5064

HYD CONNECTOR,1-1/16" - 12 Male JIC x 1-1/16" - 12 Male ORB

Incl. Ref. 9

2шт.

9

237-6012

O-RING,0.116" Thk x 0.924" ID, -912, Cl 6, 90 Duro

Boss Seal

1шт.

10

393380A1

HYDRAULIC HOSE,15.88mm ID x 1295mm L

1295 mm (51 in)

1шт.

10a

393380A1

HYDRAULIC HOSE,15.88mm ID x 1295mm L

1295 mm (51 in)

1шт.

11

143439A1

CLAMP

2шт.

12

176226A1

CLAMP

1шт.

13

614-8025

BOLT,Hex, M8 x 1.25 x 25mm, Cl 8.8, Full Thd

6шт.

14

892-11008

LOCK WASHER,8mm ID

6шт.

15

87337880

HOSE CLAMP

1шт.

16

132212A1

PLATE

1шт.

17

814-12100

BOLT,Hex, M12 x 1.75 x 100mm, Cl 8.8

2шт.

18

832-10412

NUT,M12 x 1.75, Cl 8

2шт.

19

L18337

CABLE TIE,9.95"-12.1" lg

CABLE STRAP 15 in

1шт.

20

141806A1

TUBE,19.05 mm OD, 1624, 103 mm Length

(Tube)

1шт.

21

141801A1

TUBE,19.05 mm OD, 1624, 116 mm Length

(Tube)

1шт.

22

133605A1

CLAMP

2шт.

24

132930A1

SPACER

8шт.

25

832-10412

NUT,M12 x 1.75, Cl 8

8шт.

26

133604A1

CLAMP

4шт.

27

814-12060

BOLT,Hex, M12 x 1.75 x 60mm, Cl 8.8

4шт.

28

832-10412

NUT,M12 x 1.75, Cl 8

4шт.

29

87307636

HYDRAULIC HOSE

691 mm (27-1/4 in)

1шт.

30

396634A1

TUBE,19.05 mm OD

Models Without Backhoe Auxiliary Hydraulics

1шт.

30

314772A1

RIGID TUBE

Models with Backhoe Auxiliary Hydraulics

1шт.

31

218-5064

HYD CONNECTOR,1-1/16" - 12 Male JIC x 1-1/16" - 12 Male ORB

Incl. Ref 32

1шт.

32

237-6012

O-RING,0.116" Thk x 0.924" ID, -912, Cl 6, 90 Duro

Boss Seal

1шт.

33

235916A1

HYDRAULIC CYLINDER,Double Acting, 63.5mm Rod, 871.7mm Stroke

80 ID x 872 mm strk; Bucket Cylinder

1шт.

33

235916A1R

REMAN-HYD CYLINDER

Reman New PN 235916A1

1шт.

33

235916A1C

CORE-HYD CYLINDER

Return Number

1шт.

34

214-1472

HOSE CLAMP,#72, 4.06" - 5", Type F Worm

1шт.

35

87307635

HYDRAULIC HOSE,15.88mm ID x 691mm L

691 mm (27-1/4 in); Incl. Ref 36

1шт.

36

237-6012

O-RING,0.116" Thk x 0.924" ID, -912, Cl 6, 90 Duro

Boss Seal

1шт.

37

D143846

CLAMP

2шт.

38

814-10055

BOLT,Hex, M10 x 1.5 x 55mm, Cl 8.8

1шт.

39

832-10410

NUT,M10 x 1.5, Cl 8

1шт.

41

87307476

CLAMP

2шт.

43

814-12065

BOLT,Hex, M12 x 1.75 x 65mm, Cl 8.8

4шт.

44

814-12090

BOLT,Hex, M12 x 1.75 x 90mm, Cl 8.8

8шт.

45

896-11012

WASHER,13.5mm ID x 24mm OD x 3mm Thk

12шт.

Выбрано товаров: 0