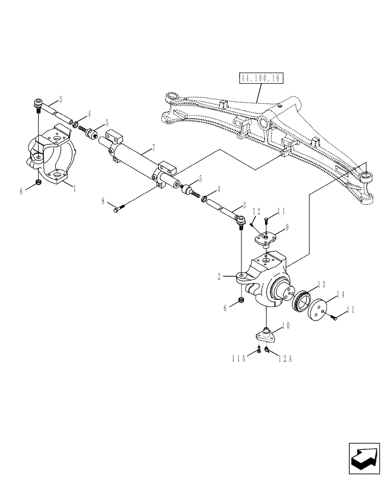
Запчасти Case 580SM (44.100.17) - AXLE, FRONT (86990837) - HOUSING, SWIVEL (44) - WHEELS

Схема запчастей Case 580SM - (44.100.17) - AXLE, FRONT (86990837) - HOUSING, SWIVEL (44) - WHEELS
10
7
2
-
44.100.16
14
8
4
11
11
5
6
3
4
12a
5
12
11a
-
6
9
3
13
1
FIT
1:1
100%

Артикул

Название

Примечание

Количество

86990837

AXLE

Front, Two Wheel Drive, Incl. 1 - 14

1шт.

1

429231A1

STEERING KNUCKLE,RH

Swivel, Left-Hand

1шт.

2

429232A1

STEERING KNUCKLE,LH

Swivel, Right-Hand

1шт.

401052A1

STEERING ASSY

Arm, Incl. Ref 3 - 5

2шт.

3

401054A1

TIE-ROD,34mm OD x 260mm L

TIE ROD

1шт.

4

934727R1

THIN NUT,Thin, M18 x 1.5, Cl 04

1шт.

5

112509A1

BALL JOINT

1шт.

6

905839R1

LOCK NUT,M18 x 1.5, Thin

2шт.

7

401055A1

STEERING CYLINDER

(Two Wheel Drive)

1шт.

8

863-16070

HEX SOC SCREW,M16 x 70mm, Cl 12.9

6шт.

9

122265A1

PIN,35mm / 45mm OD x 45.5mm L

King, Upper

2шт.

10

122259A1

PIVOT,120mm OD, 15mm ID, 5mm L

King Pin, Lower; Triangular Shape

2шт.

11

100533A1

BOLT,Self-Lock, M12 x 30mm

Lock, M12 x 30

14шт.

11a

D150214

BOLT,Lock, Hex, M14 x 2 x 35mm, Cl 10.9

Lock, M14 x 35; Lower King Pin

6шт.

12

321204

LUBE NIPPLE,M6 x 1.0 x 16mm OAL

2шт.

12a

N13505

LUBE NIPPLE,45 Degree, M6 x 1

Lower King Pin

2шт.

13

401059A1

THRUST BEARING

Thrust

2шт.

14

401060A1

THRUST WASHER

2шт.

Выбрано товаров: 18