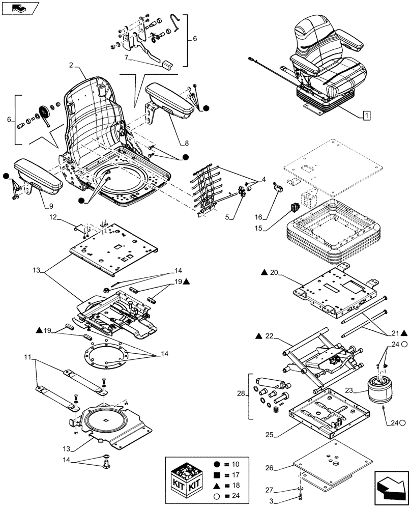
Запчасти Case 580SM (90.124.11[01]) - SEAT, AIR SUSPENSION, ASSY (90) - PLATFORM, CAB, BODYWORK AND DECALS

Схема запчастей Case 580SM - (90.124.11[01]) - SEAT, AIR SUSPENSION, ASSY (90) - PLATFORM, CAB, BODYWORK AND DECALS
6
2
24
18
14
26
22
13
9
8
13
28
20
4
21
12
23
10
24
14
1
19
24
15
5
7
25
19
6
17
14
3
11
16
27
FIT
1:1
100%

Артикул

Название

Примечание

Количество

1

87578904

SEAT

Fabric; Complete; Wheat, Incl 1 - 28

1шт.

2

87308157

SEAT BACK

Top Assy, Wheat Fabric

1шт.

2

87308159

SEAT CUSHION

Seat Back, Wheat Fabric

1шт.

2

87308158

SEAT CUSHION

Seat Bottom, Wheat Fabric

1шт.

3

604-12030

BOLT,Hex, M12 x 30mm, Cl 8.8

4шт.

4

87308130

SEAT BACK ADJUST DEV

1шт.

5

87037462

SEAT BACK ADJUST DEV

Knob

1шт.

6

86994165

SEAT ACCESSORY

Recliner

1шт.

7

87339800

KNOB

1шт.

8

87308153

ARMREST

Left Hand

1шт.

9

87308152

ARMREST

Right Hand

1шт.

10

87308154

SEAT ACCESSORY

Arm Pad Kit (Contains both Pads and Screws)

1шт.

11

87475826

SERVICE KIT

Tether Belt

1шт.

12

84174986

BRACKET

Front Stop Angle

1шт.

13

87308131

SEAT ACCESSORY

1шт.

14

87308132

BEARING ASSY

Swivel Bearing

1шт.

15

87475861

ROCKER SWITCH

Air Valve

1шт.

16

87308150

SWITCH

1шт.

17

84468480

KIT

1шт.

18

84276127

SERVICE KIT

Air Suspension Assy

1шт.

19

300680A1

KIT

Slide Puck

1шт.

20

87475830

SERVICE KIT

Upper Housing

1шт.

21

143786A1

SHAFT,308.9mm L

Bearing

1шт.

22

87475831

SERVICE KIT

Support Arm

1шт.

23

9845760

SPRING

Air

1шт.

24

333279A2

KIT

Air Spring

1шт.

25

86556264

HOUSING

Lower Housing

1шт.

26

87475833

SERVICE KIT

Pedestal

1шт.

27

87655043

WASHER,M12, 13.65mm ID x 24.90mm OD x 3.20mm, HT Boron, ZNM

4шт.

28

87475837

SERVICE KIT

Shock

1шт.

.

87475834

SERVICE KIT

Air Line and Fitting (Not Shown)

1шт.

.

87475841

BEARING SET

Bearing and Roller (Not Shown)

1шт.

.

87475838

SERVICE KIT

Bumper (Not Shown)

1шт.

.

87475827

SERVICE KIT

Compressor (Not Shown)

1шт.

.

87475839

SERVICE KIT

Harness (Not Shown)

1шт.

.

87347962

SERVICE KIT

Boot (Not Shown)

1шт.

.

87475828

SERVICE KIT

LPA Suspension

1шт.

.

87475840

SERVICE KIT

Switch and Actuator Lever (Not Shown)

1шт.

Выбрано товаров: 38