Запчасти Case 580SM (10.406.04) - RADIATOR - MOUNTING (10) - ENGINE

Схема запчастей Case 580SM - (10.406.04) - RADIATOR - MOUNTING (10) - ENGINE
51
19
43
45
17
31
3
55
4
21
11
49
28
32
48
4
39
41
42
44
15
18
7
11
36
20
23
6
10
29
53
30
17
25
20
9
29
50
16
2
55
56
30
9
1
37
21
52
26
38
34
15
27
23
33
47
40
8
13
10
14
56
24
31
12
46
54
35
5
FIT
1:1
100%

Артикул

Название

Примечание

Количество

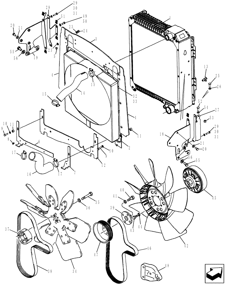
1

87576643

RADIATOR

3 Row, Models Without Air Conditioning; Component Parts Not Available At Time Of Printing

1шт.

1

87576645

RADIATOR

5 Row, Models With Air Conditioning; Component Parts Not Available At Time Of Printing

1шт.

2

87559003

SHROUD

Fan

1шт.

3

87628324

SEAL,614mm L

Top

1шт.

4

87628308

INSULATOR

Sides

2шт.

5

87301355

RIVET,Pop, 3/16" x .575"

6шт.

6

87446082

RETAINING PLATE,390mm x 195mm x 43mm L

Lower LH Shroud

1шт.

7

87446081

RETAINING PLATE,195mm x 62mm x 43mm L

Lower RH Shroud; 195 mm (7-11/16 in) Long

1шт.

8

87301356

RIVET,Pop, 3/16" x .700"

3шт.

9

614-8030

BOLT,Hex, M8 x 1.25 x 30mm, Cl 8.8, Full Thd

2шт.

10

895-11008

WASHER,9mm ID x 16mm OD x 1.6mm Thk

2шт.

11

407962A1

SPACER,9.8mm ID x 12.9mm OD x 11mm L

2шт.

12

87434978

INSULATOR

Lower

1шт.

13

81465471

DRAINCOCK/TAP SUPPLY

1/4

1шт.

14

87528978

RADIATOR HOSE,45.00 mm ID x 76.50 mm, SAE J20, SAE 20 R4 Class C

Upper

1шт.

15

87647029

HOSE CLAMP,40-64mm

2шт.

16

87454378

RADIATOR HOSE,57.15 mm ID x 217.70 mm, SAE 20R4 CLASS D-1

Lower

1шт.

17

214-1440

HOSE CLAMP,#40, 2.06" - 3", Type F Worm

2шт.

18

87602286

BRACKET

Radiator, RH

1шт.

19

87602287

BRACKET

Radiator, LH

1шт.

20

614-10020

BOLT,Hex, M10 x 1.5 x 20mm, Cl 8.8, Full Thd

6шт.

21

895-15010

WASHER,11mm ID x 24mm OD x 2mm Thk

6шт.

23

895-11008

WASHER,9mm ID x 16mm OD x 1.6mm Thk

4шт.

24

832-10408

NUT,M8 x 1.25, Cl 8.8

2шт.

25

814-10220

BOLT,Hex, M10 x 1.5 x 220mm, Cl 8.8

Models with Air Conditioning

1шт.

26

832-10410

NUT,M10 x 1.5, Cl 8

Models With Air Conditioning

1шт.

27

87606977

BRACKET, PIVOT

PIVOT BRACKET

1шт.

28

87606979

BRACKET

1шт.

29

614-8030

BOLT,Hex, M8 x 1.25 x 30mm, Cl 8.8, Full Thd

4шт.

30

895-11008

WASHER,9mm ID x 16mm OD x 1.6mm Thk

4шт.

31

833-40408

NUT,M8, U

4шт.

32

806-8016

BOLT,Hex, M8 x 1.25 x 16mm, Cl 10.9

4шт.

33

895-11008

WASHER,9mm ID x 16mm OD x 1.6mm Thk

4шт.

34

228133A2

FAN,7 Blades, 20 OD, CW Rotation

39 Degrees; With White Identification Dot; Standard Fan Drive; With Air Conditioning

1шт.

34

185377A1

FAN,7 blade, 499mm, CW rotation

33 Degrees; Standard Fan Drive; Without Air Conditioning

1шт.

35

814-10090

BOLT,Hex, M10 x 1.5 x 90mm, Cl 8.8

4шт.

36

496-21041

WASHER,13/32" x 13/16" x .089", HDN

4шт.

37

87353191

SPACER

Die Cast, 59 mm Long, Standard Fan Drive; With Or Without Air Conditioning

1шт.

38

85826230

V-BELT,28.48 mm W x 1440.00 mm L, 8 Ribs

Standard Fan Drive, With Or Without Air Conditioning

1шт.

39

303192A1

ADAPTER

Viscous Fan Drive, With Air Conditioning

1шт.

40

614-10030

BOLT,Hex, M10 x 1.5 x 30mm, Cl 8.8, Full Thd

4шт.

41

896-11010

WASHER,11mm ID x 21mm OD x 2.5mm Thk

4шт.

42

277800A1

FAN,9 Blades, 500.1mm OD

9 Blade, Viscous Fan Drive; With Air Conditioning

1шт.

43

614-8016

BOLT,Hex, M8 x 1.25 x 16mm, Cl 8.8, Full Thd

4шт.

44

892-11008

LOCK WASHER,8mm ID

4шт.

45

87340008

DRIVE

Fan; Component Parts Not Serviced Separately; Viscous Fan Drive; With Air Conditioning

1шт.

46

87415774

V-BELT,28.28 mm W x 1406.00 mm L

Viscous Fan Drive, With Air Conditioning

1шт.

47

4890343

PULLEY,130.25mm OD

1шт.

48

84147468

BRACKET, SUPPORTING

Pulley Tensioner; Replaces 87656811

1шт.

49

614-8020

BOLT,Hex, M8 x 1.25 x 20mm

2шт.

50

895-15008

WASHER,9mm ID x 20mm OD x 1.6mm Thk

2шт.

51

833-40408

NUT,M8, U

2шт.

52

614-8020

BOLT,Hex, M8 x 1.25 x 20mm

Used On Models Without Air Conditioning

2шт.

53

832-10408

NUT,M8 x 1.25, Cl 8.8

Used On Models Without Air Conditioning

2шт.

54

895-11008

WASHER,9mm ID x 16mm OD x 1.6mm Thk

Used On Models Without Air Conditioning

2шт.

55

614-12025

BOLT,Hex, M12 x 1.75 x 25mm, Cl 8.8, Full Thd

4шт.

56

896-12012

WASHER,13.5mm ID x 24mm OD x 3mm Thk

4шт.

Выбрано товаров: 0