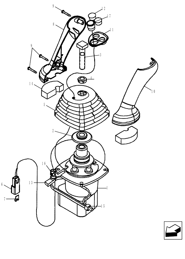
Запчасти Case 580SM (35.150.16[01]) - VALVE, JOYSTICK (PILOT CONTROLS) (RIGHT-HAND) WITHOUT EXTENDABLE DIPPER (35) - HYDRAULIC SYSTEMS

Схема запчастей Case 580SM - (35.150.16[01]) - VALVE, JOYSTICK (PILOT CONTROLS) (RIGHT-HAND) WITHOUT EXTENDABLE DIPPER (35) - HYDRAULIC SYSTEMS
9
13
9
2
5
6
12
7
16
3
15
8
14
10
1
11
17
4
FIT
1:1
100%

Артикул

Название

Примечание

Количество

87685956

JOYSTICK

Pilot Controls, RH; Without Extendable Dipper; Incl. Ref 1 - 17

1шт.

1

87687141

PILOT VALVE

Includes 87473380, 87586772, 87586773

1шт.

1

87687141R

REMAN-HYD VALVE

Includes 87473380, 87586772, 87586773

1шт.

1

87687141C

CORE-VALVE HYD

Core Return Number

1шт.

87473380

GUIDE

Plunger Assy

4шт.

87586772

PLATE

Spring

4шт.

87586773

KIT

Set of 4 Return Springs

1шт.

2

87436225

RETAINER,12.5mm ID, 46mm OD

Control Boot

1шт.

3

87428023

BOLT,Square Head, M12 x 1.75 x 60

Square Head

1шт.

4

87037944

THIN NUT,Thin, M12 x 1.75, Cl 05

1шт.

5

87443721

BOOT

Joystick Control

1шт.

6

225315C1

ELEC CONNECTOR,Male, 2 Pin

1шт.

7

225318C1

ELEC CONNECTOR,2 Pin

1шт.

8

87308838

HANDLE GRIP

Joystick Control

1шт.

9

15687475

SELF-TAP SCREW,Pan Hd, M3.5 x 25mm, SST

3шт.

10

87308839

HANDLE GRIP

Joystick Control

1шт.

11

87547309

BEZEL

Switch Mounting

1шт.

12

86625128

PLUG,Dome, .562" hole, Nylon

2шт.

13

87424267

GROMMET

Wire

1шт.

14

87435506

SEAL,52mmL

Pilot Control Handle, Lower

2шт.

15

87438046

CABLE TIE,375.9 mm L x 8mm W

CABLE STRAP

1шт.

16

87000312

CABLE TIE,4.8mm W x 203.2mm OAL, Nylon

CABLE STRAP Black, 10 mm

1шт.

17

87546922

SWITCH ASSY

Pushbutton; One Touch Decelerator

1шт.

Выбрано товаров: 23