Запчасти Case 580SM (35.350.02) - HYDRAULICS - RIDE CONTROL (35) - HYDRAULIC SYSTEMS

Схема запчастей Case 580SM - (35.350.02) - HYDRAULICS - RIDE CONTROL (35) - HYDRAULIC SYSTEMS
24
12
19
13
11
12
4
8
1
20
5
35.701.01
25
10
22
11
9
3
18
23
7
2
6
12
8
17
15
5
8a
11
8a
FIT
1:1
100%

Артикул

Название

Примечание

Количество

REF

INSTRUCTION

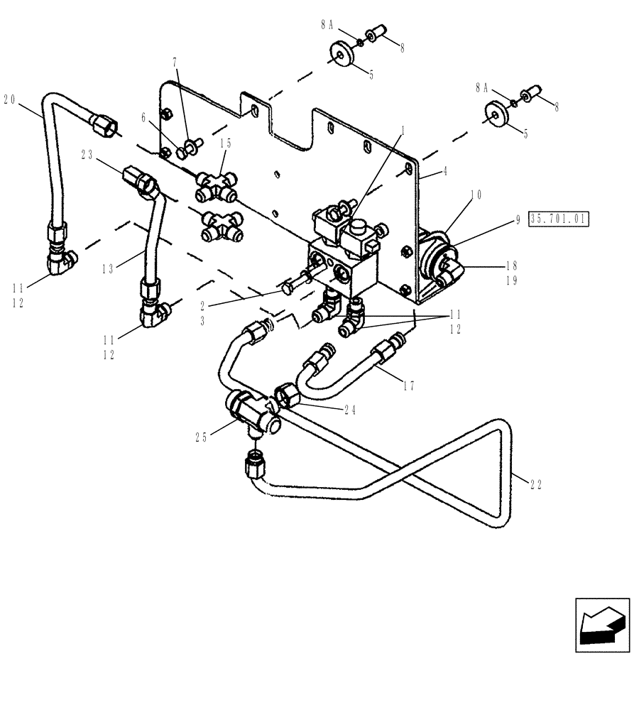
Ride Control Hydraulic And Electrical Circuit

1шт.

1

87433240

SOLENOID VALVE

Ride Control; Component Parts Not Available At Time Of Printing

1шт.

2

814-10080

BOLT,Hex, M10 x 1.5 x 80mm, Cl 8.8

1шт.

3

895-11010

WASHER,11mm ID x 20mm OD x 2mm Thk

1шт.

4

87421213

BRACKET

1шт.

5

87423067

SPACER,11mm ID x 40mm OD x 8mm L

2шт.

6

814-10040

BOLT,Hex, M10 x 1.5 x 40mm, Cl 8.8

2шт.

7

895-15010

WASHER,11mm ID x 24mm OD x 2mm Thk

2шт.

8

87417721

THREADED INSERT,M10 x 1.5-6H x 29 L

M10

2шт.

8a

238-5011

O-RING,0.07" Thk x 0.301" ID, -11, Cl 5, 75 Duro

2шт.

9

448284A1

ACCUMULATOR,275 Bar

Ride Control; Component Parts Not Serviced Separately; Used In Production, For Service, Order 234412A1 Accumulator

1шт.

9

234412A1

ACCUMULATOR,0.98L

Ride Control

1шт.

10

A13240

CLAMP,2-5/8" ID

Two Piece; Includes Hardware

2шт.

11

218-5117

ELBOW,90 Degree Elbow, 7/8" - 14 Male JIC x 3/4" - 16 Male ORB

Incl. Ref 12

4шт.

12

237-6008

O-RING,0.087" Thk x 0.644" ID, -908, Cl 6, 90 Duro

1шт.

13

87675026

HYD TUBE

Solenoid Valve to Loader Control Valve Lower Lift Section Port

1шт.

15

218-655

4 WAY CONNECTION,7/8"-14, 37 Degree

2шт.

17

87420696

HYD TUBE

Accumulator to Solenoid Valve

1шт.

18

218-5600

ELBOW,90 Degree, 7/8"-14, 37 Degree x 3/4"-16, O-Ring

Incl. Ref 19

1шт.

19

237-6008

O-RING,0.087" Thk x 0.644" ID, -908, Cl 6, 90 Duro

1шт.

20

87675071

HYD TUBE

Solenoid Valve To Loader Control Valve Upper Lift Section Port

1шт.

22

87675074

HYD TUBE

Solenoid Valve To Filter

1шт.

23

218-5232

ELBOW,90 Degree, 7/8"-14, 37 Degree x 7/8"-14, 37 Degree Fem Sw

1шт.

24

218-335

CAP,37 Degree, 1 1/16"-12

1шт.

25

87436066

FITTING,1" 5/16 - 12 ORFS x 1" 5/16 - 12 ORB x 1 1/16" - 12 ORB x 7/8" - 14 ORB

1шт.

26

235002A1

ROCKER SWITCH

Ride Control; Not Illustrated

1шт.

Выбрано товаров: 26