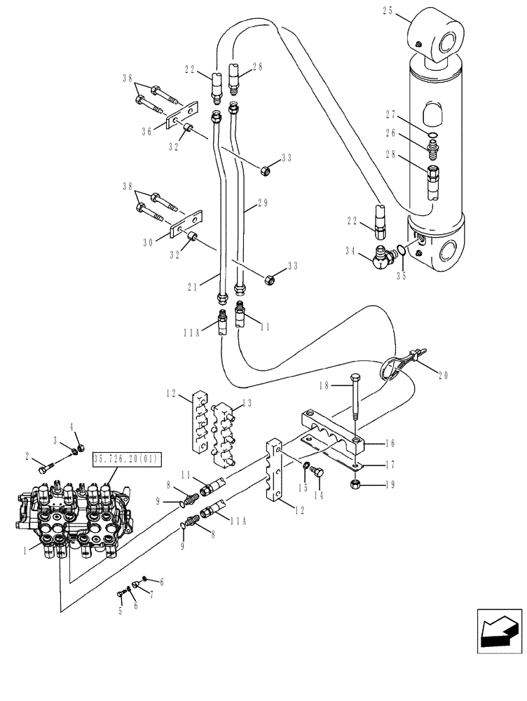
Запчасти Case 580SM (35.702.02) - HYDRAULICS - CYLINDER, BACKHOE DIPPER (35) - HYDRAULIC SYSTEMS

Схема запчастей Case 580SM - (35.702.02) - HYDRAULICS - CYLINDER, BACKHOE DIPPER (35) - HYDRAULIC SYSTEMS
9
35
11
6
26
27
8
35.726.20(01)
38
4
11a
16
5
14
22
30
32
29
15
17
1
21
8
33
9
22
38
36
6
12
19
11
2
34
25
12
20
33
11a
28
32
7
13
28
3
18
FIT
1:1
100%

Артикул

Название

Примечание

Количество

1

REF

INSTRUCTION

VALVE ASSY; Control, Backhoe Control Valve; For Correct Assembly and Components

1шт.

2

814-10080

BOLT,Hex, M10 x 1.5 x 80mm, Cl 8.8

2шт.

3

896-11010

WASHER,11mm ID x 21mm OD x 2.5mm Thk

2шт.

4

829-1410

NUT,M10 x 1.5, Cl 10.9

2шт.

5

614-10035

BOLT,Hex, M10 x 1.5 x 35mm, Cl 8.8, Full Thd

1шт.

6

496-41041

WASHER,13/32" x 1 1/8" x .134"

2шт.

7

D52276

ISOLATOR,10.16mm ID x 28.07mm OD x mm L

1шт.

8

218-5064

HYD CONNECTOR,1-1/16" - 12 Male JIC x 1-1/16" - 12 Male ORB

Incl. Ref 9

2шт.

9

237-6012

O-RING,0.116" Thk x 0.924" ID, -912, Cl 6, 90 Duro

Boss Seal

1шт.

11

393380A1

HYDRAULIC HOSE,15.88mm ID x 1295mm L

1295 mm (51 in); Upper Valve Port

1шт.

11a

393380A1

HYDRAULIC HOSE,15.88mm ID x 1295mm L

1295 mm (51 in); Lower Valve Port

1шт.

12

143439A1

CLAMP

2шт.

13

176226A1

CLAMP

1шт.

14

614-8025

BOLT,Hex, M8 x 1.25 x 25mm, Cl 8.8, Full Thd

6шт.

15

892-11008

LOCK WASHER,8mm ID

6шт.

16

87337880

HOSE CLAMP

1шт.

17

132212A1

PLATE

1шт.

18

814-12100

BOLT,Hex, M12 x 1.75 x 100mm, Cl 8.8

2шт.

19

832-10412

NUT,M12 x 1.75, Cl 8

2шт.

20

L18337

CABLE TIE,9.95"-12.1" lg

CABLE STRAP 15 in

1шт.

21

87455443

TUBE,0.75" OD

1шт.

22

87439660

HYDRAULIC HOSE,15.88mm ID x 660mm L

660 mm (26 in)

1шт.

25

183795A4

HYDRAULIC CYLINDER,Double Acting, 63.5mm Rod, 582.9mm Stroke

127 ID x 583 mm strk; Dipper Cylinder

1шт.

26

218-5064

HYD CONNECTOR,1-1/16" - 12 Male JIC x 1-1/16" - 12 Male ORB

Incl. Ref 27

1шт.

27

237-6012

O-RING,0.116" Thk x 0.924" ID, -912, Cl 6, 90 Duro

Boss Seal

1шт.

28

397782A1

HYDRAULIC HOSE,15.88mm ID x 780mm L

780 mm (30-3/4 in)

1шт.

29

142124A1

TUBE,19.05 mm OD, 784.2 mm Length

1шт.

30

133605A1

CLAMP

1шт.

32

132930A1

SPACER

4шт.

33

832-10412

NUT,M12 x 1.75, Cl 8

4шт.

34

87439842

ELBOW

90 deg, 7/8 fl x 1-1/16 0r; Incl. Ref 35

1шт.

35

237-6012

O-RING,0.116" Thk x 0.924" ID, -912, Cl 6, 90 Duro

Boss Seal

1шт.

36

87307476

CLAMP

1шт.

38

814-12085

BOLT,Hex, M12 x 1.75 x 85mm, Cl 8.8

4шт.

39

896-11012

WASHER,13.5mm ID x 24mm OD x 3mm Thk

4шт.

Выбрано товаров: 35