Запчасти Case 580SM (35.726.02) - HYDRAULICS - BACKHOE BOOM LOCK AND ELECTRICAL CIRCUIT (35) - HYDRAULIC SYSTEMS

Схема запчастей Case 580SM - (35.726.02) - HYDRAULICS - BACKHOE BOOM LOCK AND ELECTRICAL CIRCUIT (35) - HYDRAULIC SYSTEMS
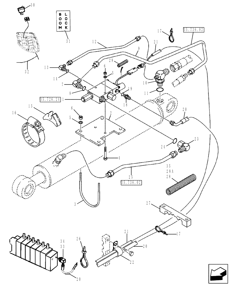
2
21
22
6
9
15
27
21
7
20
26
28
24
3
14
25
29
5
8
20
31
17
30
28a
35
34
20
10
17
32
33
19
16
5
4
11
1
18
35.726.24
35.736.02
35.736.02
23
12
6
13
FIT
1:1
100%

Артикул

Название

Примечание

Количество

399221A1

KIT

Backhoe Boom Lock; Incl. Ref 1 - 35 and an Instruction Sheet

1шт.

1

189957A1

VALVE

Solenoid; Backhoe Boom Lock; Incl. (2) 321-6046 Warning Decals

1шт.

2

D150054

PLATE

Valve mounting

1шт.

3

D150053

BOLT

3/8 in

2шт.

4

413-648

BOLT,Hex, 3/8" - 16 x 3", Gr 5

2шт.

5

495-11041

WASHER,0.406" ID x 0.812" OD x 0.065" W

6шт.

6

231-1446

NUT,3/8" - 16, Gr 5

6шт.

7

218-5118

ELBOW,90 Degree Elbow, 1-1/16" - 12 Male JIC x 1-5/16" - 12 Male ORB

Incl. Ref 8

1шт.

8

237-6016

O-RING,0.116" Thk x 1.171" ID, -916, Cl 6, 90 Duro

Boss Seal

1шт.

9

192025A1

TUBE,19.05 mm OD, 680, 196 mm Length

Valve Port

1шт.

10

187677A1

TEE,1-1/16" - 12 ORB x 1-1/16" - 12 JIC x 7/16" - 20 JIC

Reducer; Boom Cylinder Closed End; Incl. Ref 11

1шт.

11

237-6012

O-RING,0.116" Thk x 0.924" ID, -912, Cl 6, 90 Duro

Boss Seal

1шт.

12

189709A1

TUBE,6.35 mm OD, 450, 60 mm Length

Pilot Port

1шт.

13

218-5283

ELBOW,90 Degree, 7/16"-20, 37 Degree x 9/16"-18, O-Ring

Incl. Ref 14

1шт.

14

237-6006

O-RING,0.078" Thk x 0.468" ID, -906, Cl 6, 90 Duro

1шт.

15

D142787

SPACER

Rubber

1шт.

16

214-31104

HOSE CLAMP,5-3/4" - 6-5/8", HD Worm

1шт.

17

L18337

CABLE TIE,9.95"-12.1" lg

CABLE STRAP

15шт.

18

218-5359

HYD CONNECTOR,7/16"-20, 37 Degree x 3/4"-16, O-Ring

Incl. Ref 19

1шт.

19

237-6008

O-RING,0.087" Thk x 0.644" ID, -908, Cl 6, 90 Duro

Boss seal

1шт.

20

189103A1

HYDRAULIC HOSE

3700 mm (145-11/16"), Return; Attaches to Elbow at Backhoe Valve

1шт.

21

189263A1

WIRE HARNESS

Boom Lock Valve to Control Tower

1шт.

22

515-25190

CLAMP,3/4", Insul, 1/2" Bolt

Return Hose

1шт.

23

218-5382

ELBOW,90 Degree, 1 1/16"-12, 37 Degree x 1 5/16"-12, 37 Degree Fem Sw

Incl. Ref 24

1шт.

24

237-6016

O-RING,0.116" Thk x 1.171" ID, -916, Cl 6, 90 Duro

Boss Seal

1шт.

25

187612A1

TUBE,19.05 mm OD, 241, 44 mm Length

Boom Lock Valve to Boom Cylinder Rod End

1шт.

26

D147773

CLAMP

Tie, 11 in

1шт.

27

221330A1

CLAMP

Hose and Harness

1шт.

28

220276A1

SLEEVE

610 mm long, Hose Guard; Ref 20 Hose and Ref 21 Harness, Ahead of Clamp

1шт.

28a

404907A1

SLEEVE

740 mm long, Hose Guard; Ref 20 Hose and Ref 21 Harness, Behind Clamp

1шт.

29

1999528C1

CABLE SHEATH

455 mm long; Harness Protection

1шт.

30

400016A1

SWITCH

Rocker; Boom Lock

1шт.

31

L111356

DECAL

Boom Lock

1шт.

32

399246A1

WIRE HARNESS

, Serial Range: Cab-Solenoid

1шт.

33

189414A1

ELBOW

90 deg; Incl. Ref 34

1шт.

34

237-6010

O-RING,0.097" Thk x 0.755" ID, -910, Cl 6, 90 Duro

Boss Seal

1шт.

35

226582A1

HOSE PROTECTION

1850 mm long; Harness Below Floor Plate

1шт.

Выбрано товаров: 37