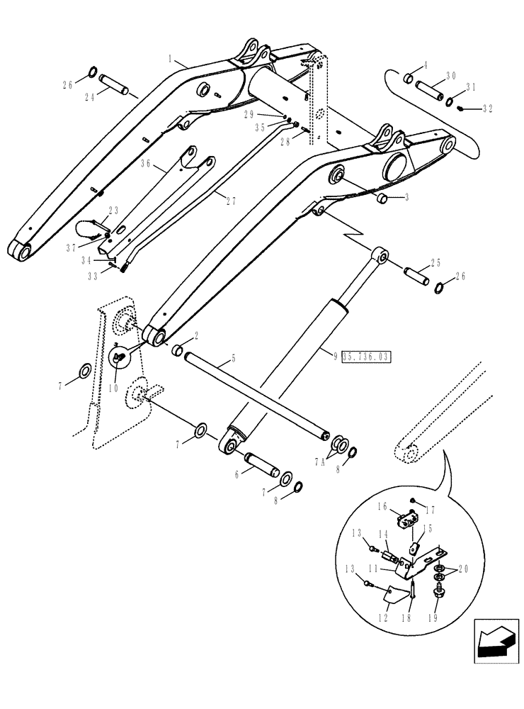
Запчасти Case 580SM (39.125.01) - FRAME - LOADER LIFT (39) - FRAMES AND BALLASTING

Схема запчастей Case 580SM - (39.125.01) - FRAME - LOADER LIFT (39) - FRAMES AND BALLASTING
3
27
18
19
29
35.736.03
13
28
12
16
7
25
8
7a
20
5
26
17
23
11
13
9
6
8
36
4
14
31
24
2
1
34
35
33
37
26
32
30
15
7
7
10
FIT
1:1
100%

Артикул

Название

Примечание

Количество

REF

INSTRUCTION

Lift Cylinder, Support Strut, Return-To-Dig And Anti-Rollback

1шт.

1

84330466

LOADER ARM

580N, 580SN

1шт.

1

84296186

LOADER ARM

580SN WT, 590SN

1шт.

2

D127542

BUSHING,50.2mm ID x 60mm OD x 30mm L

4шт.

3

100696A1

BUSHING,38.41mm ID x 47.65mm OD x 28.6mm L

Bucket Cylinder Link Pivot; Not Included with Frame; Purchase Separately

4шт.

4

109268A1

BUSHING,40.3mm ID x 50mm OD x 35mm L

4шт.

6

335177A1

PIN,50mm OD x 234mm L

2шт.

7

495-81282

WASHER,2 1/16" x 3" x .109"

6шт.

7a

181842A1

WASHER,50.4mm ID x 76mm OD x 3.6mm Thk

1шт.

8

800-44050

SNAP RING,M50, Ext

6шт.

9

384240A1

LIFT CYLINDER,Double Acting, 44.4mm Rod, 766mm Stroke

82.6 ID x 766 mm strk; Loader

2шт.

10

219-55

LUBE NIPPLE,90 Degree Elbow, 1/8" - 27 NPTF

2шт.

11

128818A1

SUPPORT

Return-To-Dig

1шт.

12

142524A1

PROTECTOR

1шт.

13

614-6016

BOLT,Hex, M6 x 1 x 16mm, Cl 8.8, Full Thd

2шт.

14

515-2179

CLAMP,5/16", Insul, 1/4" Bolt

1шт.

15

833-40406

NUT,M6, U

2шт.

16

D137363

SWITCH

Return-To-Dig

1шт.

17

193-1003

NUT,Keps, w/LW,#6-32

2шт.

18

440-10616

SCREW,Cross Pan Hd, #6-32 x 1"

2шт.

19

128312A1

FLANGE BOLT,Hvy Hex, M10 x 1.5 x 15mm, Gr 8.8

M10 x 15

2шт.

20

87655046

SPECIAL WASHER,10.65mm ID x 23mm OD x 2.2mm Thk

4шт.

23

104824A1

PIN,12.7mm OD

1шт.

24

84216891

PIN,44.4mm OD x 150mm L

1шт.

25

84216892

PIN,44.35mm OD x 179mm L

1шт.

26

86625149

SNAP RING,#175, Ext

4шт.

27

84280257

ROD

Anti-Rollback

1шт.

28

192815A1

PIN,1/2" - 13, 1.85" L

1шт.

29

103-3350

SNAP RING,#50, .392" Dia, E-Type

1шт.

30

84367828

PIN,40mm OD x 180mm L

2шт.

31

800-44040

SNAP RING,M40, Ext

4шт.

32

219-1

LUBE NIPPLE,1/8" - 27 NPTF

2шт.

33

87548980

CLEVIS PIN,3/8" x 1"

1шт.

34

432-612

COTTER PIN,3/32" x 3/4"

1шт.

35

87655043

WASHER,M12, 13.65mm ID x 24.90mm OD x 3.20mm, HT Boron, ZNM

1шт.

36

84280275

STRUT

1шт.

37

344892A1

GROMMET,25.4mm OD, 12.7mm ID, 26mm L

1шт.

Выбрано товаров: 37