Запчасти Case 580SM (50.206.03) - CAB - AIR CONDITIONING LINES, EVAPORATOR CORE (50) - CAB CLIMATE CONTROL

Схема запчастей Case 580SM - (50.206.03) - CAB - AIR CONDITIONING LINES, EVAPORATOR CORE (50) - CAB CLIMATE CONTROL
29
25
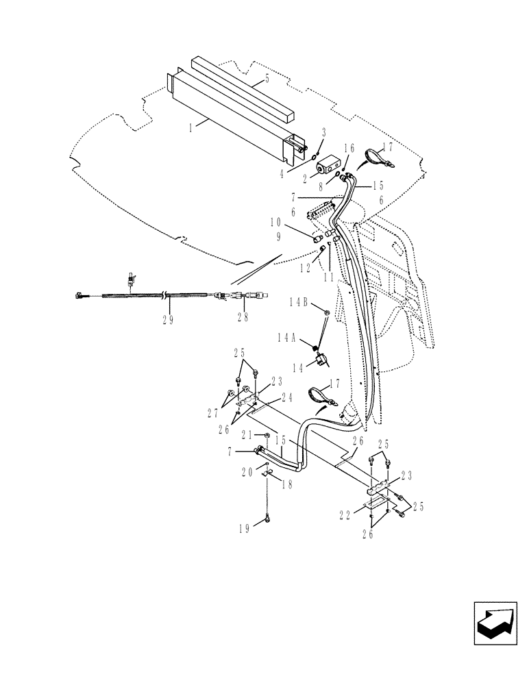
7
8
17
24
23
26
15
21
9
26
11
-
14b
15
5
27
26
7
2
18
22
20
6
28
25
14
4
17
14a
23
16
6
3
19
12
-
25
10
1
FIT
1:1
100%

Артикул

Название

Примечание

Количество

363832A5

EVAPORATOR

Incl. Ref 1 - 4; Not Available as An Assembly; Order Components

1шт.

1

360263A4

EVAPORATOR

Core

1шт.

2

386535A1

VALVE

1шт.

3

128484A1

O-RING,0.07" Thk x 0.426" ID, -13, Cl 5, 70 Duro

7/16 ID x 1/16

1шт.

4

128485A1

O-RING,1.78mm Thk x 14mm ID, 70 Duro

9/16 ID x 1/16

1шт.

83822C1

TAPE

Insulation; 63,5 (2-1/2 in) x 610 mm (24-1/64 in)

3шт.

5

406287A1

SEALING STRIP,19mm W x 736mm L x 19mm Thk

19 x 19 x 736 mm; Adhesive Back; Models With Heat and Air, Locate Seal On Top Of Core

1шт.

345-621

TAPE

2 x 6 in

2шт.

7

360257A1

A/C HOSE,0.625 Inch OD x 0.049 Inch Wall, Thermoplastic Core

Suction; Incl. Ref 8 - 12

1шт.

8

128485A1

O-RING,1.78mm Thk x 14mm ID, 70 Duro

9/16 ID x 1/16

1шт.

9

128483A1

O-RING,1.78mm Thk x 7.65mm ID, 70 Duro

5/16 ID x 1/16; Valve Core

1шт.

10

1250594C1

CORE

Low Pressure Switch

1шт.

11

1250594C1

CORE

Low Side Service Port

1шт.

12

122553A1

CAP

1шт.

14

370381A1

ROTARY SWITCH

Temperature Control; Air Conditioning

1шт.

14a

400379A1

KNOB,23mm

23 mm

1шт.

14b

A42561

JAM NUT,Hex, 7/16" - 28, RH Thd

7/16

1шт.

15

360256A1

A/C HOSE,0.375 Inch OD x 0.035 Inch Wall, Thermoplastic Core

Pressure; Incl. Ref 16

1шт.

16

128483A1

O-RING,1.78mm Thk x 7.65mm ID, 70 Duro

5/16 ID x 1/16

1шт.

17

L18337

CABLE TIE,9.95"-12.1" lg

CABLE STRAP

4шт.

18

D143427

CLAMP

1шт.

19

614-8030

BOLT,Hex, M8 x 1.25 x 30mm, Cl 8.8, Full Thd

1шт.

20

D143417

SPACER,10.31mm ID x 15.88mm OD x 6.4mm L

1шт.

21

825-2408

FLANGE NUT,M8 x 1.25, Flg, Cl 8

1шт.

22

124011A1

GASKET,149mm L x 64mmL x 5mm L

1шт.

23

123980A1

SHIN

CLAMP, Heater and Air Conditioning Hoses

2шт.

24

181979A1

SEALING STRIP

2шт.

25

845-6020

BOLT,Hvy Hex, M6 x 20mm, Cl 8.8

6шт.

26

833-40406

NUT,M6, U

4шт.

27

825-2406

FLANGE NUT,M6 x 1, Cl 8.8

2шт.

28

87000228

SWITCH, A/C LOW PRES

Blue Wire

1шт.

29

87538167

WIRE HARNESS

Service; A/C Low Pressure Switch; Connects to A/C Compressor and A/C Relay

1шт.

30

401949A1

FASTENER

Xmas Tree Clips; B Post Cover; Not Illustrated

5шт.

31

L11541

CABLE TIE,203.2mm L, Nylon

CABLE STRAP Tie; Not Illustrated

10шт.

Выбрано товаров: 34