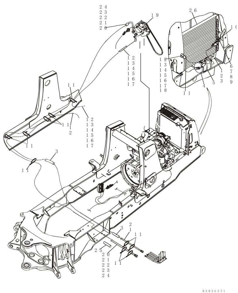
Запчасти Case 580SM (09-65) - CAB - AIR CONDITIONING, CONDENSER, RECEIVER-DRIER (09) - CHASSIS/ATTACHMENTS

Схема запчастей Case 580SM - (09-65) - CAB - AIR CONDITIONING, CONDENSER, RECEIVER-DRIER (09) - CHASSIS/ATTACHMENTS
21
11
20
1
16
16
2
26
12
10
24
20
2
24
17
13
3
14
12
12
17
23
23
9
7
bs03g371
14
3
22
5
11
18
19
11
13
1
3
4
11
8
11
6
15
2
13
25
1
17
22
11
15
16
21
14
11
15
FIT
1:1
100%

Артикул

Название

Примечание

Количество

1

87421777

A/C HOSE

2730 mm (107-1/2 in), Receiver Drier to Cab; Incl. Ref 2

1шт.

2

128483A1

O-RING,1.78mm Thk x 7.65mm ID, 70 Duro

5/16 ID x 1/16

2шт.

3

191704A1

HOSE PROTECTION,19mm ID x 25mm OD x 460mm L

460 mm (18-1/8 in)

4шт.

4

86984155

RECEIVER-DRYER

1шт.

5

214-1464

HOSE CLAMP,#64, 3.56" - 4.5", Type F Worm

2шт.

6

87421775

A/C HOSE

431 mm (17 in), Condenser to Drier; Incl. Ref 7 - 9

1шт.

7

128483A1

O-RING,1.78mm Thk x 7.65mm ID, 70 Duro

5/16 ID x 1/16

3шт.

8

1250594C1

CORE

Valve, High Pressure Switch

1шт.

9

122081A1

FITTING,M10 x 1.25 x 26.43mm L

Switch

1шт.

10

232948A1

SWITCH, A/C HIGH PRE

1шт.

11

L18337

CABLE TIE,9.95"-12.1" lg

CABLE STRAP

15шт.

12

87367080

A/C HOSE

1420 mm (55-15/16 in); Compressor to Condenser; Incl. Ref 13 - 17; Replaces 87421776 1542 mm (60-3/4 in) Hose

1шт.

13

128484A1

O-RING,0.07" Thk x 0.426" ID, -13, Cl 5, 70 Duro

7/16 D x 1/16

1шт.

14

128485A1

O-RING,1.78mm Thk x 14mm ID, 70 Duro

9/16 ID x 1/16

1шт.

15

1999926C1

PIPE FITTING

1шт.

16

1250594C1

CORE

Valve

1шт.

17

122554A1

CAP

Sealing

1шт.

18

193913A1

PROTECTOR

Guard, 1200 mm (47-1/4 in); If Used

1шт.

19

87430122

AIRCOND. COMPRESSOR

Component Parts Not Serviced Separately, See Figure 09-66 for Mounting

1шт.

84159489R

REMAN-COMPRESSOR,12V, W/ Clutch, W/ Pulley

580SM TIER 2, 580SM+ TIER 2 all SERIES 2 LOADER BACKHOE (2/04-) Reman for new P/N 87430122

1шт.

84159489C

CORE-COMPRESSOR

Return Number

1шт.

20

87427294

A/C HOSE

2240 mm (88-3/16 in), Cab to Compressor; Incl. Ref 21 - 24

1шт.

21

128485A1

O-RING,1.78mm Thk x 14mm ID, 70 Duro

9/16 ID x 1/16

2шт.

22

1999927C1

FITTING

1шт.

23

1250594C1

CORE

Valve

1шт.

24

122553A1

CAP

Sealing

1шт.

25

191703A1

HOSE PROTECTION,28mm ID x 34mm OD x 400mm L

Sleeve, 400 mm (15-3/4 in)

2шт.

26

87417329

CONDENSER

1шт.

895-11008

WASHER,9mm ID x 16mm OD x 1.6mm Thk

4шт.

829-1408

NUT,Hex, M8 x 1.25, Cl 10.9

4шт.

490-11012

SCREW,Cross Pan Hd, #10-32 x 3/4"

1шт.

231-24409

NUT,#10-32

1шт.

Выбрано товаров: 32