Запчасти Case 580SM (09-67) - CANOPY, ROPS - FRAME, COVERS, MIRROR, VISOR (09) - CHASSIS/ATTACHMENTS

Схема запчастей Case 580SM - (09-67) - CANOPY, ROPS - FRAME, COVERS, MIRROR, VISOR (09) - CHASSIS/ATTACHMENTS
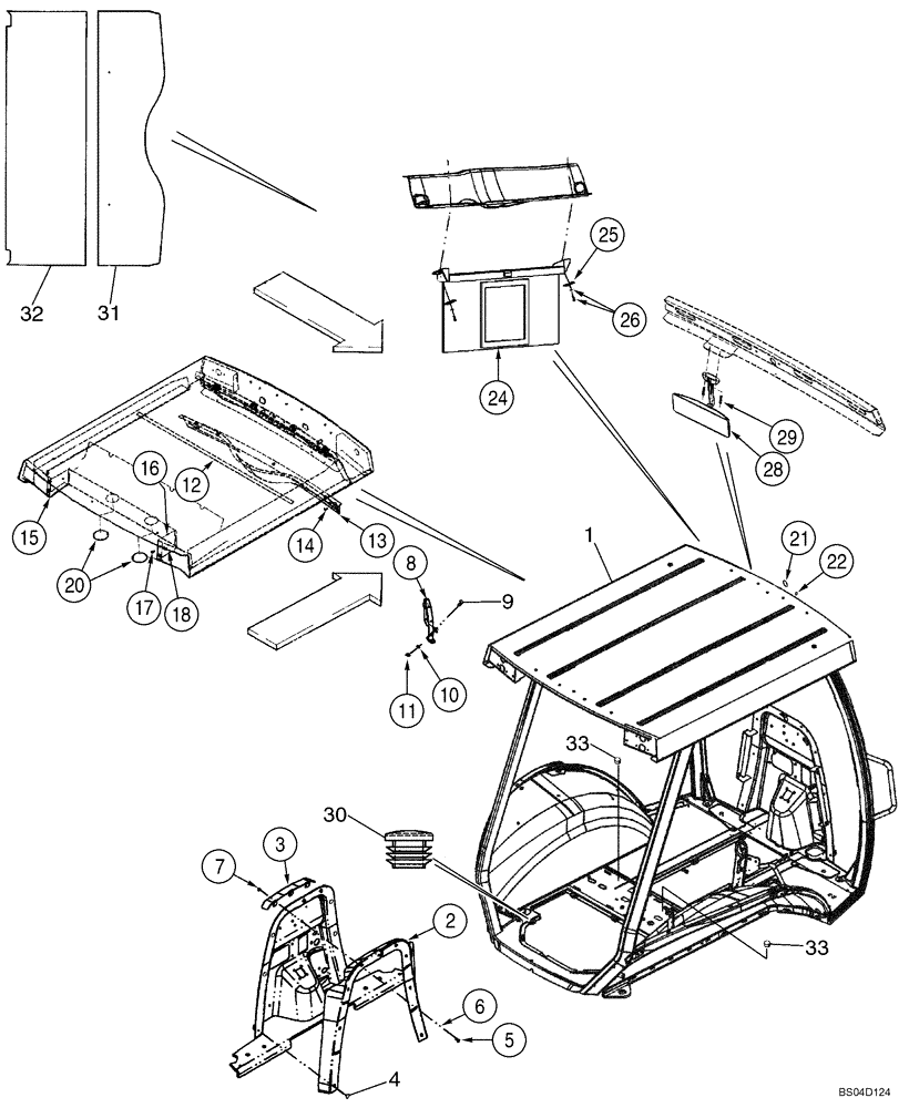
30
17
10
29
31
13
14
9
7
32
16
5
33
11
26
8
1
20
15
28
33
12
24
22
18
4
6
21
2
25
3
FIT
1:1
100%

Артикул

Название

Примечание

Количество

87449825

CANOPY

ASSEMBLY, Includes 87449824 580SM Frame, Glass, Wiper and Roof Foam Panels; Replaces 87434983 and 87443436 Canopy Assembly

1шт.

1

87449824

CAB FRAME

580SM ROPS Canopy Frame; Order From Machinery Price List; Replaces 87434974, 87443434 Frame

1шт.

87443437

CANOPY

ASSEMBLY, Includes 87449826 580SM+ Frame, Glass, Wiper and Roof Foam Panels; Replaces 87434984 Canopy Assembly

1шт.

1

87449826

ROPS

ASSEMBLY 580SM+ Canopy Frame; Order From Machinery Price List; Replaces 87434975, 87443435 Frame

1шт.

2

396938A3

MOLDING

Firewall

1шт.

3

395478A3

BRACKET

1шт.

4

D143242

PLUG,7.1mm Dia Shank x 25.4mm OD Head x 23.1mm L

Push-In Fastener

6шт.

5

614-8020

BOLT,Hex, M8 x 1.25 x 20mm

3шт.

6

495-81001

WASHER,5/16"

3шт.

7

832-10408

NUT,M8 x 1.25, Cl 8.8

3шт.

8

87627072

GRAB RAIL

Replaces 392930A1

1шт.

9

87310177

BOLT,Round Head, M10 x 25, Cl 8.8

M10 x 25; 8.8, Round Head Square Neck, Stainless Steel; Replaces 811-10025 Non-Stainless Steel Screw Used On Some Models

2шт.

10

495-81267

WASHER,.469" x 1 1/2" x .134"

2шт.

11

832-10410

NUT,M10 x 1.5, Cl 8

2шт.

12

385506A1

PROTECTION STRIP

127 mm; Foam; Adhesive Back

1шт.

13

367712A3

COVER

Harness

1шт.

14

F64519

SELF-TAP SCREW,Cross Wash Hd, #10-16 x 3/4"

For Service, Order 265-16512, F64315

5шт.

15

357099A1

COVER

LH

1шт.

16

357100A1

COVER

RH

1шт.

17

87310098

BOLT,M6 x 20 Full SST BLO

Flange, M6 x 20, Stainless Steel; Replaces 555-2 Non-Stainless Steel Screw Used On Some Models

4шт.

18

833-40406

NUT,M6, U

4шт.

20

1302758C1

PLUG

3 in

2шт.

353-410

PLUG,Dome, .875" hole, Nylon

1шт.

21

411549A1

PLUG

1 in; Windshield Frame

1шт.

22

353-421

PLUG,Dome, .187" hole, Nylon

Upper Windshield Frame

2шт.

24

364180A1

VISOR, SUN

1шт.

25

409618A1

PLATE

1/4 in Mounting Hole

2шт.

26

396516A1

SCREW,POINTED

No 10 x 1 st; With Washer; Phillips

2шт.

28

87406924

REAR VIEW MIRROR

1шт.

29

286-56520

SELF-TAP SCREW,Cross Fil Hd, #10-24 x 1 1/4"

2шт.

30

382298A1

PLUG

7/8 in

2шт.

31

431583A1

PANEL

Foam; Roof Front

1шт.

32

431584A1

PANEL

Foam: Roof Rear

1шт.

33

353-413

PLUG,Dome, 1.187" hole, Nylon

Brake Bleeder; Replaces 87301515 Black Glossy, 1-3/16 Hole Size Plug Used On Some Models

2шт.

Выбрано товаров: 0