Качественные детали и логистика
Оригинальные и аналоговые запчасти с доставкой по России, Казахстану и Беларуси
©2022 PartSell ООО "Система" ИНН 2463123282 ОГРН 1212400004838
Центральный офис: г. Красноярск, Академика Киренского, д.87, пом.4
Телефон: 8 (800) 777-65-74 Email: zakaz@partsell.ru
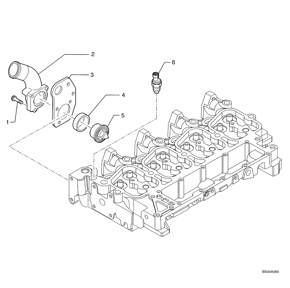
(02-37) - THERMOSTAT - ENGINE COOLING SYSTEM
№
Артикул
Название
Примечание
Количество
1
2852151
SCREW,Hex, M8 x 1.25 x 35mm
Flange; M8 x 35
1шт.
2852155
BOLT,Flng, M8 x 1.25 x 80mm
Flange; M8 x 80
2шт.
2
2852153
ELBOW
Thermostat Housing
3
2852152
BRACKET
4
2852154
GASKET,50mm ID x 59.25mm OD x 16.23mm Thk
5
2830734
THERMOSTAT
OD=54.0mm, Replaces 2852159
6
2852157
SENSOR
Water; Grid Heater
Выбрано товаров: 0