Запчасти Case 580SM (04-05) - BATTERY CABLES (MODELS WITHOUT COLD START) (04) - ELECTRICAL SYSTEMS

Схема запчастей Case 580SM - (04-05) - BATTERY CABLES (MODELS WITHOUT COLD START) (04) - ELECTRICAL SYSTEMS
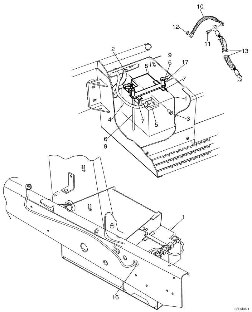
2
16
12
11
7
5
6
7
4
13
1
9
3
9
10
6
1
8
17
FIT
1:1
100%

Артикул

Название

Примечание

Количество

1

87403835

WET BATTERY,Group 49, 12V, 850CCA

12V; Models Without Cold Start; Used In Production, For Service Order B4960W Through Ship Direct

1шт.

2

87419259

NEG BATTERY CABLE

350 mm; Negative Ground

1шт.

3

844-10020

BOLT,Hvy Hex, M10 x 20mm, Cl 8.8

Negative battery cable ground, bolt to chassis

1шт.

4

87419257

ELECTRIC CABLE

1550 mm; Positive; Incl. Ref 5;, Serial Range: Battery-Starter

1шт.

5

383619R1

COVER

1шт.

6

814-10245

BOLT,Hex, M10 x 1.5 x 245mm, Cl 8.8

2шт.

7

D125079

BRACKET

Battery Hold-Down

2шт.

8

87415781

BRACKET

Plate

1шт.

9

495-11041

WASHER,0.406" ID x 0.812" OD x 0.065" W

2шт.

10

87407206

GROUND STRAP

330 mm; Ground, Serial Range: Strap-Chassis

2шт.

11

844-10020

BOLT,Hvy Hex, M10 x 20mm, Cl 8.8

1шт.

12

493-11039

LOCK WASHER,3/8", Int-Ext Tooth

1шт.

13

381261A1

ELECTRICAL WIRE

WIRE Ground;, Serial Range: Cab-Chassis

1шт.

16

87423677

GROMMET

Battery Cable; Mounts In Chassis Side Channel

2шт.

17

130245A1

SPACER

10 x 30 mm

2шт.

Выбрано товаров: 15