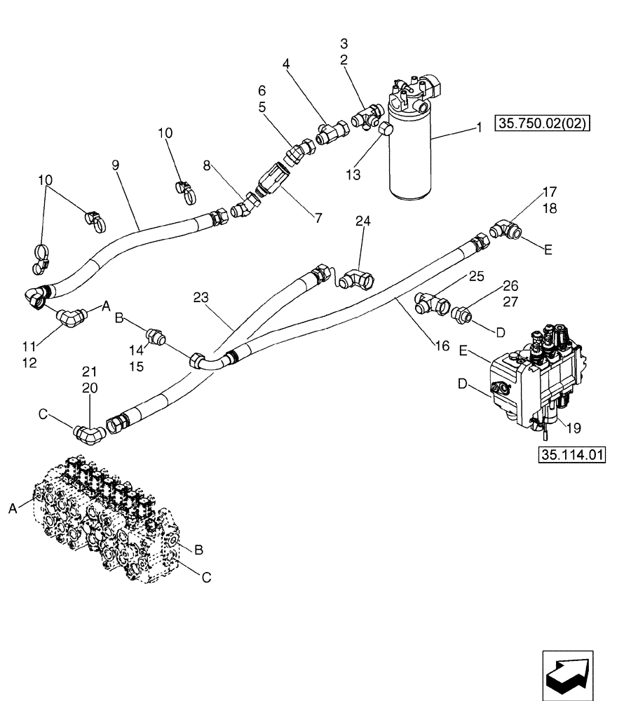
Запчасти Case 580SM (35.700.03) - HYDRAULICS - LOADER VALVE AND FILTER TO BACKHOE VALVE (VARIABLE VOLUME PUMP MODELS) (580SM+) (35) - HYDRAULIC SYSTEMS

Схема запчастей Case 580SM - (35.700.03) - HYDRAULICS - LOADER VALVE AND FILTER TO BACKHOE VALVE (VARIABLE VOLUME PUMP MODELS) (580SM+) (35) - HYDRAULIC SYSTEMS
3
19
23
27
25
10
16
21
17
14
24
18
4
2
13
35.750.02(02)
5
35.114.01
7
10
15
20
12
9
6
1
8
11
26
FIT
1:1
100%

Артикул

Название

Примечание

Количество

REF

INSTRUCTION

Models With Variable Volume Pump

1шт.

1

87440045

FILTER ASSY

Hydraulic Oil

1шт.

2

87436066

FITTING,1" 5/16 - 12 ORFS x 1" 5/16 - 12 ORB x 1 1/16" - 12 ORB x 7/8" - 14 ORB

Incl. Ref 3

1шт.

3

237-6016

O-RING,0.116" Thk x 1.171" ID, -916, Cl 6, 90 Duro

1шт.

4

218-5216

TEE,37 Degree, 1 1/16"-12x1 1/16"-12, Fem Sw Runx1 1/16"-12

1шт.

5

87752015

FITTING

Incl. 6

1шт.

6

237-6008

O-RING,0.087" Thk x 0.644" ID, -908, Cl 6, 90 Duro

1шт.

7

87743778

CHECK VALVE

1шт.

8

218-5176

ELBOW,45 Degree Elbow, 1-5/16" - 12 Male JIC x 1-5/16" - 12 Female JIC

1шт.

9

87751961

HYDRAULIC HOSE,25mm ID x 900mm L, SAE 100R16

900 mm; Filter To Check Valve To Backhoe Control Valve

1шт.

9

87751962

HYDRAULIC HOSE,25mm ID x 825mm L, SAE 100R16

825 mm; Filter To Check Valve To Backhoe Control Valve; Uni-Directional Hydraulics Only

1шт.

10

86991000

CLAMP

Tie, Duel

3шт.

11

218-5124

ELBOW,90 Degree Elbow, 1-5/16" - 12 Male JIC x 1-1/16" - 12 Male ORB

Incl. 12

1шт.

12

237-6012

O-RING,0.116" Thk x 0.924" ID, -912, Cl 6, 90 Duro

1шт.

13

218-335

CAP,37 Degree, 1 1/16"-12

1шт.

14

218-5069

HYD CONNECTOR,1-5/16" - 12 Male JIC x 1-5/16" - 12 Male ORB

Incl. 15

1шт.

15

237-6016

O-RING,0.116" Thk x 1.171" ID, -916, Cl 6, 90 Duro

1шт.

16

87628835

HYDRAULIC HOSE,25.4mm ID x 1025mm L, SAE 100R1AT

1025 mm; Loader Control Valve To Backhoe Control Valve; Return

1шт.

17

218-5110

ELBOW,90 Degree Elbow, 1-5/16" - 12 Male JIC x 1-5/16" - 12 Male ORB

Incl. Ref 18

1шт.

18

237-6016

O-RING,0.116" Thk x 1.171" ID, -916, Cl 6, 90 Duro

1шт.

19

REF

INSTRUCTION

VALVE Loader Control

1шт.

20

218-5124

ELBOW,90 Degree Elbow, 1-5/16" - 12 Male JIC x 1-1/16" - 12 Male ORB

Incl. 21

1шт.

21

237-6012

O-RING,0.116" Thk x 0.924" ID, -912, Cl 6, 90 Duro

1шт.

23

87476198

HYDRAULIC HOSE,25mm ID x 1050mm L, SAE 100R17

1050 mm; Loader Control Valve To Backhoe Control Valve

1шт.

24

218-5234

ELBOW,90 Degree, 1 5/16"-12, 37 Degree x 1 5/16"-12, 37 Degree Fem Sw

1шт.

25

218-5223

TEE,37 Degree, 1 5/16"-12 x 1 5/16"-12, Fem Sw Run

1шт.

26

218-5050

HYD CONNECTOR,1-5/16" - 12 Male JIC x 1-1/16" - 12 Male ORB

Incl. 27

1шт.

27

237-6012

O-RING,0.116" Thk x 0.924" ID, -912, Cl 6, 90 Duro

1шт.

Выбрано товаров: 28