Запчасти Case 580SM (35.701.03[02]) - HYDRAULICS - COUPLER, LOADER TOOL QUICK, (VARIABLE VOLUME PUMP MODELS) (580SM+) (35) - HYDRAULIC SYSTEMS

Схема запчастей Case 580SM - (35.701.03[02]) - HYDRAULICS - COUPLER, LOADER TOOL QUICK, (VARIABLE VOLUME PUMP MODELS) (580SM+) (35) - HYDRAULIC SYSTEMS
9
10
3
5
8
1
4
6
11
13
12
2
7
FIT
1:1
100%

Артикул

Название

Примечание

Количество

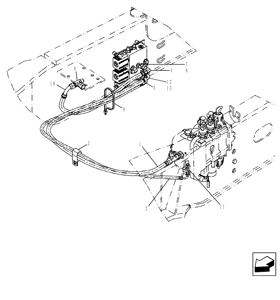
1

87714907

HYDRAULIC HOSE

1450 mm; Quick Coupler Pressure

1шт.

2

87614323

HYDRAULIC HOSE

1500 mm; Quick Coupler Load Sense

1шт.

3

D49498

CLAMP

1шт.

4

218-980

ELBOW,90 Degree, 9/16"-18, 37 Degree x 9/16"-18, 37 Degree Fem Sw

1шт.

5

218-5228

ELBOW,90 Degree, 7/16"-20, 37 Degree x 7/16"-20, 37 Degree Fem Sw

1шт.

6

218-840

TEE,37 Degree, 3/4"-16 x 3/4"-16, Fem Sw Br

1шт.

7

218-5057

HYD CONNECTOR,9/16" - 18 JIC x 9/16" - 18 ORB

Incl. 8

1шт.

8

237-6004

O-RING,0.072" Thk x 0.351" ID, -904, Cl 6, 90 Duro

1шт.

9

L18337

CABLE TIE,9.95"-12.1" lg

CABLE STRAP

1шт.

10

87649441

HYDRAULIC HOSE

593 mm; Coupler To Filter

1шт.

11

218-5478

TEE,7/16" - 20 JIC x 7/16" - 20 JIC x 7/16" - 20 JIC

1шт.

12

218-5089

HYD CONNECTOR,7/16" - 20 Male JIC x 9/16" - 18 Male ORB

Incl. 13

1шт.

13

237-6006

O-RING,0.078" Thk x 0.468" ID, -906, Cl 6, 90 Duro

1шт.

Выбрано товаров: 13