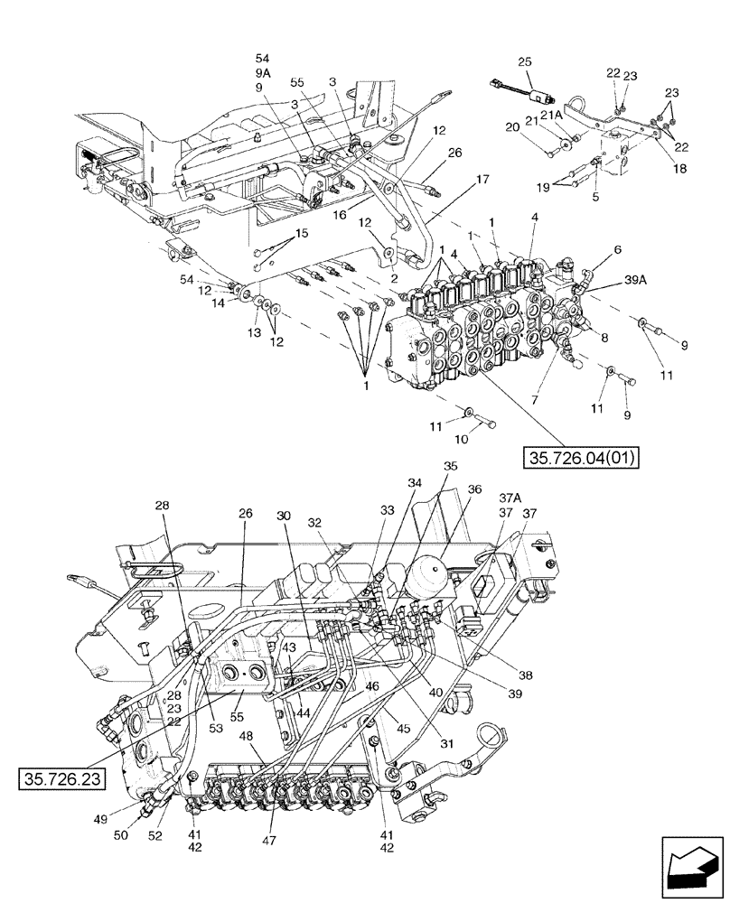
Запчасти Case 580SM (35.726.08[02]) - HYDRAULICS - PILOT CONTROLS (VARIABLE VOLUME PUMP MODELS) (580SM+) (35) - HYDRAULIC SYSTEMS

Схема запчастей Case 580SM - (35.726.08[02]) - HYDRAULICS - PILOT CONTROLS (VARIABLE VOLUME PUMP MODELS) (580SM+) (35) - HYDRAULIC SYSTEMS
21a
5
35.726.23
35.726.04(01)
46
26
37a
12
12
11
4
9
48
41
38
10
20
7
34
32
12
31
52
42
1
42
54
21
6
39
23
12
23
19
9
39a
13
37
17
37
2
41
9
18
35
14
30
54
50
43
28
55
44
53
25
1
49
40
8
23
16
3
1
11
1
26
22
22
4
36
15
11
9a
47
3
33
45
55
22
28
FIT
1:1
100%

Артикул

Название

Примечание

Количество

1

218-5089

HYD CONNECTOR,7/16" - 20 Male JIC x 9/16" - 18 Male ORB

Incl. 237-6006 O-Ring

9шт.

2

87423401

FITTING,1/4" JIC x 3/8" ORB

Special Orifice; 7/16 fl x 9/16 Or; Incl. 237-6006 O-Ring; If Unit Experiences Dipper Stuttering, As Dipper Is Moving Toward the Unit, Replace Ref 2 Fitting & Ref 30 & 45 Tubes, With (1) 87594363 Snubber, (2) 87594364 Hoses

1шт.

2

87594363

DAMPING VALVE

Snubber Fitting; Incl. 237-6006 O-ring; Used In Place of 87423401 Fitting On Models With Dipper Stuttering

1шт.

3

218-5107

90 ELBOW,90 Degree Elbow, 7/8" - 14 Male JIC x 7/8" - 14 Male ORB

Incl. 237-6010 O-Ring

3шт.

4

218-5365

ELBOW,45 Degree, 7/16"-20, 37 Degree x 9/16"-18, O-Ring

Includes 237-6006 O-Ring

2шт.

5

218-5105

ELBOW,90 Degree Elbow, 9/16" - 18 Male JIC x 9/16" - 18 Male ORB

Includes 237-6006; 2 Used on Models With Auto Up; 4 Used on Models Without Auto Up

2-4шт.

6

218-980

ELBOW,90 Degree, 9/16"-18, 37 Degree x 9/16"-18, 37 Degree Fem Sw

1шт.

7

218-5063

HYD CONNECTOR,7/8" - 14 Male JIC x 1-1/16" - 12 Male ORB

Includes 237-6012 O-Ring

2шт.

8

218-5232

ELBOW,90 Degree, 7/8"-14, 37 Degree x 7/8"-14, 37 Degree Fem Sw

1шт.

9

814-10045

BOLT,Hex, M10 x 1.5 x 45mm, Cl 8.8

3шт.

9a

895-11010

WASHER,11mm ID x 20mm OD x 2mm Thk

4шт.

10

814-10060

BOLT,Hex, M10 x 1.5 x 60mm, Cl 8.8

1шт.

11

896-15010

WASHER,11mm ID x 24mm OD x 3mm Thk

3шт.

12

496-41041

WASHER,13/32" x 1 1/8" x .134"

5шт.

13

D52276

ISOLATOR,10.16mm ID x 28.07mm OD x mm L

Mount

1шт.

14

87440712

BRACKET

Valve Mounting

1шт.

15

614-10030

BOLT,Hex, M10 x 1.5 x 30mm, Cl 8.8, Full Thd

2шт.

16

87426488

TUBE

Swing Dampening Upper Port

1шт.

17

87427948

TUBE

Swing Dampening Lower Port

1шт.

18

87450318

BRACKET

2шт.

19

814-8055

BOLT,Hex, M8 x 1.25 x 55mm, Cl 8.8

2шт.

20

814-8035

BOLT,Hex, M8 x 1.25 x 35mm, Cl 8.8

2шт.

21

496-81028

WASHER,10.31mm ID x 31.75mm OD x 4.06mm Thk

2шт.

21a

87437840

SPACER,11.5mm L

Not Illustrated

2шт.

22

895-11008

WASHER,9mm ID x 16mm OD x 1.6mm Thk

7шт.

23

829-1408

NUT,Hex, M8 x 1.25, Cl 10.9

7шт.

24

87423033

TEE

Includes 237-6004 O-Ring, 237-6006 O-Ring; Models With Auto Up, If Used

2шт.

25

87482634

PRESSURE SWITCH

Includes 237-6004 O-Ring; Models With Auto Up, 12 inch Wire Lead; With Rubber Snubbing; CNH Part Number Stamped On Body Of Switch; North American Models

2шт.

26

87434777

HYD TUBE

Reducing Valve Tank to Backhoe Valve

1шт.

28

614-8025

BOLT,Hex, M8 x 1.25 x 25mm, Cl 8.8, Full Thd

1шт.

29

515-2295

CLAMP,3/8", Insul, 5/16" Bolt

1шт.

30

87437623

TUBE,.25" OD

Selector A2 to Dipper Port A; If Unit Experiences Dipper Stuttering, As Dipper Is Moving Toward the Unit, Replace Ref 2 Fitting & Ref 30 & 45 Tubes, With (1) 87594363 Snubber, (2) 87594364 Hoses

1шт.

30

87594364

HYDRAULIC HOSE,6mm ID x 550mm L

550 mm (21-21/32 in); Used in Place of 87437623 Tube On Models With Dipper Stuttering

1шт.

31

86596853

QUICK MALE COUPLING,9/16"-18

Includes 9617873 O-Ring

1шт.

32

218-5243

TEE,9/16" - 18 Male JIC x 9/16" - 18 Male JIC x 9/16" - 18 Male ORB

Includes 237-6006 O-Ring

1шт.

33

218-5057

HYD CONNECTOR,9/16" - 18 JIC x 9/16" - 18 ORB

Incl. 237-6006 O-Ring

1шт.

34

218-980

ELBOW,90 Degree, 9/16"-18, 37 Degree x 9/16"-18, 37 Degree Fem Sw

2шт.

35

218-593

TEE,9/16"-18, 37 Degree

1шт.

36

87425225

ACCUMULATOR,0.16L

Includes 237-6008 O-Ring

1шт.

37

840-1416

SCREW,Pan, M4 x 16mm, Cl 4.8

3шт.

37a

893-11004

LOCK WASHER,Ext Tooth, M4

1шт.

38

218-5053

HYD CONNECTOR,7/16" - 20 JIC x 7/16" - 20 ORB

Incl. 237-6004 O-Ring

12шт.

39

218-5105

ELBOW,90 Degree Elbow, 9/16" - 18 Male JIC x 9/16" - 18 Male ORB

Includes 237-6006 O-Ring

2шт.

39a

218-5105

ELBOW,90 Degree Elbow, 9/16" - 18 Male JIC x 9/16" - 18 Male ORB

Includes 237-6006 O-Ring

1шт.

40

87439215

HYD TUBE

Selector A4 to Boom Port A

1шт.

41

829-1410

NUT,M10 x 1.5, Cl 10.9

5шт.

42

892-11010

LOCK WASHER,M10

4шт.

43

87437627

HYD TUBE

Reducing Valve to Left-Hand Stabilizer Port A

1шт.

44

87445557

HYD TUBE

Reducing Valve to Right-Hand Stabilizer Port A; Used With 45 deg Elbow, Ref 44B

1шт.

45

87437621

TUBE,.25" OD

Selector A1 to Dipper Port B; If Unit Experiences Dipper Stuttering, As Dipper Is Moving Toward the Unit, Replace Ref 2 Fitting & Ref 30 & 45 Tubes, With (1) 87594363 Snubber, (2) 87594364 Hoses

1шт.

45

87594364

HYDRAULIC HOSE,6mm ID x 550mm L

550 mm (21-21/32 in); Used in Place of 87437621 Tube On Models With Dipper Stuttering

1шт.

46

87437629

HYD TUBE

Reducing Valve to Right-Hand Stabilizer Port B

1шт.

47

87437625

HYD TUBE

Reducing Valve to Left-Hand Stabilizer Port B

1шт.

48

87439213

HYD TUBE

Selector A3 to Boom Port B

1шт.

49

218-5182

TEE,9/16" - 18 Male JIC x 9/16" - 18 Male JIC x 9/16" - 18 Male ORB

Includes 237-6006 O-Ring

1шт.

50

218-754

CAP,37 Degree, 9/16"-18

1шт.

52

87352590

HYDRAULIC HOSE

809 mm (31-7/8 in); Reducing Valve Pressure to Backhoe Valve

1шт.

53

515-22127

CLAMP,1/2", Insul, 5/16" Bolt

1шт.

54

829-1410

NUT,M10 x 1.5, Cl 10.9

3шт.

55

87480653

DAMPING VALVE

Swing Dampening

1шт.

Выбрано товаров: 60