Запчасти Case 580SM (10.110.03) - DYNAMIC BALANCER, HOUSING (10) - ENGINE

Схема запчастей Case 580SM - (10.110.03) - DYNAMIC BALANCER, HOUSING (10) - ENGINE
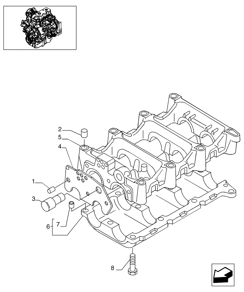
1
3
8
2
7
5
4
6
FIT
1:1
100%

Артикул

Название

Примечание

Количество

2855744

HOUSING

Dynamic Balancer; Incl. 1 - 8

1шт.

1

2831305

DOWEL,M8 x 17 L

1шт.

2

4899027

DOWEL,M14.05 x 14 L

2шт.

3

2830948

IDLE SHAFT

1шт.

4

2855746

THRUST PLATE

1шт.

5

2831303

HOUSING

1шт.

6

2831302

HOUSING

Incl. 7

1шт.

7

4891209

DOWEL,M13 x 8 L

6шт.

8

4895323

FLANGE BOLT,Hex, M8 x 1.25 x 40mm

12шт.

Выбрано товаров: 9