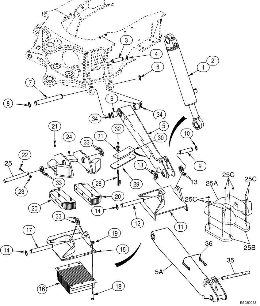
Запчасти Case 590SM (09-19) - BACKHOE - STABILIZERS, PLATES AND PADS (09) - CHASSIS/ATTACHMENTS

Схема запчастей Case 590SM - (09-19) - BACKHOE - STABILIZERS, PLATES AND PADS (09) - CHASSIS/ATTACHMENTS
8
11
6
8
35
25c
22
21
33
33
15
36
25c
34
34
1
25
20
2
30
1
14
25c
5a
20
29
10
32
3
7
23
17
33
14
31
13
25b
13
18
16
2
5
9
24
25a
28
4
FIT
1:1
100%

Артикул

Название

Примечание

Количество

1

177256A1

HYDRAULIC CYLINDER,Double Acting, 57.2mm Rod, 519.4mm Stroke

127 ID x 519 mm strk; Stabilizer; RH; See Figure 08-56

1шт.

1

177256A1R

REMAN-HYD CYLINDER

590SM

1шт.

1

177256A1C

CORE-HYD CYLINDER

Return Number

1шт.

2

177257A1

HYDRAULIC CYLINDER,Double Acting, 57.2mm Rod, 519.4mm Stroke

127 ID x 519 mm strk; Stabilizer; LH; See Figure 08-56

1шт.

2

177257A1R

REMAN-HYD CYLINDER

590SM

1шт.

2

177257A1C

CORE-HYD CYLINDER

Return Number

1шт.

3

D38907

PIN,1.75" OD x 5 5/16 L

2шт.

4

103-16175

SNAP RING,#175, Ext

4шт.

5

192111A1

ASSEMBLY

Incl. Ref 6; No Longer Used; Order 446220A1, Ref 5A

2шт.

5a

446220A1

STABILIZER

1307 mm (51-7/16 in); Incl. Ref 6; Replaces 192111A1

2шт.

6

D50146

BUSHING,44.68mm ID x 57.15mm OD x 38.1mm L

2шт.

7

121665A1

PIN,44.4mm OD x 308mm L

2шт.

8

103-16175

SNAP RING,#175, Ext

4шт.

9

R26725

PIN,152.4mm OD x 44.45mm L

W/O Lube Fitting

2шт.

9

47857124

PIN,44.4mm OD x 152.4mm L

W Lube Fitting

2шт.

9

219-1

LUBE NIPPLE,1/8" - 27 NPTF

2шт.

10

D25280

SNAP RING,#175, Ext

4шт.

11

D88427

PLATE

Cleated; If Used

2шт.

12

D28648

PIN,1.5" OD x 10 7/16" L

2шт.

13

D143406

WASHER,38.23mm ID x 63.88mm OD x 2.9mm Thk

Used as a Spacer

1шт.

14

D25279

SNAP RING,M35, Int

4шт.

15

D142519

SHOE (ASSY)

Street or Cemetery; If Used

2шт.

16

D61368

PAD

Rubber; If used

2шт.

17

D39256

AXLE PIN,38.1mm OD x 238.13mm L

2шт.

18

413-1228

BOLT,Hex, 3/4" - 10 x 1-3/4", Gr 5

8шт.

19

425-1012

NUT,3/4"-10, G5

8шт.

400974A1

PAD

Pad/A, Flip Over; Incl. Ref 20 - 25; No Longer Used; Order 416670a1

2шт.

20

395753A2

PAD, RUBBER

2шт.

21

231-4247

LOCK NUT,7/16"-14, GB

6шт.

22

413-632

BOLT,Hex, 3/8" - 16 x 2", Gr 5

2шт.

23

230-4216

LOCK NUT,3/8"-16, GA

2шт.

24

400880A1

PAD

Flip Over

1шт.

25

D149033

PIN,38.1mm OD x 323.5mm L

If Used

1шт.

416670A1

Pad/A, Stabilizer Flip; Incl. Ref 25A - 25C

2шт.

25a

416668A1

PAD

Stabilizer; If Used

1шт.

25b

339680A2

PAD, RUBBER

Flip

2шт.

25c

832-41312

NUT,M12 x 1.75, Cl 10

8шт.

28

190057A1

BOLT,J, 3/8" - 16 x 11", Gr 2

2шт.

29

190037A1

PAD

1шт.

30

192050A1

BAR

1шт.

31

495-21044

WASHER,3/8"

(7/16 x 1 x 5/64)

2шт.

32

230-4216

LOCK NUT,3/8"-16, GA

2шт.

33

D143406

WASHER,38.23mm ID x 63.88mm OD x 2.9mm Thk

Used as a Spacer

1шт.

34

495-81282

WASHER,2 1/16" x 3" x .109"

1шт.

35

408405A1

PIVOT PIN,25.4mm OD x 300mm L

Used With 416670A1 Only; If Used

1шт.

36

446454A1

PIN,4.5mm OD x 305mm L

Used With 416670A1 Only; If Used

1шт.

Выбрано товаров: 0