Запчасти Case 590SM (09-35) - TANK, OIL - BOX, BATTERY AND TOOL (09) - CHASSIS/ATTACHMENTS

Схема запчастей Case 590SM - (09-35) - TANK, OIL - BOX, BATTERY AND TOOL (09) - CHASSIS/ATTACHMENTS
37
46
32
23
3a
5
51
12
20
52
49a
2
8
27
25
1a
14
48
47a
1
51
6
18
22
31
36
33
26
24
2
54
17
28
4a
16
30
1b
51
18
54
51
7
19
29
21
51
19
32
3
55
47
13
53
4
50
49
FIT
1:1
100%

Артикул

Название

Примечание

Количество

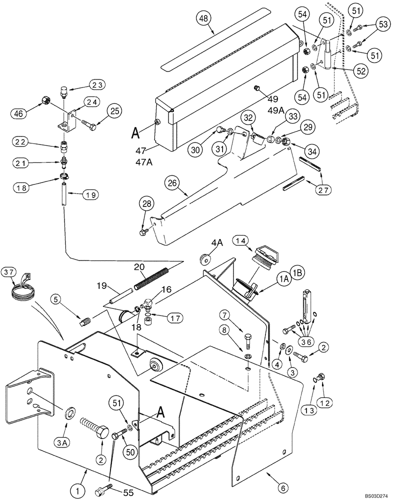
1

353389A4

TANK, HYDRAULIC OIL

Right-Hand Side Of Chassis; Incl. Ref 1A, 1B, 12; If Used

1шт.

1

87408255

TANK, HYDRAULIC OIL

Right-Hand Side of Chassis; Incl. Ref 1A, 1B, 12; If Used

1шт.

1a

230857A1

FILTER SCREEN

Strainer; Fill Tube

1шт.

1b

440-1066

SCREW,Cross Pan Hd, #6-32 x 3/8"

2шт.

2

627-20060

BOLT,Hex, M20 x 2.5 x 60mm, Cl 10.9, Full Thd

Use with Loctite 345-49

4шт.

3

302358A1

WASHER,21mm ID x 54mm OD x 4mm Th

Right-Hand

2шт.

3a

896-11020

WASHER,22mm ID x 37mm OD x 4mm Thk

Left-Hand

2шт.

4

185926A1

SPACER,21mm x 40mm x 6.6mm Th

Right-Hand; Upper

1шт.

4a

409473A1

SPACER

Right-Hand; Lower

1шт.

5

217-436

PLUG,Hex Soc, 3/8" - 18 NPTF

If Used

1шт.

6

231656A1

COVER

Battery

1шт.

7

614-10020

BOLT,Hex, M10 x 1.5 x 20mm, Cl 8.8, Full Thd

Use with 345-56 Loctite No. 767; Replaces 614-10025 25mm lg Bolt Used On Some Models

4шт.

8

495-21044

WASHER,3/8"

4шт.

12

86625138

PLUG,7/18" - 14

Drain; Includes Ref. 13

1шт.

13

237-6010

O-RING,0.097" Thk x 0.755" ID, -910, Cl 6, 90 Duro

Boss Seal

1шт.

14

138595A1

FILLER CAP,Male, Lockable

1шт.

16

217-347

FITTING,90 Degree Elbow, 3/8" Hose Barb x 9/16" - 18 Male ORB

Incl. Ref 17

1шт.

18

214-1406

HOSE CLAMP,#06, 0.44" - 0.78", Type F Worm

2шт.

19

87363421

HOSE, BULK,9.53mm ID x 912mm L

HOSE, METERS 912 mm (35-29/32 in); Vent; Replaces 393161A1 Hose

1шт.

20

143219A1

HOSE PROTECTION,19mm ID x 24mm OD x 450mm L

1шт.

21

217-380

FITTING,3/8" Hose Barb x 3/8" Male NPTF

Use With 345-147 Sealant

1шт.

22

217-1102

HYD CONNECTOR,3/8" - 18 NPT x 3/8" - 18 NPT

1шт.

23

361776A1

BREATHER,3/8"-18

3/5 PSI; Use With 345-147 Sealant; Replaces 120943A1, 6/12 PSI Breather

1шт.

24

122603A1

SUPPORT

1шт.

25

711-10030

CARRIAGE BOLT,Sq Nk, M10 x 1.5 x 30mm, Cl 8.8

1шт.

26

399959A2

COVER

Right-Hand Loader Lift Frame Tubing

1шт.

27

191047A1

MOLDING

315 mm (12-13/32 in) lg; Apply 75 mm (3 in) of Trim to Front Lower Edge and 575 mm (22-41/64 in) of Trim to Outside Lower Edge of Cover

1шт.

28

307577A1

BOLT

M8 x 20

1шт.

30

814-10045

BOLT,Hex, M10 x 1.5 x 45mm, Cl 8.8

1шт.

31

892-11010

LOCK WASHER,M10

1шт.

32

D138055

CLAMP

1шт.

33

120303A1

SPACER,11mm ID x 15.82mm OD x 15mm Thk

1шт.

34

829-1410

NUT,M10 x 1.5, Cl 10.9

1шт.

35

345-49

SEALANT

Loctite, 1 ml

1шт.

36

226456A1

LEVEL GAUGE

Aluminum; Incl. (2) Hollow Head Bolts and (4) 238-6114 O-Rings; Used with Ref 35

1шт.

37

D40442

MOLDING

305 mm (12 in); Cut From F42827

1шт.

46

829-1410

NUT,M10 x 1.5, Cl 10.9

1шт.

47

380807A3

BOX, TOOL

No Longer Available; Order 380807A4, Ref 47A

1шт.

47a

380807A4

BOX, TOOL

Use With L60224 Ref 49A, Bumper

1шт.

48

D80270

ANTI-SKID STRIP,635mm / 25 Inch

Non-Slip, 635 mm (25 in) x 51 mm (2 in)

1шт.

49

356283A1

GROMMET

For 5/16 in Hole; Used With 380807A3 Ref 47, Tool Box; If Used

1шт.

49a

L60224

BUMPER

For 1/2 in Hole; Used With 380807A4 Ref 47A, Tool Box

1шт.

50

614-10025

BOLT,Hex, M10 x 1.5 x 25mm, Cl 8.8

If Used

1шт.

52

382202A2

HINGE

1шт.

53

614-10025

BOLT,Hex, M10 x 1.5 x 25mm, Cl 8.8

2шт.

54

829-1410

NUT,M10 x 1.5, Cl 10.9

2шт.

55

121856A1

BOLT,Hex, M10 x 1.5 x 30mm, Cl 10.9

Pointed Self-Aligning With Washer; If Used

1шт.

29

895-11010

WASHER,11mm ID x 20mm OD x 2mm Thk

1шт.

51

895-11010

WASHER,11mm ID x 20mm OD x 2mm Thk

4-5шт.

17

237-6006

O-RING,0.078" Thk x 0.468" ID, -906, Cl 6, 90 Duro

Boss seal

1шт.

Выбрано товаров: 50