Запчасти Case 590SM (09-41) - HOOD - GRILLE AND CHAFF SCREEN (09) - CHASSIS/ATTACHMENTS

Схема запчастей Case 590SM - (09-41) - HOOD - GRILLE AND CHAFF SCREEN (09) - CHASSIS/ATTACHMENTS
6
28
2
28
27
5
14
4
26
27
18
11
18
29
13
12
20
22
16
4
4
3
3
34
9
1
15
6
36
4
14
9
5
29
8
19
24
25
13
10
12
15
35
FIT
1:1
100%

Артикул

Название

Примечание

Количество

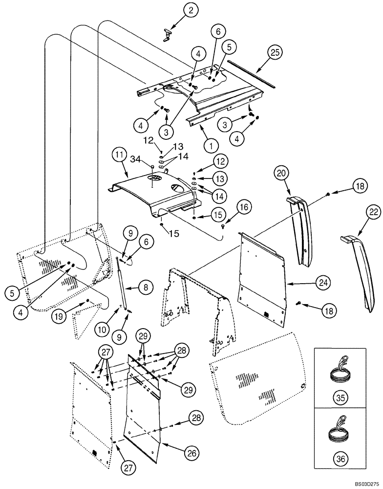
1

362340A6

HOOD

Replaces 362340A4

1шт.

2

175599A1

LATCH

1шт.

3

614-10025

BOLT,Hex, M10 x 1.5 x 25mm, Cl 8.8

6шт.

5

825-2410

FLANGE NUT,M10 x 1.5, Flg, Cl 8

6шт.

8

114980A1

GAS STRUT

Spring

2шт.

9

139363A1

BALL JOINT,M10 x 1.5mm x 42mm L

4шт.

10

F44883

CLIP,DIN 71805 - S10

4шт.

11

356800A8

HOOD

Replaces 356800A5 and 356800A7

1шт.

12

440-11012

SCREW,Cross Pan Hd, #10-24 x 3/4"

3шт.

13

109879A1

SPACER,5.5mm ID x 30mm OD

3шт.

14

185325A1

SPACER,5.5mm ID x 30mm OD x 2mm L

4шт.

15

86625057

NUT,#10-24, GB

3шт.

16

392828A2

BOLT,M10-1.5 x 40mm L W/CAPTURED WASHER

4шт.

18

392828A2

BOLT,M10-1.5 x 40mm L W/CAPTURED WASHER

8шт.

19

825-2410

FLANGE NUT,M10 x 1.5, Flg, Cl 8

4шт.

20

381927A1

BUMPER

Left-Hand

1шт.

22

381926A1

BUMPER

Right-Hand

1шт.

24

355542A2

GRILLE

1шт.

25

233262A1

SEALING STRIP,20mm W x 596mm L x 6mm Thk

1шт.

26

253889A1

SCREEN

1шт.

27

255447A1

THREADED INSERT

8шт.

28

257381A1

BOLT

8шт.

29

257382A1

WASHER,6.6mm ID x 25mm OD x 1.6mm Thk

8шт.

34

353-402

PLUG,Dome, .375" hole, Nylon

Models without Windshield Washer

1шт.

35

234923A1

PROTECTOR

150 mm (5-29/32 in); If Used

2шт.

36

363078A2

MOLDING

830 mm (32-11/16 in); If Used

2шт.

4

895-11010

WASHER,11mm ID x 20mm OD x 2mm Thk

7шт.

6

895-11010

WASHER,11mm ID x 20mm OD x 2mm Thk

4шт.

Выбрано товаров: 0