Запчасти Case 590SM (09-68) - CANOPY, ROPS - FRAME, COVERS, MIRROR, VISOR (09) - CHASSIS/ATTACHMENTS

Схема запчастей Case 590SM - (09-68) - CANOPY, ROPS - FRAME, COVERS, MIRROR, VISOR (09) - CHASSIS/ATTACHMENTS
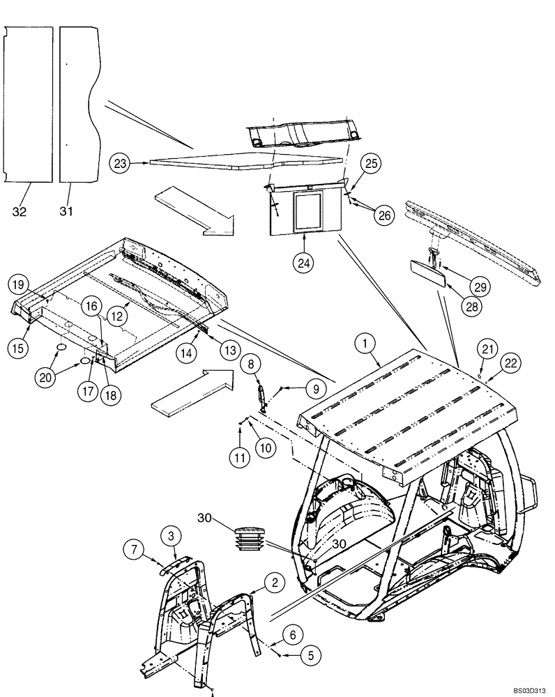
6
14
30
11
8
1
5
15
17
10
2
22
23
3
30
24
32
28
9
31
25
20
19
13
21
12
7
18
16
26
29
FIT
1:1
100%

Артикул

Название

Примечание

Количество

1

367847A3

ROPS

ASSEMBLY Wide; Order From Machinery Price List; Replaces 367847A2

1шт.

2

396938A3

MOLDING

Firewall

1шт.

3

395478A3

BRACKET

Replaces 395478A2

1шт.

4

D143242

PLUG,7.1mm Dia Shank x 25.4mm OD Head x 23.1mm L

6шт.

5

614-8020

BOLT,Hex, M8 x 1.25 x 20mm

3шт.

6

495-81001

WASHER,5/16"

3шт.

7

832-10408

NUT,M8 x 1.25, Cl 8.8

3шт.

8

392930A1

GRAB RAIL

Grab Handle

1шт.

9

811-10025

CARRIAGE BOLT,Sht Sq Nk, M10 x 1.5 x 25mm, Cl 8.8

2шт.

10

495-81267

WASHER,.469" x 1 1/2" x .134"

2шт.

11

832-10410

NUT,M10 x 1.5, Cl 8

2шт.

12

385506A1

PROTECTION STRIP

127 mm; Foam; Adhesive Back

1шт.

13

367712A3

COVER

Harness

1шт.

14

F64519

SELF-TAP SCREW,Cross Wash Hd, #10-16 x 3/4"

No. 10 x 3/4; For Service, Order 265-16512, F64315

5шт.

15

357099A1

COVER

Left-Hand

1шт.

16

357100A1

COVER

Right-Hand

1шт.

17

87310098

BOLT,M6 x 20 Full SST BLO

M6 x 20

4шт.

18

833-40406

NUT,M6, U

4шт.

19

353-402

PLUG,Dome, .375" hole, Nylon

4шт.

20

1302758C1

PLUG

3 in

2шт.

21

353-410

PLUG,Dome, .875" hole, Nylon

Windshield Frame; Models without Radio Antenna

1шт.

22

353-421

PLUG,Dome, .187" hole, Nylon

Upper Windshield Frame

2шт.

23

382160A2

PANEL

If Used

1шт.

24

364180A1

VISOR, SUN

1шт.

25

409618A1

PLATE

1/4 in Mounting Hole; Replaces 376159A1 Plate With 7/32 in Mounting Hole

2шт.

26

396516A1

SCREW,POINTED

No. 10 x 1 st; With Washers; Phillips

2шт.

28

364574A2

MIRROR ASSY.

1шт.

29

286-56520

SELF-TAP SCREW,Cross Fil Hd, #10-24 x 1 1/4"

2шт.

30

382298A1

PLUG

7/8 in

2шт.

31

431583A1

PANEL

Front Pad; If Used

1шт.

32

431584A1

PANEL

Rear Pad; If Used

1шт.

Выбрано товаров: 31