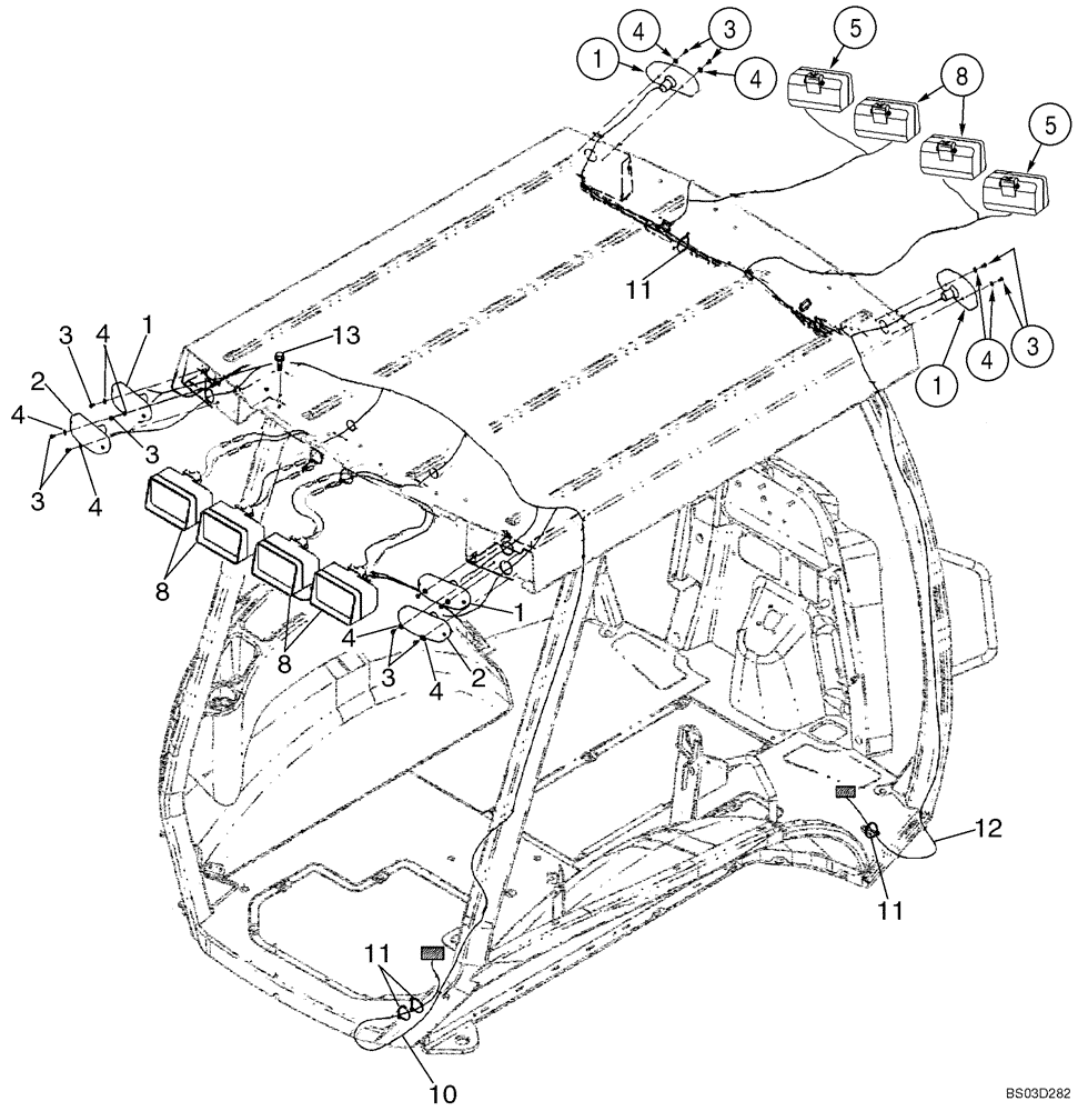
Запчасти Case 590SM (04-14) - ELECTRICAL - LAMPS, ROPS CANOPY (04) - ELECTRICAL SYSTEMS

Схема запчастей Case 590SM - (04-14) - ELECTRICAL - LAMPS, ROPS CANOPY (04) - ELECTRICAL SYSTEMS
3
12
1
4
4
3
5
3
4
4
11
1
3
1
8
11
8
10
2
11
4
3
5
2
4
4
8
3
4
1
13
FIT
1:1
100%

Артикул

Название

Примечание

Количество

1

D135384

LAMP,12V

Turn Signal and Flasher; See Figure 04-16

4шт.

2

D121152

LAMP,12V

Stop And Tail; See Figure 04-16

2шт.

3

329032A1

SELF-TAP SCREW,Hex WAHR HD TPG #10 x 0.375 END TT

No. 10 x 3/8

12шт.

4

495-31022

WASHER,#10

12шт.

5

398846A3

LIGHT ASSY.

Front Driving; Includes 1312210C2, 404996A1

2шт.

1312210C2

BULB,Halogen H3, 12V, 55W

12V, 55W

1шт.

404996A1

1шт.

8

398847A3

WORK LAMP,Halogen, 12V, 55W, Clear

Front and Rear Flood and Work Lamps; Includes 1312210C2, 276498A1

6шт.

1312210C2

BULB,Halogen H3, 12V, 55W

12V, 55W

1шт.

276498A1

LENS

With Hardened Glass; Replaces 1964801C1 Non-Hardened Lens Used In Production

1шт.

10

396023A2

WIRE HARNESS

Canopy Lamps; Rear

1шт.

11

L18337

CABLE TIE,9.95"-12.1" lg

CABLE STRAP 15 in

1шт.

12

404617A1

WIRE HARNESS

Canopy Lamps; Front

1шт.

13

128312A1

FLANGE BOLT,Hvy Hex, M10 x 1.5 x 15mm, Gr 8.8

M10 x 15

8шт.

Выбрано товаров: 14