Запчасти Case 590SM (04-17) - HORN - ALARM, BACKUP (04) - ELECTRICAL SYSTEMS

Схема запчастей Case 590SM - (04-17) - HORN - ALARM, BACKUP (04) - ELECTRICAL SYSTEMS
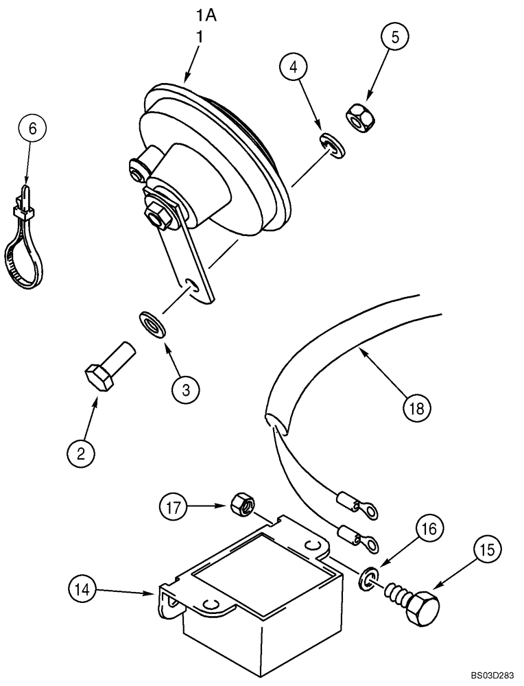
18
1a
2
4
6
15
3
5
17
1
16
14
FIT
1:1
100%

Артикул

Название

Примечание

Количество

1

3057542R91

HORN

If Used

1шт.

1a

237582A1

HORN

Black; Replaces 3057542R91

1шт.

2

614-8020

BOLT,Hex, M8 x 1.25 x 20mm

1шт.

3

895-11008

WASHER,9mm ID x 16mm OD x 1.6mm Thk

1шт.

4

892-11008

LOCK WASHER,8mm ID

1шт.

5

829-1408

NUT,Hex, M8 x 1.25, Cl 10.9

1шт.

6

L18337

CABLE TIE,9.95"-12.1" lg

CABLE STRAP 15 in

2шт.

14

109511A1

ALARM

1шт.

15

614-8025

BOLT,Hex, M8 x 1.25 x 25mm, Cl 8.8, Full Thd

2шт.

16

895-11008

WASHER,9mm ID x 16mm OD x 1.6mm Thk

2шт.

17

832-10408

NUT,M8 x 1.25, Cl 8.8

2шт.

18

396014A1

HARNESS

For Clamp, See Figure 04-04

1шт.

Выбрано товаров: 12