Запчасти Case 590SM (06-01) - AXLE, FRONT DRIVE - MOUNTING (06) - POWER TRAIN

Схема запчастей Case 590SM - (06-01) - AXLE, FRONT DRIVE - MOUNTING (06) - POWER TRAIN
4a
9
7
1
21
28
5a
2
10
27
20
16
26
29
31
18
5
3
11
22
32
30
6
17
8
4
19
FIT
1:1
100%

Артикул

Название

Примечание

Количество

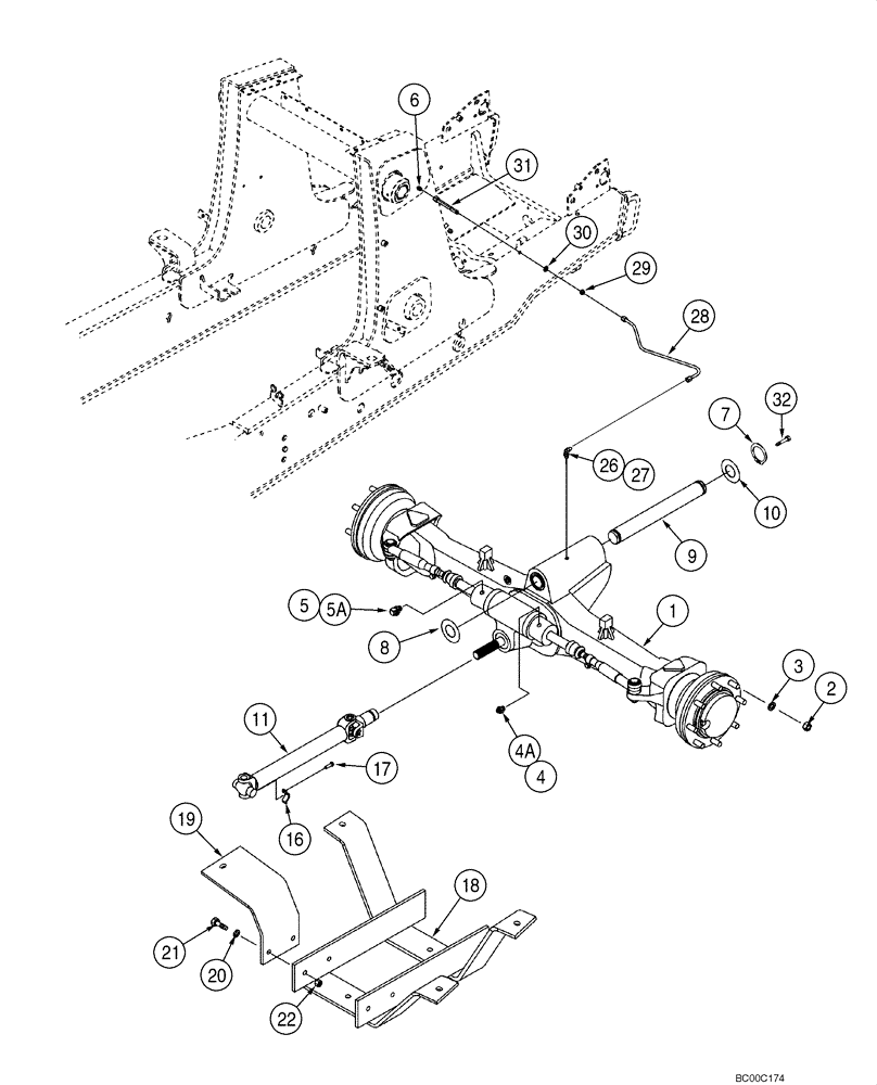
1

381382A1

4WD AXLE ASSY

Front, Models Without Powershift Transmission, See Figures 06-02 - 06-08

1шт.

1

87417392R

REMAN-FRT AXLE 4 WD

Reman for New PN 381382A1

1шт.

1

87417392C

CORE-FRT AXLE 4 WD

Return Number

1шт.

1

381383A1

4WD AXLE ASSY

Front, Models With Powershift Transmission, See Figures 06-02 - 06-08

1шт.

2

825-11418

NUT,M18 x 1.5, Cl 8

M18

16шт.

3

496-81000

WASHER,25/32" x 1 3/8" x .134", HDN

16шт.

4

218-5351

HYD CONNECTOR,3/4"-16, 37 Degree x 9/16"-18, O-Ring

3/4 fl x 9/16 Or, Incl. Ref 4A

1шт.

4a

237-6006

O-RING,0.078" Thk x 0.468" ID, -906, Cl 6, 90 Duro

1шт.

5

218-5280

ELBOW,90 Degree, 3/4"-16, 37 Degree x 9/16"-18, O-Ring

Elbow, 90 deg, 3/4 fl x 9/16 Or, Incl. Ref 5A

1шт.

5a

237-6006

O-RING,0.078" Thk x 0.468" ID, -906, Cl 6, 90 Duro

1шт.

6

219-1

LUBE NIPPLE,1/8" - 27 NPTF

1шт.

7

800-44050

SNAP RING,M50, Ext

No. 50

2шт.

8

191796A1

WASHER,51.6mm ID x 92mm OD x 1.98mm Thk

2 x 4 x 1/16

1шт.

9

391451A1

PIVOT PIN,50mm OD x 431.5mm L

1шт.

10

D123684

WASHER,52.3mm ID x 114mm OD x 4.78mm Thk

Thrust, 2-1/2 x 4-1/2 x 3/16

1шт.

11

367861A2

DRIVE SHAFT

See Figure 06-09; Replaces 367861A1

1шт.

16

90-6682T1

CLAMP

2шт.

17

9637611

SCREW,Hex Flng, 5/16" - 24 x 3/4"

Hex Flange Head, Special, 5/16 - 24 UNF x 1-1/16; Replaces D137627 Bolt

4шт.

18

282038A2

GUARD

Drive Shaft

1шт.

19

282033A1

BRACKET

1шт.

20

495-21056

WASHER,1/2"

9/16 x 1-3/8 x 7/64

8шт.

21

827-12045

BOLT,Hex, M12 x 1.75 x 45mm, Cl 10.9, Full Thd

6шт.

22

829-1412

NUT,M12, Cl 10.9

2шт.

26

218-5103

90 ELBOW,90 Degree Elbow, 7/16" - 20 Male JIC x 7/16" - 20 Male ORB

90 deg, 7/16 fl x adj Or, Incl. Ref 27

1шт.

27

237-6004

O-RING,0.072" Thk x 0.351" ID, -904, Cl 6, 90 Duro

1шт.

28

381386A1

HOSE ASSY.,1/8" ID x 500mm L, ES-B120 Class 16

500 mm (19-11/16 in), Lubrication Line

1шт.

29

218-1275

NUT,Blkhd, 7/16"-20

7/16

1шт.

30

495-11047

WASHER,7/16", SAE

(15/32 x 59/64 x 1/16")

1шт.

31

381442A1

CONNECTION

Lubrication Line

1шт.

32

614-12025

BOLT,Hex, M12 x 1.75 x 25mm, Cl 8.8, Full Thd

1шт.

87417393R

REMAN-FRT AXLE 4 WD

REMAN-FRONT AXLE, 4WD Remanufactured AXLE - NA Only

1шт.

Выбрано товаров: 31