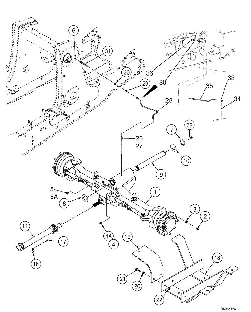
Запчасти Case 590SM (06-01) - AXLE, FRONT DRIVE - MOUNTING (06) - POWER TRAIN

Схема запчастей Case 590SM - (06-01) - AXLE, FRONT DRIVE - MOUNTING (06) - POWER TRAIN
17
5a
32
11
9
1
30
31
3
21
35
27
28
5
22
4
19
34
5a
16
36
2
10
20
4a
18
33
6
7
29
30
26
FIT
1:1
100%

Артикул

Название

Примечание

Количество

1

87417392

4WD AXLE ASSY

Front, Models Without Powershift Transmission, See Figures 06-02 - 06-08

1шт.

1

87417392R

REMAN-FRT AXLE 4 WD

REMAN-FRONT AXLE, 4WD Remanufactured, 87417392 Axle

1шт.

1

87417392C

CORE-FRT AXLE 4 WD

CORE-FRONT AXLE, 4WD Return Number, 387417392 Axle, Core, Use This Part Number To Return Core For Credit When Using A Remanufactured Assy

1шт.

1

87417393

4WD AXLE ASSY

Front, Models With Powershift Transmission, See Figures 06-02 - 06-08

1шт.

87417393R

REMAN-FRT AXLE 4 WD

REMAN-FRONT AXLE, 4WD Remanufactured, 87417393 Axle, North America Only

1шт.

87417393C

CORE-FRT AXLE 4 WD

CORE-FRONT AXLE, 4WD Return Number, 387417393 Axle, Core, Use This Part Number To Return Core For Credit When Using A Remanufactured Assy, N.A. Only

1шт.

2

825-11418

NUT,M18 x 1.5, Cl 8

16шт.

3

496-81000

WASHER,25/32" x 1 3/8" x .134", HDN

16шт.

4

218-5351

HYD CONNECTOR,3/4"-16, 37 Degree x 9/16"-18, O-Ring

Incl. Ref 4A

1шт.

4a

237-6006

O-RING,0.078" Thk x 0.468" ID, -906, Cl 6, 90 Duro

1шт.

5

218-5529

ELBOW,45 Degree, 9/16" - 18 ORB x 3/4" - 16 JIC

Incl. Ref 5A

1шт.

5a

237-6006

O-RING,0.078" Thk x 0.468" ID, -906, Cl 6, 90 Duro

1шт.

6

219-1

LUBE NIPPLE,1/8" - 27 NPTF

If Used

1шт.

7

800-44050

SNAP RING,M50, Ext

2шт.

8

191796A1

WASHER,51.6mm ID x 92mm OD x 1.98mm Thk

2 x 4 x 1/16

1шт.

9

87404197

PIVOT PIN,50mm OD x 426.5mm L

Pivot Pin

1шт.

10

D123684

WASHER,52.3mm ID x 114mm OD x 4.78mm Thk

Thrust, 2-1/2 x 4-1/2 x 3/16

1шт.

11

367861A2

DRIVE SHAFT

See Figure 06-09; Dana Brand; No Longer Available, Order 87405326 Driveshaft

1шт.

11

87405326

DRIVE SHAFT

Neapco Brand; Component Parts Not Available

1шт.

16

90-6682T1

CLAMP

2шт.

17

9637611

SCREW,Hex Flng, 5/16" - 24 x 3/4"

Hex Flange Head, Special, 5/16 - 24 UNF x 1-1/16; Replaces D137627 Bolt

4шт.

18

282038A2

GUARD

Drive Shaft

1шт.

19

282033A1

BRACKET

1шт.

20

495-81025

WASHER,13.49mm ID x 31.75mm OD x 4.93mm Thk

8шт.

21

827-12045

BOLT,Hex, M12 x 1.75 x 45mm, Cl 10.9, Full Thd

6шт.

22

829-1412

NUT,M12, Cl 10.9

2шт.

26

218-5053

HYD CONNECTOR,7/16" - 20 JIC x 7/16" - 20 ORB

Incl. Ref 27; If Used

1шт.

27

237-6004

O-RING,0.072" Thk x 0.351" ID, -904, Cl 6, 90 Duro

1шт.

28

87433730

HOSE ASSY.,3.17mm ID x 500mm L

500 mm (19-11/16 in), Lubrication Line; If Used

1шт.

29

218-1275

NUT,Blkhd, 7/16"-20

If Used

1шт.

30

495-11047

WASHER,7/16", SAE

1шт.

31

381442A1

CONNECTION

Lubrication Line; If Used

1шт.

32

614-12025

BOLT,Hex, M12 x 1.75 x 25mm, Cl 8.8, Full Thd

1шт.

33

218-5103

90 ELBOW,90 Degree Elbow, 7/16" - 20 Male JIC x 7/16" - 20 Male ORB

If Used

1шт.

34

237-6004

O-RING,0.072" Thk x 0.351" ID, -904, Cl 6, 90 Duro

1шт.

35

87572760

HOSE ASSY.,6.4mm ID x 533mm L

7/16-20 Female Swivel x 1/8 NPSN x 21 inch; Includes Grease Fitting; Remote Lube; If Used

1шт.

36

F53473

LOCK NUT,1/8-27 NPSM

Hex; If Used

1шт.

Выбрано товаров: 37