Запчасти Case 590SM (06-15) - TRANSMISSION ASSY (2WD) - HOUSING (MODELS WITHOUT POWERSHIFT) (06) - POWER TRAIN

Схема запчастей Case 590SM - (06-15) - TRANSMISSION ASSY (2WD) - HOUSING (MODELS WITHOUT POWERSHIFT) (06) - POWER TRAIN
3
4
10a
12
16
5
4
2
3
10b
6
1
9
13
8a
12
15
8
7
1a
5
10
11
11
14
FIT
1:1
100%

Артикул

Название

Примечание

Количество

87396484

TRANSMISSION

Two Wheel Drive, Incl. Ref 1 - 14, 16; Also Includes Parts On Figures 06-14 - 06-23B; Replaces 86984097, 87456843

1шт.

87396484R

REMAN-TRANSMISSION

Remanufactured, 2WD Carraro Synchronized Transmission

1шт.

87396484C

CORE-TRANSMISSION

Return Number

1шт.

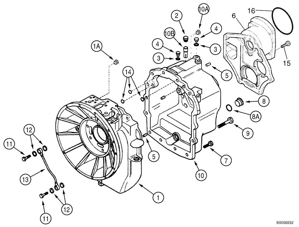
1

87429989

HOUSING

Housing, Front Half, Use With Loctite 510 or 518 as a Gasket Eliminator; Incl. Ref 1A

1шт.

1a

E135809

PLUG

If Used

1шт.

2

1530028C1

BREATHER

1шт.

310772A1

VENTILATION PIPE,18 mm OD, 42 mm Length

18 OD x 42 mm lg, Breather, Not Illustrated

1шт.

3

934667R1

SEALING RING,M10 x 14 x 1

4шт.

4

181100A1

PLUG,1/8 CAS x 8

3шт.

5

K260177

PIN

Dowel, 10 x 25 mm

3шт.

6

87429987

ADAPTER

Adapter Cover, Pump, Copper

1шт.

7

614-10030

BOLT,Hex, M10 x 1.5 x 30mm, Cl 8.8, Full Thd

19шт.

8

100557A1

PLUG, DRAIN,M30 x 2

Incl. Ref 8A

1шт.

8a

238-6121

O-RING,0.103" Thk x 1.049" ID, -121, Cl 6, 90 Duro

1шт.

9

814-10150

BOLT,Hex, M10 x 1.5 x 150mm, Cl 8.8

M10 x 150

2шт.

10

87429988

HOUSING

HOUSING, Rear Half, Use With Superbond 539 as a Gasket Eliminator; Incl. Ref 10A, 10B

1шт.

10a

E135809

PLUG

If Used

1шт.

10b

310772A1

VENTILATION PIPE,18 mm OD, 42 mm Length

18 OD x 42 mm lg, Breather, Not Illustrated

1шт.

11

181179A1

BANJO BOLT

2шт.

12

181105A1

SEALING WASHER,14mm ID x 20mm OD x 1.5mm Thk

14 x 20 x 1.5 mm; Sealing

4шт.

13

181232A1

TUBE

Lubrication Tube

1шт.

14

181141A1

O-RING,17.12mm ID x 2.62mm Width

3шт.

15

814-10045

BOLT,Hex, M10 x 1.5 x 45mm, Cl 8.8

4шт.

16

87429982

O-RING

Pump Mounting

1шт.

Выбрано товаров: 24