Запчасти Case 590SM (06-24) - TRANSMISSION ASSY (4WD) - VALVE, SOLENOID (MODELS WITHOUT POWERSHIFT) (06) - POWER TRAIN

Схема запчастей Case 590SM - (06-24) - TRANSMISSION ASSY (4WD) - VALVE, SOLENOID (MODELS WITHOUT POWERSHIFT) (06) - POWER TRAIN
4
12
7
3
9
11
6
11
10
1
8
5
2
FIT
1:1
100%

Артикул

Название

Примечание

Количество

87396485

TRANSMISSION

Four Wheel Drive, Incl. Ref 1 - 10; Also Includes Parts On Figures 06-14 - 06-24; Replaces 86984098, 87456844

1шт.

87396485R

REMAN-TRANSMISSION

Remanufactured, 4WD Carraro Synchronized Transmission

1шт.

87396485C

CORE-TRANSMISSION

Return Part Number

1шт.

87429978

CARTRIDGE

Valve, Incl. Ref 1 - 4; Used In 86984098 Transmission

1шт.

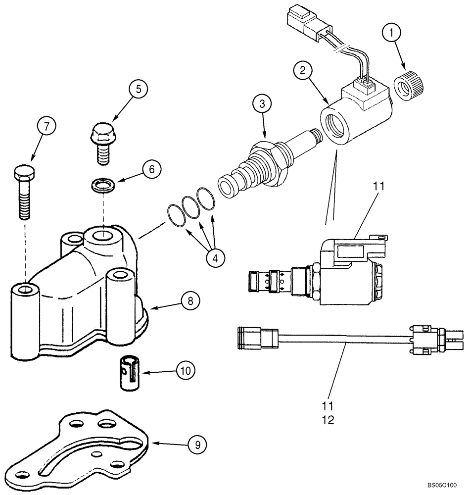
1

NSS

NOT SOLD SEPARAT

Nut

1шт.

2

NSS

NOT SOLD SEPARAT

Coil

1шт.

3

NSS

NOT SOLD SEPARAT

Valve, Solenoid

1шт.

4

NSS

NOT SOLD SEPARAT

Kit, Seal, Includes 238-5014, 238-5015, 237-6010 O-Rings, Kit Not Serviced Separately, Order 190432A1 Solenoid Valve

1шт.

5

181100A1

PLUG,1/8 CAS x 8

1шт.

6

934667R1

SEALING RING,M10 x 14 x 1

1шт.

7

814-8060

BOLT,Hex, M8 x 1.25 x 60mm, Cl 8.8

3шт.

8

321428A1

HOUSING

1шт.

9

366910A1

GASKET

1шт.

10

190431A1

VALVE

Installed Between Ref 8 and 9

1шт.

11

87456901

SOLENOID VALVE

Component Parts Not Serviced Separately; Includes Solenoid and Ref 12 Jumper Harness; Jumper Is For Coverting Transmissions Prior to Connector Change From Weather, Serial Range: Pack-Deutsch

1шт.

12

87456969

WIRE HARNESS

Jumper; Weather Pack Connector/Deutsch Connector

1шт.

Выбрано товаров: 16