Запчасти Case 590SM (06-26) - TRANSMISSION ASSY, POWERSHIFT - HOUSING, REAR (06) - POWER TRAIN

Схема запчастей Case 590SM - (06-26) - TRANSMISSION ASSY, POWERSHIFT - HOUSING, REAR (06) - POWER TRAIN
26
32
18
21
7
8
7
24
7
23
8
8
10
2
11
8
1
7
5
7
30
14
13
28
9
22
8
6
7
15
7
29
4
8
25
16
17
31
12
27
3
FIT
1:1
100%

Артикул

Название

Примечание

Количество

87424815

TRANSMISSION

Powershift Transmission, Four Wheel Drive, Incl. Ref 1 - 53; Also Includes Parts On Figures 06-25 - 06-35, 06-36

1шт.

87424815R

REMAN-TRANSMISSION

Remanufactured Transmission, Powershift, Does Not Include Torque Converter ,Trans SN (BSN N7C431651)

1шт.

87424815C

CORE-TRANSMISSION

Return Part Number

1шт.

87749356

TRANSMISSION

Powershift Transmission, Four Wheel Drive, Incl. Ref 1 - 53; Also Includes Parts On Figures 06-25 - 06-34, 06-35A, 06-36; 590SM Trans. SN N7C431651 -; Replaces 87645686

1шт.

87749356R

REMAN-TRANSMISSION

590SM (SERIES 2) (TIER 2) (NA) (SN N7C431651-) (2/04-)

1шт.

87749356C

CORE-TRANSMISSION

Return Part Number

1шт.

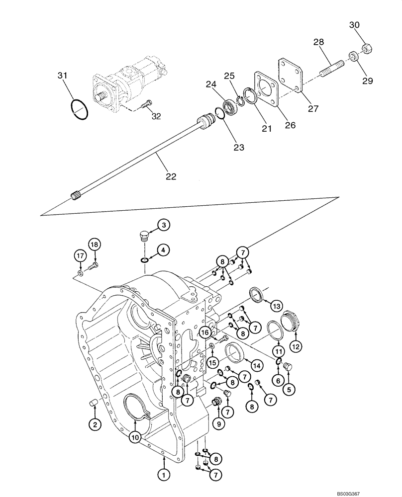
1

291570A1

HOUSING

1шт.

2

292412A1

DOWEL

2шт.

3

292165A1

PLUG

Incl. Ref 4

1шт.

4

238-7116

O-RING,0.103" Thk x 0.75" ID, -116, Cl 7, 75 Duro

1шт.

5

292170A1

PLUG

Incl. Ref 6

1шт.

6

238-7210

O-RING,0.139" Thk x 0.734" ID, -210, Cl 7, 75 Duro

1шт.

7

292164A1

PLUG

Incl. Ref 8

11шт.

8

238-7011

O-RING,0.07" Thk x 0.301" ID, -11, Cl 7, 75 Duro

1шт.

9

292414A1

PLUG

Drain, Magnetic

1шт.

10

292417A1

CIRCLIP

1шт.

11

L30039

GASKET,46.83mm ID x 58.74mm OD x 3.17mm Thk

1шт.

12

292171A1

PLUG

1шт.

13

291527A1

SEAL

Output

1шт.

14

292173A1

PLUG

PLUG, Output Shaft

1шт.

15

892-10010

LOCK WASHER,10.4mm ID x 18.1mm OD x 3.5mm Thk

2шт.

16

628-10035

BOLT,Hex, M10 x 1.5 x 35mm, Cl 10.9, Full Thd

2шт.

17

892-10010

LOCK WASHER,10.4mm ID x 18.1mm OD x 3.5mm Thk

7шт.

18

628-10030

BOLT,Hex, M10 x 1.5 x 30mm, Cl 10.9, Full Thd

7шт.

21

800-2168

SNAP RING,M68, Int

1шт.

22

85808333

ROD

Shaft, Pump

1шт.

23

9969021

PISTON RING

Seal Ring

1шт.

24

9969022

BEARING

1шт.

25

9969023

SNAP RING

1шт.

26

NSS

NOT SOLD SEPARAT

Plate; For Shipping Purposes Only

1шт.

27

NSS

NOT SOLD SEPARAT

Plate; For Shipping Purposes Only

1шт.

28

NSS

NOT SOLD SEPARAT

Stud, Pump Mounting; For Shipping Purposes Only

4шт.

29

NSS

NOT SOLD SEPARAT

Washer; For Shipping Purposes Only

4шт.

30

NSS

NOT SOLD SEPARAT

Nut, Pump Mounting; For Shipping Purposes Only

4шт.

31

510828

O-RING,0.139" Thk x 4.984" ID, -250, Cl 5, 75 Duro

Pump, Not Included With Assembly; Purchase Separately

1шт.

32

614-12035

BOLT,Hex, M12 x 1.75 x 35mm, Cl 8.8, Full Thd

Pump Mounting

4шт.

Выбрано товаров: 36