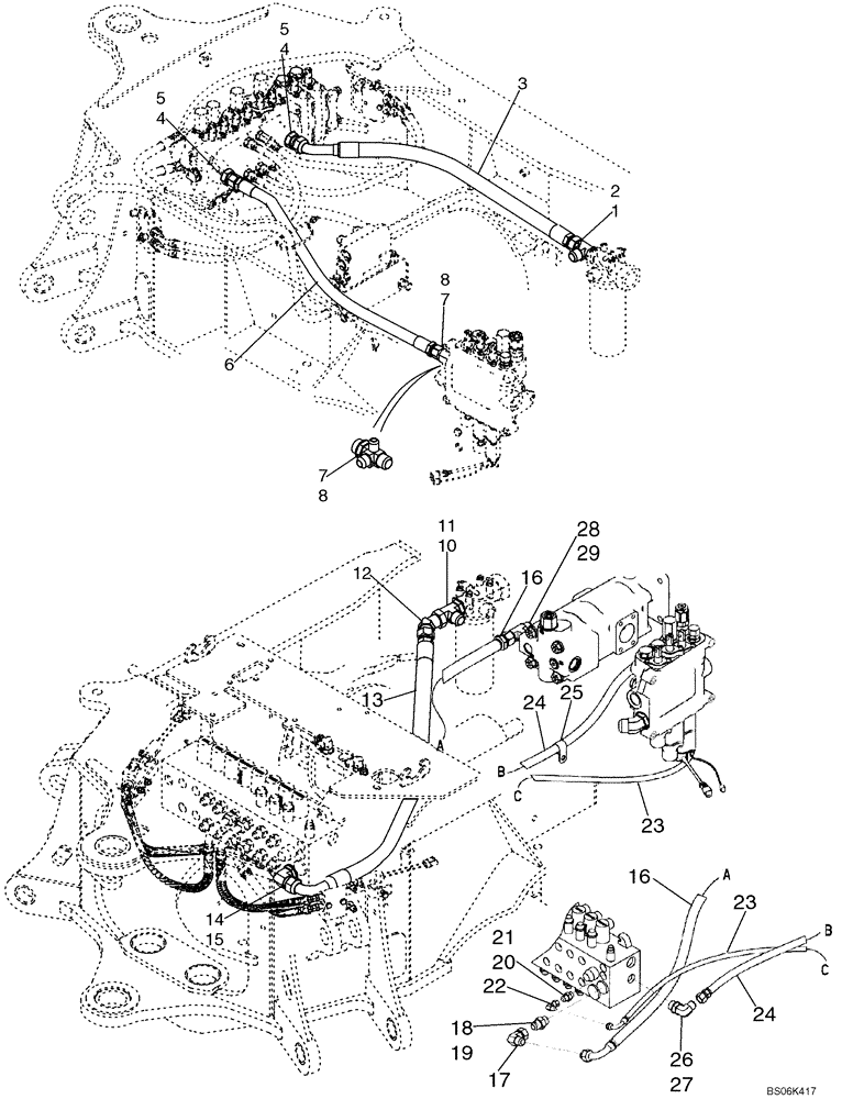
Запчасти Case 590SM (08-02) - HYDRAULICS - LOADER VALVE AND FILTER TO BACKHOE VALVE (08) - HYDRAULICS

Схема запчастей Case 590SM - (08-02) - HYDRAULICS - LOADER VALVE AND FILTER TO BACKHOE VALVE (08) - HYDRAULICS
15
23
21
4
16
22
27
5
10
5
20
19
8
8
17
14
28
18
26
13
12
11
25
23
4
24
6
7
24
7
16
1
2
3
29
FIT
1:1
100%

Артикул

Название

Примечание

Количество

REF

INSTRUCTION

MODELS WITHOUT PILOT CONTROLS

1шт.

1

218-5584

TEE,37 Degree, 1 5/16"-12, 1 5/16"-12 O-Ring Run, 1 1/16"-12

Incl. Ref 2

1шт.

2

237-6016

O-RING,0.116" Thk x 1.171" ID, -916, Cl 6, 90 Duro

1шт.

3

313648A1

HYDRAULIC HOSE,1.0” ID x 910mm L

910 mm (35-7/8"); Return; Models Without Pilot Controls

1шт.

4

218-5069

HYD CONNECTOR,1-5/16" - 12 Male JIC x 1-5/16" - 12 Male ORB

Incl. Ref 5

2шт.

5

237-6016

O-RING,0.116" Thk x 1.171" ID, -916, Cl 6, 90 Duro

1шт.

6

87437441

HYDRAULIC HOSE,¾” ID x 1025mm L

1025 mm (40-3/8 in); 2 or 3 Spool Valve; Without Auxiliary Hydraulics, Without Pilot Controls; Loader Valve Power Beyond to Backhoe Valve

1шт.

6

87437232

HYDRAULIC HOSE,¾” ID x 370mm L

420 mm (16-9/16 in); 2 Spool Valve; With Auxiliary Hydraulics; With or Without Pilot Controls; Loader Valve Power Beyond to Backhoe Valve

1шт.

6

87437231

HYDRAULIC HOSE

370 mm (14-5/8 in); 3 Spool Valve; With Auxiliary Hydraulics; With or Without Pilot Controls; Loader Valve Power Beyond to Backhoe Valve

1шт.

7

87436066

FITTING,1" 5/16 - 12 ORFS x 1" 5/16 - 12 ORB x 1 1/16" - 12 ORB x 7/8" - 14 ORB

4-Way Special Tee; Incl. Ref 8

1шт.

8

237-6016

O-RING,0.116" Thk x 1.171" ID, -916, Cl 6, 90 Duro

1шт.

REF

INSTRUCTION

MODELS WITH PILOT CONTROLS

1шт.

10

218-5584

TEE,37 Degree, 1 5/16"-12, 1 5/16"-12 O-Ring Run, 1 1/16"-12

Incl. Ref 11

1шт.

11

237-6016

O-RING,0.116" Thk x 1.171" ID, -916, Cl 6, 90 Duro

1шт.

12

218-5176

ELBOW,45 Degree Elbow, 1-5/16" - 12 Male JIC x 1-5/16" - 12 Female JIC

1шт.

13

87450825

HOSE ASSY.

1230 mm (48-7/16 in); Return; Models With Pilot Controls

1шт.

14

218-5118

ELBOW,90 Degree Elbow, 1-1/16" - 12 Male JIC x 1-5/16" - 12 Male ORB

Incl. Ref 15

1шт.

15

237-6016

O-RING,0.116" Thk x 1.171" ID, -916, Cl 6, 90 Duro

1шт.

16

87450823

HOSE ASSY.

1305 mm (51-3/8 in); Replaces 87443058 1280 mm (50-13/32 in) Hose

1шт.

17

218-5231

ELBOW,90 Degree, 1 1/16"-12, 37 Degree x 1 1/16"-12, 37 Degree Fem Sw

1шт.

18

218-5064

HYD CONNECTOR,1-1/16" - 12 Male JIC x 1-1/16" - 12 Male ORB

Incl. Ref 19

1шт.

19

237-6012

O-RING,0.116" Thk x 0.924" ID, -912, Cl 6, 90 Duro

1шт.

20

218-5057

HYD CONNECTOR,9/16" - 18 JIC x 9/16" - 18 ORB

Incl. Ref 21

1шт.

21

237-6006

O-RING,0.078" Thk x 0.468" ID, -906, Cl 6, 90 Duro

1шт.

22

218-980

ELBOW,90 Degree, 9/16"-18, 37 Degree x 9/16"-18, 37 Degree Fem Sw

1шт.

23

87443053

HOSE ASSY.

1680 mm (66-5/32 in)

1шт.

24

87444769

HOSE ASSY.

1250 mm (49-1/4 in)

1шт.

25

R14668

CLAMP

P-Type; 1; Replaces 515-24222 22.2mm M10 Bolt Clamp Used On Some Models

1шт.

26

218-5108

ELBOW,90 Degree Elbow, 1-1/16" - 12 Male JIC x 1-1/16" - 12 Male ORB

Incl. Ref 27

1шт.

27

237-6012

O-RING,0.116" Thk x 0.924" ID, -912, Cl 6, 90 Duro

1шт.

28

218-5185

TEE,1-1/16" - 12 Male JIC x 1-1/16" - 12 Male JIC x 1-1/16" - 12 Male ORB

Incl. Ref 29

1шт.

29

237-6012

O-RING,0.116" Thk x 0.924" ID, -912, Cl 6, 90 Duro

1шт.

Выбрано товаров: 32