Запчасти Case 590SM (08-09) - HYDRAULICS - CYLINDER, BACKHOE SWING (WITHOUT PILOT CONTROLS) (08) - HYDRAULICS

Схема запчастей Case 590SM - (08-09) - HYDRAULICS - CYLINDER, BACKHOE SWING (WITHOUT PILOT CONTROLS) (08) - HYDRAULICS
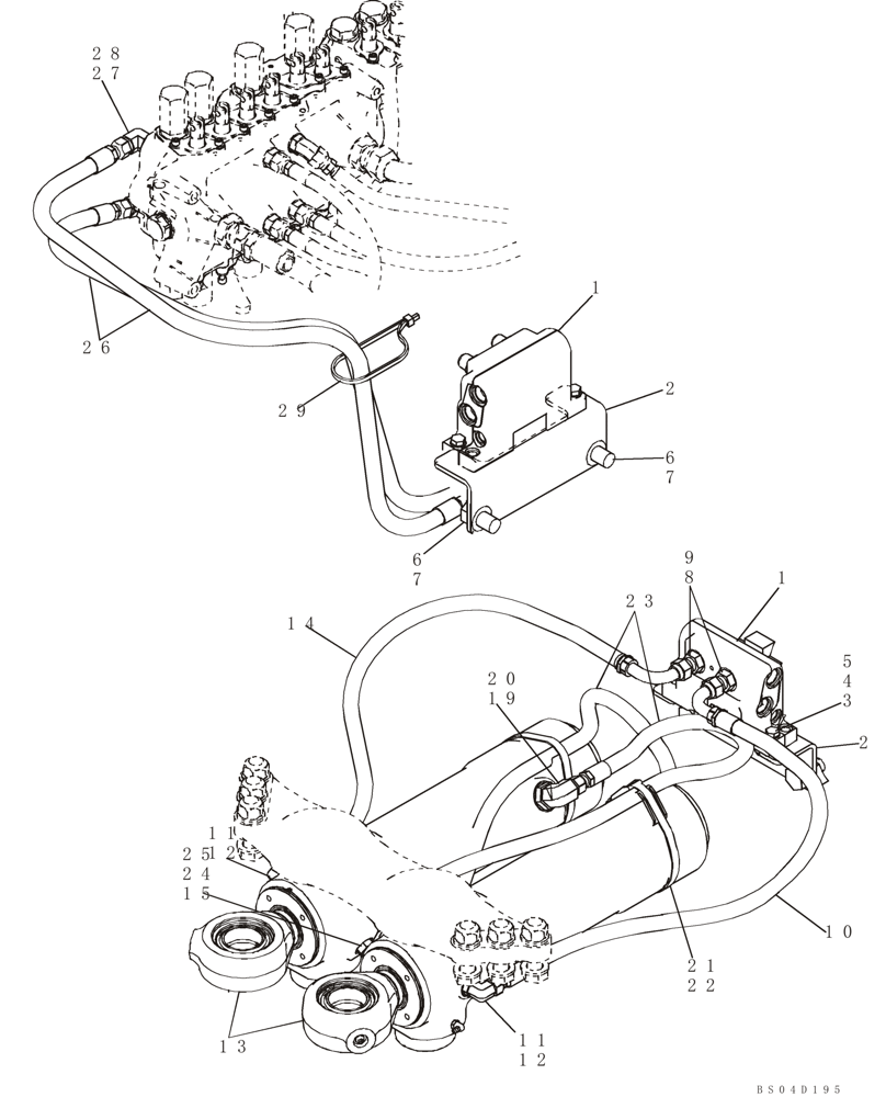
24
23
6
15
8
12
29
19
10
4
13
3
26
1
9
20
21
bs04d195
7
14
25
22
11
11
2
12
6
27
2
7
28
5
1
FIT
1:1
100%

Артикул

Название

Примечание

Количество

REF

INSTRUCTION

MODELS WITHOUT PILOT CONTROLS

1шт.

1

87449373

HYDRAULIC VALVE

Swing Cushion; See Figure 08-59; Replaces 87416975 Valve

1шт.

2

87428140

BRACKET, SUPPORTING

Valve Bracket

1шт.

3

814-10040

BOLT,Hex, M10 x 1.5 x 40mm, Cl 8.8

2шт.

4

895-11010

WASHER,11mm ID x 20mm OD x 2mm Thk

4шт.

5

829-1410

NUT,M10 x 1.5, Cl 10.9

2шт.

6

614-18035

BOLT,Hex, M18 x 2.5 x 35mm, Cl 8.8, Full Thd

2шт.

7

895-11018

WASHER,M18 x 34 x 3

4шт.

8

218-5062

HYD CONNECTOR,7/8"-14, 37 Degree x 7/8"-14, O-Ring

Incl. Ref 9

4шт.

9

237-6010

O-RING,0.097" Thk x 0.755" ID, -910, Cl 6, 90 Duro

1шт.

10

87423356

HOSE ASSY.,12.7mm ID x 850mm L

850 mm (33-1/2 in)

1шт.

11

218-5106

90 ELBOW,90 Degree Elbow, 3/4" - 16 Male JIC x 3/4" - 16 Male ORB

Incl. Ref 12

2шт.

12

237-6008

O-RING,0.087" Thk x 0.644" ID, -908, Cl 6, 90 Duro

Boss seal

1шт.

13

139808A2

HYDRAULIC CYLINDER,Double Acting, 50.8mm Rod, 292mm Stroke

102 ID x 292 mm strk, Swing, See Figure 08-66

2шт.

13

139808A2R

REMAN-HYD CYLINDER

102 ID x 292 mm strk, Swing, See Figure 08-66

2шт.

13

139808A2C

CORE-HYD CYLINDER

Return Number

2шт.

14

87423356

HOSE ASSY.,12.7mm ID x 850mm L

850 mm (33-1/2 in)

1шт.

15

124690A1

RESTRICTOR

Orifice

2шт.

19

218-5119

ELBOW,90 Degree Elbow, 7/8" - 14 Male JIC x 1-1/16" - 12 Male ORB

Incl. Ref 20

2шт.

20

237-6012

O-RING,0.116" Thk x 0.924" ID, -912, Cl 6, 90 Duro

Boss Seal

1шт.

21

D142787

SPACER

2шт.

22

214-1492

HOSE CLAMP,#92, 5.38" - 6.25", Type F Worm

2шт.

23

87441076

HYDRAULIC HOSE,9.53mm ID x 802mm L

802 mm (31-19/32 in)

2шт.

24

218-5106

90 ELBOW,90 Degree Elbow, 3/4" - 16 Male JIC x 3/4" - 16 Male ORB

Incl. Ref 25

2шт.

25

237-6008

O-RING,0.087" Thk x 0.644" ID, -908, Cl 6, 90 Duro

Boss seal

1шт.

26

87428158

HOSE ASSY.

1194 mm (47 in)

2шт.

27

218-5107

90 ELBOW,90 Degree Elbow, 7/8" - 14 Male JIC x 7/8" - 14 Male ORB

Incl. Ref 28

2шт.

28

237-6010

O-RING,0.097" Thk x 0.755" ID, -910, Cl 6, 90 Duro

1шт.

29

L18337

CABLE TIE,9.95"-12.1" lg

CABLE STRAP

1шт.

Выбрано товаров: 29