Качественные детали и логистика
Оригинальные и аналоговые запчасти с доставкой по России, Казахстану и Беларуси
©2022 PartSell ООО "Система" ИНН 2463123282 ОГРН 1212400004838
Центральный офис: г. Красноярск, Академика Киренского, д.87, пом.4
Телефон: 8 (800) 777-65-74 Email: zakaz@partsell.ru
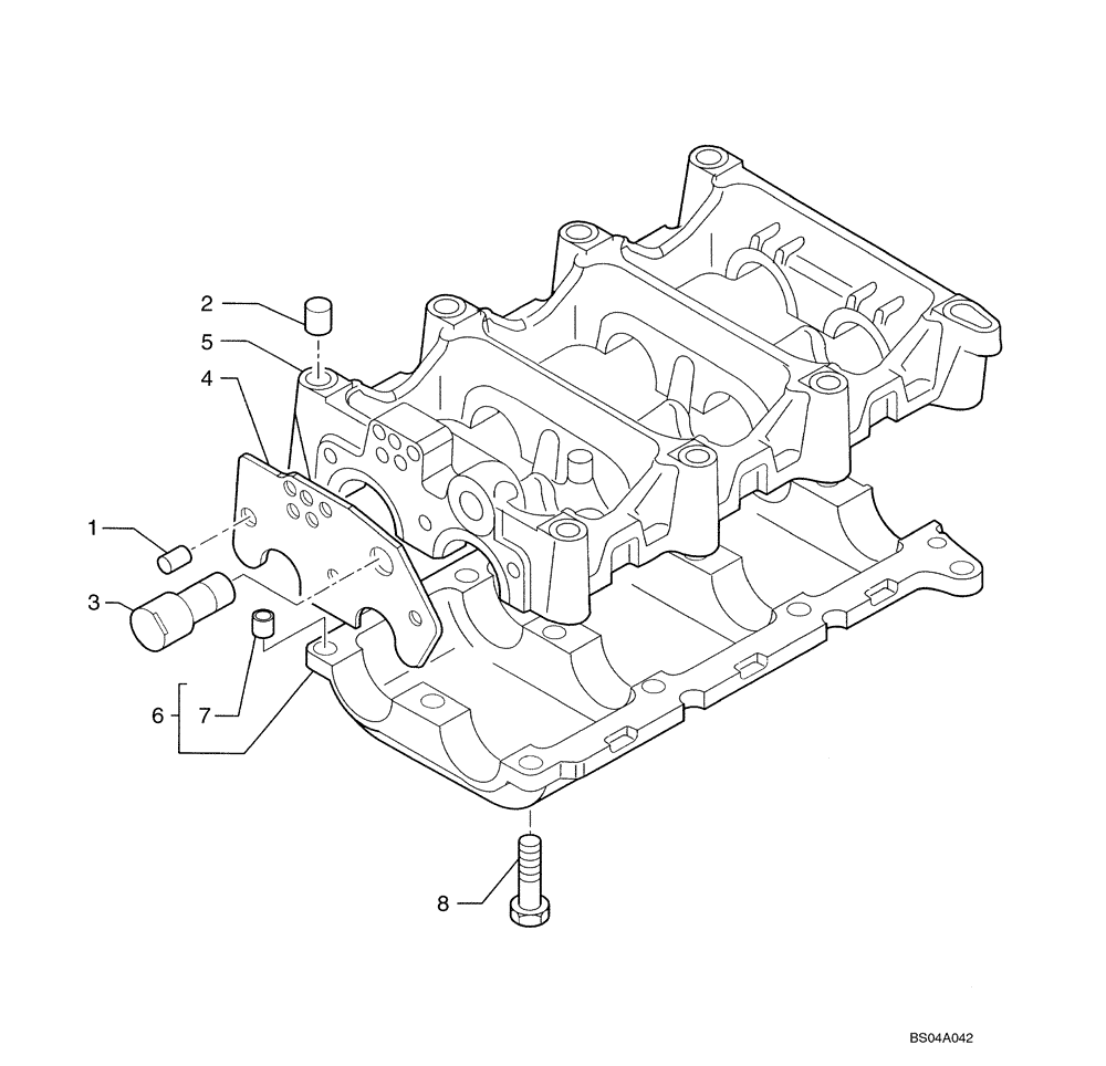
(02-27) - DYNAMIC BALANCER, GEARS & SHAFTS (2830952)
№
Артикул
Название
Примечание
Количество
2830952
HOUSING
Assy; Incl. Ref 1 - 8; 2830953 Balancer Assy
1шт.
1
4892836
DOWEL
2
4899027
DOWEL,M14.05 x 14 L
2шт.
3
2830948
IDLE SHAFT
4
2830905
THRUST PLATE
5
2830934
6
2831101
- ASSY; Incl. Ref 7
7
4891209
DOWEL,M13 x 8 L
8
2830411
BOLT,Flng, M8 x 1.25 x 30mm
Flange, M8 x 30
3шт.
4895323
FLANGE BOLT,Hex, M8 x 1.25 x 40mm
9шт.
Выбрано товаров: 0