Запчасти Case 590SM (04-06A) - COLD START GRID HEATER (04) - ELECTRICAL SYSTEMS

Схема запчастей Case 590SM - (04-06A) - COLD START GRID HEATER (04) - ELECTRICAL SYSTEMS
30
4
5
23
31
11
27
29
33
19
7
13
8
15
27
12
26
11
16
21
4
22
4
9
2
5
14
6
39
20
35
38a
5
10
6
38
2
36
34
28
4
1
37
5
8
6
30
6
36
17
7
37
24
13
18
15
11
29
35
1
32
25
14
FIT
1:1
100%

Артикул

Название

Примечание

Количество

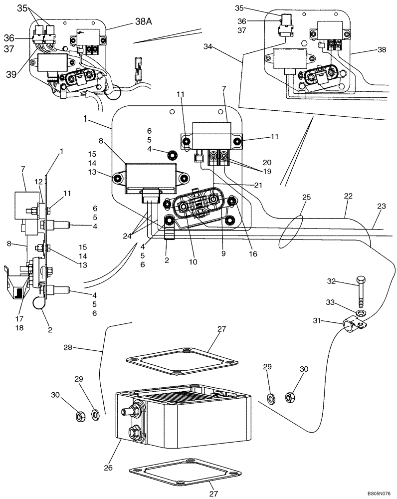
87430868

SERVICE KIT

Grid Heater Kit; Incl. Ref 1 - 33 and Instructions; Also Includes 8603092 Warning Decal, Explosion Hazard, Do Not Use Ether; If Used; No Longer Available, Order 87368406 Service Kit

1шт.

87368406

SERVICE KIT

Grid Heater Kit; Incl. Ref 2 - 23, 25 - 38 and Instr; Also Incl 8603092 Warning Decal, Explosion Hazard; Incl (1) Relay (Ref 35) and Harness (Ref 34) With Diode Which Removes Grid Heater Function During Engine Cranking for Cold Start Cont

1шт.

1

87410603

PLATE

Cold Start Plate; Without Mounting Holes For Engine Crank Relay (Ref 35); If Used; Included in 87430868 Kit

1шт.

2

515-22190

CLAMP,3/4", Insul, 5/16" Bolt

(19 mm; M8 Bolt)

1шт.

3

614-8040

BOLT,Hex, M8 x 1.25 x 40mm, Cl 8.8, Full Thd

3шт.

4

407962A1

SPACER,9.8mm ID x 12.9mm OD x 11mm L

3шт.

5

238-5011

O-RING,0.07" Thk x 0.301" ID, -11, Cl 5, 75 Duro

3шт.

6

87417383

THREADED INSERT,M8 x 1.25

M8 x 1-1/4

3шт.

7

86619908

RELAY,12V, 150A

Cold Start

1шт.

8

47132002

HEATER

Electronic Unit Controller, Grid Heater; Replaces 87409046

1шт.

9

440038A1

JUNCTION BLOCK

Fuse Block

1шт.

10

87410602

FUSE,300A, Blade

300 amp Fuse

1шт.

11

614-6035

BOLT,Hex, M6 x 1 x 35mm, Cl 8.8, Full Thd

2шт.

12

87414237

PLATE,25mm W x 102mm L x 10mm Thk

10 mm Thick Spacer Bar

1шт.

13

614-6020

BOLT,Hex, M6 x 1 x 20mm, Cl 8.8, Full Thd

3шт.

14

895-11006

WASHER,6.6mm ID x 12mm OD x 1.6mm Thk

11шт.

15

832-10406

NUT,M6 x 1, Cl 8

6шт.

16

811-6016

CARRIAGE BOLT,Sht Sq Nk, M6 x 1 x 16mm, Cl 8.8

1шт.

17

892-11008

LOCK WASHER,8mm ID

5шт.

18

829-1408

NUT,Hex, M8 x 1.25, Cl 10.9

2шт.

19

322357

BELLEVILLE WASHER,M6 Bolt Size x 14mm OD x 1.3mm Thk

2шт.

20

829-1406

NUT,Hex, M6 x 1, Cl 10.9

2шт.

21

87410265

BAR

90 mm Jumper Wire;, Serial Range: Fuse-Relay

1шт.

22

87419616

CABLE ASSY.

500 mm Wire; Relay to Grid Heater

1шт.

23

87419615

CABLE ASSY.

1250 mm Wire; Starter to Fuse Block

1шт.

24

87433544

WIRE HARNESS

Controller Harness, 4 End Connectors; Cold Start Control; Attaches to Engine Harness; Without Diode Connection Or Crank Relay Connection; If Used; Included In 87430868 Kit

1шт.

25

L18337

CABLE TIE,9.95"-12.1" lg

CABLE STRAP Replaces D150521 292 mm Long Nylon Tie Strap Used On Some Models

1шт.

26

82017872

HEATER

Grid

1шт.

27

86014151

GASKET,93mm L x 98mm L

2шт.

28

87413162

GROUND STRAP

150 mm Ground Wire

1шт.

29

895-11006

WASHER,6.6mm ID x 12mm OD x 1.6mm Thk

2шт.

30

829-1406

NUT,Hex, M6 x 1, Cl 10.9

2шт.

31

515-25190

CLAMP,3/4", Insul, 1/2" Bolt

(19 mm; M12 Bolt)

1шт.

32

614-12025

BOLT,Hex, M12 x 1.75 x 25mm, Cl 8.8, Full Thd

1шт.

33

896-11012

WASHER,13.5mm ID x 24mm OD x 3mm Thk

1шт.

87368411

SERVICE KIT

Harness and Engine One (1) Crank Relay; Harness Removes Grid Heater Function During Engine Cranking; Includes One Each Ref 34 - 37; If Used

1шт.

34

87368095

WIRE HARNESS

Controller Harness, 6 End Connectors, Includes L71879 Diode; Cold Start Control; Attaches to Engine Harness; Used On Models With One (1) Engine Crank Relay (Ref 35); If Used

1шт.

35

87436836

RELAY,12V, 40 Amp

Mini, 12V, 40A; Engine Crank; If Used

1-2шт.

36

87301687

SCREW,HWH, #10 - 32 x 1/2"

Hex Washer Head, No. 10 x 1/2; If Used

1-2шт.

37

231-24409

NUT,#10-32

No. 10; If Used

1-2шт.

38

87362555

BRACKET, SUPPORTING

Cold Start; Used On Models With One (1) Crank Relay (Ref 35); If Used; Not Included In 87368411 Service Kit, Purchase Separately

1шт.

38a

87397601

BRACKET, SUPPORTING,2mm Thk

Cold Start; Used On Models With Two (2) Crank Relays (Ref 35); If Used; Not Included In Service Kits, Purchase Separately

1шт.

87397279

SERVICE KIT

Harness and Two (2) Engine Crank Relays; Harness With Provisions to De-Activate the KKSB During Engine Cranking; Includes Ref 39 Harness W/Resistor and Two (2) Each Ref 35 - 37

1шт.

39

87396228

WIRE HARNESS

Controller Harness, 10 End Connectors, Includes (1) 87516581 Resistor and (1) L71879 Diode; Attaches to Engine Harness; Used On Models With Two (2) Engine Crank Relays (Ref 35); If Used

1шт.

Выбрано товаров: 44