Запчасти Case 590SM (05-02A) - HYDRAULICS - STEERING (WITH PILOT CONTROLS) (05) - STEERING

Схема запчастей Case 590SM - (05-02A) - HYDRAULICS - STEERING (WITH PILOT CONTROLS) (05) - STEERING
20
29
13
33
24
27
14
16
19
2
23
13
8
4
38
18
9
23
8
5
6
12
2
9
18a
25
10
7
36
1
10
35
31
21
40
11
12
17
1a
8
25
7
6
34
10
39
26
15
26
37
4
3
27
28
1a
3
9
11
30
1
22
32
24
FIT
1:1
100%

Артикул

Название

Примечание

Количество

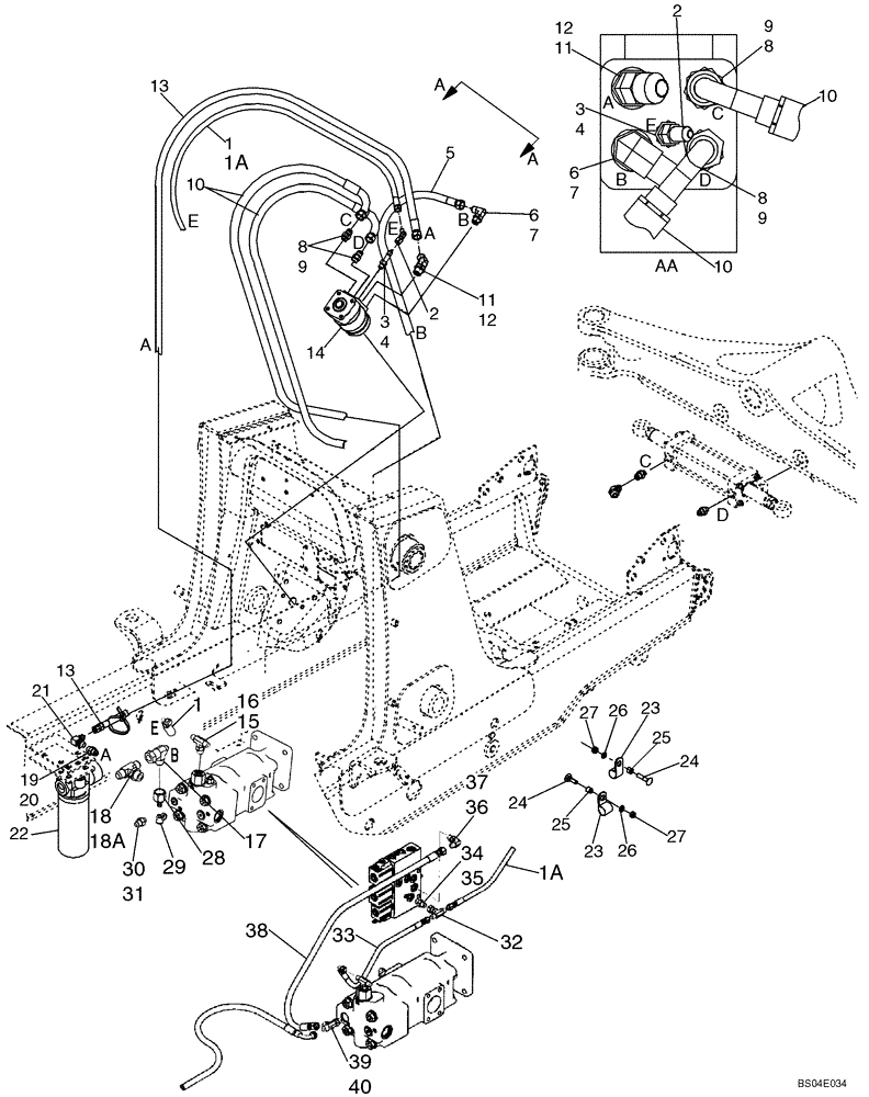
1

87439137

HYDRAULIC HOSE,6.4mm ID x 1675mm L

1675 mm (66 in), Steering Pilot Hose; Models Without Coupler Option

1шт.

1a

87444047

HOSE ASSY.

1185 mm (46-11/16 in), Steering Pilot to Coupler Valve; Models With Coupler Option; Hose Was 1135 mm (44-11/16 in)

1шт.

2

218-5170

ELBOW,45 Degree Elbow, 7/16" - 20 Male JIC x 7/16" - 20 Female JIC

If Used

1шт.

2

218-5228

ELBOW,90 Degree, 7/16"-20, 37 Degree x 7/16"-20, 37 Degree Fem Sw

If Used

1шт.

3

218-5027

HYD CONNECTOR,7/16" - 20 Male JIC x 7/16" - 20 Male ORB

Incl. Ref 4

1шт.

4

237-6004

O-RING,0.072" Thk x 0.351" ID, -904, Cl 6, 90 Duro

1шт.

5

87439138

HYDRAULIC HOSE,9.5mm ID x 1600mm L

1600 mm (63 in), Steering Pressure

1шт.

6

218-5106

90 ELBOW,90 Degree Elbow, 3/4" - 16 Male JIC x 3/4" - 16 Male ORB

Incl. Ref 7

1шт.

7

237-6008

O-RING,0.087" Thk x 0.644" ID, -908, Cl 6, 90 Duro

1шт.

8

218-5059

HYD CONNECTOR,3/4"-16, 37 Degree x 3/4"-16, O-Ring

Incl. Ref 9

2шт.

9

237-6008

O-RING,0.087" Thk x 0.644" ID, -908, Cl 6, 90 Duro

1шт.

10

87429382

HYDRAULIC HOSE,9.5mm ID x 1520mm L

1520 mm (59-7/8 in), To Steering Cylinder

2шт.

11

218-5136

ELBOW,45 Degree Elbow, 3/4" - 16 Male JIC x 3/4" - 16 Male ORB

Incl. Ref 12

1шт.

12

237-6008

O-RING,0.087" Thk x 0.644" ID, -908, Cl 6, 90 Duro

1шт.

13

87439136

HOSE ASSY.,9.5mm ID x 1550mm L

1550 mm (61-1/16 in), Return

1шт.

14

87419636

HYDRAULIC STEERING

Control Valve; Includes 87454545 Seal Kit, 396592A1 Anti-Cavitation Valve Kit, 396593A1 Bolt Kit; No Longer Available, For Service Order 87751598

1шт.

396591A1

KIT

Seal; Includes (2) Seals, (3) O-Rings; No Longer Available, For Service Order 87454545 Seal Kit

1шт.

87454545

SEAL KIT

Includes (2) Seals, (8) O-Rings

1шт.

396592A1

KIT

Anti-Cavitation Valve; Includes (2) Balls, (4) Springs, (2) Retainers

1шт.

396593A1

KIT

Bolt; Includes (7) Bolts

1шт.

14

87751598

STEERING VALVE

Control Valve; Includes 87661956 Seal Kit, 87661957 Anti-Cavitation Valve Kit, 87661958 Bolt Kit

1шт.

15

87443069

TEE

Shuttle Check Valve; 9/16 Or; Incl. Ref 16

1шт.

87661956

SEAL KIT

Includes (3) Seals, (9) O-Rings

1шт.

16

237-6006

O-RING,0.078" Thk x 0.468" ID, -906, Cl 6, 90 Duro

1шт.

87661957

HYD PUMP REPAIR KIT

Anti-Cavitation Valve; Includes (2) Balls, (4) Springs, (2) Plugs

1шт.

17

218-5488

TEE,37 Degree, 3/4"-16 x 1 1/16"-12, Fem Sw Run x 1 1/16"-12

For Additional Tee Used Between This Tee and Hose On Models With Comfort Steer, See Figure 05-02B

1шт.

87661958

HYD PUMP REPAIR KIT

Bolt Kit; Includes (7) Bolts

1шт.

18

218-5185

TEE,1-1/16" - 12 Male JIC x 1-1/16" - 12 Male JIC x 1-1/16" - 12 Male ORB

Incl. Ref 18A

1шт.

18a

237-6012

O-RING,0.116" Thk x 0.924" ID, -912, Cl 6, 90 Duro

1шт.

19

218-5351

HYD CONNECTOR,3/4"-16, 37 Degree x 9/16"-18, O-Ring

Incl. Ref 20

1шт.

20

237-6006

O-RING,0.078" Thk x 0.468" ID, -906, Cl 6, 90 Duro

1шт.

21

218-5230

ELBOW,90 Degree, 3/4"-16, 37 Degree x 3/4"-16, 37 Degree Fem Sw

1шт.

22

87440046

FILTER ASSY

Hydraulic Oil, See Figure 08-61

1шт.

23

515-23159

CLAMP,5/8", Insul, 3/8" Bolt

2шт.

24

711-10050

CARRIAGE BOLT,Sq Nk, M10 x 1.5 x 50mm, Cl 8.8

2шт.

25

120303A1

SPACER,11mm ID x 15.82mm OD x 15mm Thk

2шт.

26

892-11010

LOCK WASHER,M10

2шт.

27

829-1410

NUT,M10 x 1.5, Cl 10.9

2шт.

28

D137625

QUICK MALE COUPLING,1 - 1/16" - 12UNF - 2B ID

Diagnostic; Component Parts Not Serviced Separately

1шт.

29

H434163

DUST CAP

1шт.

30

218-5351

HYD CONNECTOR,3/4"-16, 37 Degree x 9/16"-18, O-Ring

Incl. Ref 31

1шт.

31

237-6006

O-RING,0.078" Thk x 0.468" ID, -906, Cl 6, 90 Duro

1шт.

REF

INSTRUCTION

MODELS WITH COUPLER VALVE

1шт.

32

218-836

TEE,37 Degree, 9/16"-18 x 9/16"-18, Fem Sw Br

1шт.

33

87452403

HYDRAULIC HOSE,1/4" ID x 600mm L, Flex-Pak 2 STF

600 mm (23-5/8 in)

1шт.

34

179189A1

VALVE POPPET

Check Valve; Incl. Ref 35

1шт.

35

237-6006

O-RING,0.078" Thk x 0.468" ID, -906, Cl 6, 90 Duro

1шт.

36

218-5105

ELBOW,90 Degree Elbow, 9/16" - 18 Male JIC x 9/16" - 18 Male ORB

Incl. Ref 37

1шт.

37

237-6006

O-RING,0.078" Thk x 0.468" ID, -906, Cl 6, 90 Duro

1шт.

38

87452402

HYDRAULIC HOSE,3/8" ID x 830mm L, Flex-Pak 2 STF

830 mm (32-11/16 in); Pressure, Pump to Coupler Valve

1шт.

39

218-845

TEE,37 Degree, 3/4"-16 x 3/4"-16, Fem Sw Run

Pump to Pressure Reducing Valve Hose; Incl. Ref 40

1шт.

40

237-6008

O-RING,0.087" Thk x 0.644" ID, -908, Cl 6, 90 Duro

1шт.

Выбрано товаров: 52