Запчасти Case 590SM (09-04) - FRAME - LOADER LIFT (09) - CHASSIS/ATTACHMENTS

Схема запчастей Case 590SM - (09-04) - FRAME - LOADER LIFT (09) - CHASSIS/ATTACHMENTS
16
8
7
23
13
4
37
32
30
3
35
2
27
10
14
7
8
9
11
7a
7
6
34
5
20
12
17
26
13
18
33
31
1
28
24
19
25
29
26
36
15
FIT
1:1
100%

Артикул

Название

Примечание

Количество

REF

INSTRUCTION

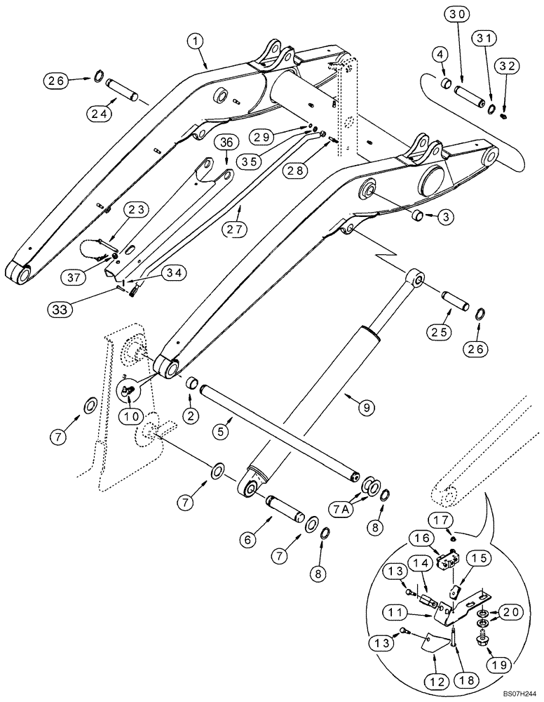
LIFT CYLINDER, SUPPORT STRUT, RETURN-TO-DIG AND ANTIROLLBACK

1шт.

1

87566994

LOADER ARM

Incl. Ref 2, 4

1шт.

2

D127542

BUSHING,50.2mm ID x 60mm OD x 30mm L

4шт.

3

100696A1

BUSHING,38.41mm ID x 47.65mm OD x 28.6mm L

Bucket Cylinder Link Pivot; Not Included with Frame; Purchase Separately

4шт.

4

109268A1

BUSHING,40.3mm ID x 50mm OD x 35mm L

4шт.

5

111522A1

PIN,50mm OD x 1113.4mm L

SHAFT

1шт.

6

335177A1

PIN,50mm OD x 234mm L

2шт.

7

495-81282

WASHER,2 1/16" x 3" x .109"

6шт.

7a

181842A1

WASHER,50.4mm ID x 76mm OD x 3.6mm Thk

1шт.

8

800-44050

SNAP RING,M50, Ext

6шт.

9

384240A1

LIFT CYLINDER,Double Acting, 44.4mm Rod, 766mm Stroke

82.6 ID x 766 mm strk; Loader; See Figure 08-62

2шт.

9

384240A1R

REMAN-HYD CYLINDER

Lift Cylinder

2шт.

9

384240A1C

CORE-HYD CYLINDER

Return Number

2шт.

10

219-55

LUBE NIPPLE,90 Degree Elbow, 1/8" - 27 NPTF

2шт.

11

128818A1

SUPPORT

Return-To-Dig

1шт.

12

142524A1

PROTECTOR

1шт.

13

614-6016

BOLT,Hex, M6 x 1 x 16mm, Cl 8.8, Full Thd

2шт.

14

515-2179

CLAMP,5/16", Insul, 1/4" Bolt

1шт.

15

833-40406

NUT,M6, U

2шт.

16

D137363

SWITCH

Return-To-Dig

1шт.

17

193-1003

NUT,Keps, w/LW,#6-32

2шт.

18

440-10616

SCREW,Cross Pan Hd, #6-32 x 1"

2шт.

19

128312A1

FLANGE BOLT,Hvy Hex, M10 x 1.5 x 15mm, Gr 8.8

M10 x 15

2шт.

20

895-11010

WASHER,11mm ID x 20mm OD x 2mm Thk

4шт.

23

104824A1

PIN,12.7mm OD

1шт.

24

118900A1

PIN,40mm OD x 179mm L

1шт.

25

87623771

GROOVED PIN,40mm OD x 150mm L

1шт.

26

800-44040

SNAP RING,M40, Ext

4шт.

27

87712370

ROD

Anti-Rollback

1шт.

28

192815A1

PIN,1/2" - 13, 1.85" L

1шт.

29

103-3350

SNAP RING,#50, .392" Dia, E-Type

1шт.

30

118901A1

PIN,40mm OD x 180mm L

2шт.

31

800-44040

SNAP RING,M40, Ext

4шт.

32

219-1

LUBE NIPPLE,1/8" - 27 NPTF

2шт.

33

427-6100

CLEVIS PIN,9.53mm OD x 28.7mm L

1шт.

34

432-612

COTTER PIN,3/32" x 3/4"

1шт.

35

495-11053

WASHER,1/2", SAE

1шт.

36

341564A2

STRUT

1шт.

37

344892A1

GROMMET,25.4mm OD, 12.7mm ID, 26mm L

1шт.

Выбрано товаров: 0