Качественные детали и логистика
Оригинальные и аналоговые запчасти с доставкой по России, Казахстану и Беларуси
©2022 PartSell ООО "Система" ИНН 2463123282 ОГРН 1212400004838
Центральный офис: г. Красноярск, Академика Киренского, д.87, пом.4
Телефон: 8 (800) 777-65-74 Email: zakaz@partsell.ru
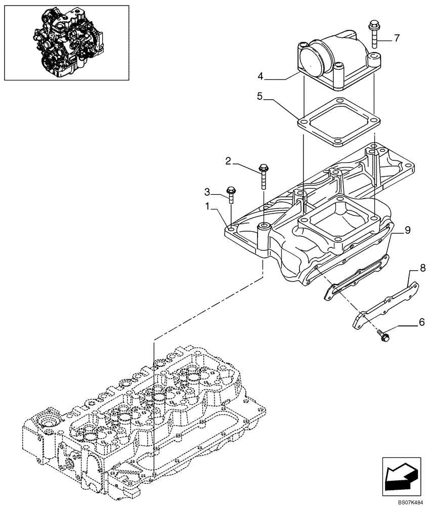
(02-20) - MANIFOLD - INTAKE
№
Артикул
Название
Примечание
Количество
1
2855805
INLET MANIFOLD
1шт.
2
4895432
SCREW,M8 x 1.25 x 70mm
3
4899039
BOLT,Flng, M8 x 1.25 x 25mm, Cl 10.9
6шт.
4
2855809
MANIFOLD
5
4899921
GASKET,1.2mm Thk
6
2854702
SCREW,Hex Flg, M6 x 20mm
M6 x 20
7
2852295
SCREW,Hex, M8 x 1.25 x 40mm
M8 x 40
2шт.
2852267
FLANGE BOLT,Hex, M8 x 1.25 x 90mm
8
2854700
COVER
9
2854701
GASKET,0.8mm Thk
Выбрано товаров: 0