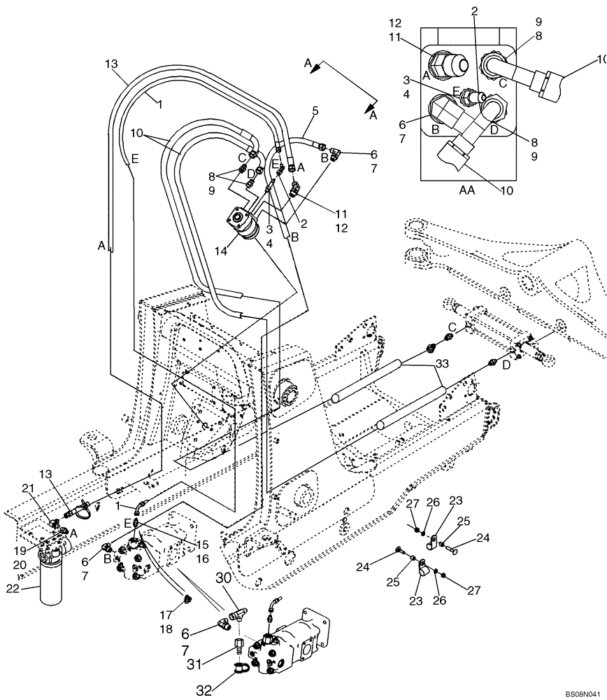
Запчасти Case 590SM (05-02) - HYDRAULICS - STEERING (WITHOUT PILOT CONTROLS) (590SM) (05) - STEERING

Схема запчастей Case 590SM - (05-02) - HYDRAULICS - STEERING (WITHOUT PILOT CONTROLS) (590SM) (05) - STEERING
5
6
22
30
25
2
3
1
7
6
20
23
31
24
2
12
33
11
18
6
6
21
25
16
d
15
3
12
13
23
7
24
9
9
9
19
d
1
17
7
4
10
10
32
7
27
13
14
11
4
8
8
8
26
27
10
26
FIT
1:1
100%

Артикул

Название

Примечание

Количество

1

87439137

HYDRAULIC HOSE,6.4mm ID x 1675mm L

1675 mm (66 in), Steering Pilot Hose

1шт.

2

218-5228

ELBOW,90 Degree, 7/16"-20, 37 Degree x 7/16"-20, 37 Degree Fem Sw

1шт.

3

218-5027

HYD CONNECTOR,7/16" - 20 Male JIC x 7/16" - 20 Male ORB

Incl. Ref 4

1шт.

4

237-6004

O-RING,0.072" Thk x 0.351" ID, -904, Cl 6, 90 Duro

1шт.

5

87439138

HYDRAULIC HOSE,9.5mm ID x 1600mm L

1600 mm (63 in), Steering Pressure

1шт.

6

218-5106

90 ELBOW,90 Degree Elbow, 3/4" - 16 Male JIC x 3/4" - 16 Male ORB

For Tee Used Between This Elbow and Hose On Models With Comfort Steer, See Figure 05-02B

2шт.

7

237-6008

O-RING,0.087" Thk x 0.644" ID, -908, Cl 6, 90 Duro

1шт.

8

218-5059

HYD CONNECTOR,3/4"-16, 37 Degree x 3/4"-16, O-Ring

Incl. Ref 9

2шт.

9

237-6008

O-RING,0.087" Thk x 0.644" ID, -908, Cl 6, 90 Duro

1шт.

10

87429382

HYDRAULIC HOSE,9.5mm ID x 1520mm L

1520 mm (59-7/8 in), To Steering Cylinder

2шт.

11

218-5136

ELBOW,45 Degree Elbow, 3/4" - 16 Male JIC x 3/4" - 16 Male ORB

Incl. Ref 12

1шт.

12

237-6008

O-RING,0.087" Thk x 0.644" ID, -908, Cl 6, 90 Duro

1шт.

13

87439136

HOSE ASSY.,9.5mm ID x 1550mm L

1550 mm (61-1/16 in), Return

1шт.

14

87751600

STEERING VALVE

Steering Control Valve; Replaces 87602130; Includes 87661956, 87661957, 87661960

1шт.

87661956

SEAL KIT

Includes (3) Seals, (9) O-Rings

1шт.

87661957

HYD PUMP REPAIR KIT

Anti-Cavitation Valve; Includes (2) Balls, (4) Springs, (2) Plugs

1шт.

87661960

HYD PUMP REPAIR KIT

Bolt Kit; Includes (7) Bolts

1шт.

15

218-5057

HYD CONNECTOR,9/16" - 18 JIC x 9/16" - 18 ORB

Incl. Ref 16, Standard Equipment, Models Without Auxiliary Hydraulics

1шт.

16

237-6006

O-RING,0.078" Thk x 0.468" ID, -906, Cl 6, 90 Duro

1шт.

17

282428A1

VALVE PRESSURE RELIE

Incl. Ref 18, Models with Auxiliary Hydraulics

1шт.

18

237-6006

O-RING,0.078" Thk x 0.468" ID, -906, Cl 6, 90 Duro

1шт.

19

218-5351

HYD CONNECTOR,3/4"-16, 37 Degree x 9/16"-18, O-Ring

Incl. Ref 20

1шт.

20

237-6006

O-RING,0.078" Thk x 0.468" ID, -906, Cl 6, 90 Duro

1шт.

21

218-5230

ELBOW,90 Degree, 3/4"-16, 37 Degree x 3/4"-16, 37 Degree Fem Sw

1шт.

22

87440046

FILTER ASSY

Hydraulic Oil, See Figure 08-61

1шт.

23

515-23159

CLAMP,5/8", Insul, 3/8" Bolt

2шт.

24

711-10050

CARRIAGE BOLT,Sq Nk, M10 x 1.5 x 50mm, Cl 8.8

2шт.

25

120303A1

SPACER,11mm ID x 15.82mm OD x 15mm Thk

2шт.

26

892-11010

LOCK WASHER,M10

2шт.

27

829-1410

NUT,M10 x 1.5, Cl 10.9

2шт.

30

218-845

TEE,37 Degree, 3/4"-16 x 3/4"-16, Fem Sw Run

1шт.

31

192834A1

COUPLING

Diagnostic

1шт.

32

H434163

DUST CAP

1шт.

33

191704A1

HOSE PROTECTION,19mm ID x 25mm OD x 460mm L

Hose Guard, Hoses Running From Pump To Cylinder

2шт.

c

87632884

45 ELBOW

Includes 237-6016 O-Ring

1шт.

c

237-6016

O-RING,0.116" Thk x 1.171" ID, -916, Cl 6, 90 Duro

1шт.

d

87632884

45 ELBOW

Includes 237-6016 O-Ring

1шт.

d

237-6016

O-RING,0.116" Thk x 1.171" ID, -916, Cl 6, 90 Duro

1шт.

Выбрано товаров: 38