Запчасти Case 590SM (08-02D) - PUMP ASSY - VARIABLE VOLUME (08) - HYDRAULICS

Схема запчастей Case 590SM - (08-02D) - PUMP ASSY - VARIABLE VOLUME (08) - HYDRAULICS
45
9
16
28
30
2
38
26
20
44
11
59
46
7
17
32
23
35
6
57
51
45
49
24
27
3
4
36
33
10
43
8
39
15
25
34
58
5
60
18
46
56
52
47
1
55
31
42
22
37
53
50
14
40
54
19
13
29
41
21
FIT
1:1
100%

Артикул

Название

Примечание

Количество

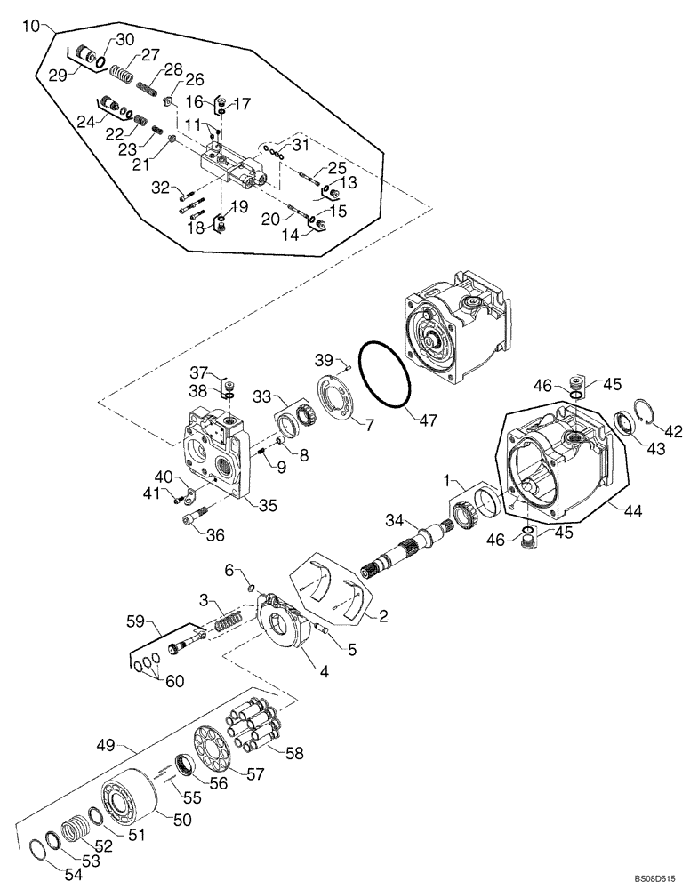
87711786

HYDRAULIC PUMP

Variable Volume, Incl. 1 - 60; No Longer Available, For Service Order 87735166

1шт.

2

87741940

BEARING SET

Kit, Swashplate Bearing

1шт.

3

87741999

SPRING

Spring, Bias

1шт.

4

87741941

SWASH PLATE

Swashplate Assy

1шт.

5

87741942

RETAINER

Retainer, Shaft

1шт.

6

87742256

SNAP RING

Retaining

1шт.

7

87741950

VALVE

Valve, Plate, RH

1шт.

8

87741951

CHECK VALVE

Check Valve Poppet

1шт.

9

87742258

SPRING

Spring

1шт.

10

87742260

CONTROL

Kit; Incl. 11 - 32; Used With 87711786 Pump

1шт.

10

84150462

CONTROL

Kit; Incl. 11 - 32; Used With 87735166 Pump

1шт.

11

NSS

NOT SOLD SEPARAT

Screw, Set

2шт.

12

NSS

NOT SOLD SEPARAT

Plug

1шт.

13

NSS

NOT SOLD SEPARAT

O-Ring

1шт.

14

NSS

NOT SOLD SEPARAT

Plug

1шт.

15

NSS

NOT SOLD SEPARAT

O-Ring

1шт.

16

NSS

NOT SOLD SEPARAT

Plug

1шт.

17

NSS

NOT SOLD SEPARAT

O-Ring

1шт.

18

NSS

NOT SOLD SEPARAT

Plug

1шт.

19

NSS

NOT SOLD SEPARAT

O-Ring

1шт.

20

NSS

NOT SOLD SEPARAT

Spool

1шт.

21

NSS

NOT SOLD SEPARAT

Spring Guide, LS

1шт.

22

NSS

NOT SOLD SEPARAT

Outer Spring, LS

1шт.

23

NSS

NOT SOLD SEPARAT

Inner Spring, LS

1шт.

24

NSS

NOT SOLD SEPARAT

Adjusting Plug, LS

1шт.

25

NSS

NOT SOLD SEPARAT

Control Spool

1шт.

26

NSS

NOT SOLD SEPARAT

Spring Guide, PC

1шт.

27

NSS

NOT SOLD SEPARAT

Outer Spring, PC

1шт.

28

NSS

NOT SOLD SEPARAT

Inner Spring, PC

1шт.

29

NSS

NOT SOLD SEPARAT

Adjusting Plug, PC

1шт.

30

NSS

NOT SOLD SEPARAT

O-Ring

1шт.

31

NSS

NOT SOLD SEPARAT

Seal Ring

4шт.

32

NSS

NOT SOLD SEPARAT

Screw

4шт.

33

87742271

BEARING SET

Kit, Rear Bearing

1шт.

34

87741938

SHAFT

Shaft, 15 Tooth Spline

1шт.

35

87741963

END

End Cap, Axial

1шт.

36

87742272

SCREW

Screw

4шт.

37

9625178

PLUG,9/16" - 18 ORB

1шт.

38

9617873

O-RING,0.078" Thk x 0.468" ID, -906, Cl 6, 90 Duro

1шт.

39

138-217

LOCK PIN,3/16" OD x 7/16" L, Slotted

1шт.

40

NSS

NOT SOLD SEPARAT

Bracket, Lifting

1шт.

41

NSS

NOT SOLD SEPARAT

Screw

1шт.

42

456736R1

SNAP RING,2.062", Int, #206

1шт.

43

87741969

SEAL

Lip Seal

1шт.

44

NSS

NOT SOLD SEPARAT

Housing

1шт.

45

86625138

PLUG,7/18" - 14

2шт.

46

167269

O-RING,0.097" Thk x 0.755" ID, -910, Cl 6, 90 Duro

1шт.

47

87741968

SEAL

End Cap

1шт.

49

87741971

SERVICE KIT

Cylinder Block; Incl. 50 - 58

1шт.

50

NSS

NOT SOLD SEPARAT

Cylinder Block

1шт.

51

NSS

NOT SOLD SEPARAT

Spring Seat

1шт.

52

NSS

NOT SOLD SEPARAT

Spring

1шт.

53

NSS

NOT SOLD SEPARAT

Spring Seat

1шт.

54

NSS

NOT SOLD SEPARAT

Retaining Ring

1шт.

55

291274A1

PIN

3шт.

56

NSS

NOT SOLD SEPARAT

Slipper Retainer Guide

1шт.

57

NSS

NOT SOLD SEPARAT

Slipper Retainer

1шт.

58

NSS

NOT SOLD SEPARAT

Piston Assy

9шт.

59

87741993

PISTON ASSY

Servo Piston Assy; Incl. 60

1шт.

60

NSS

NOT SOLD SEPARAT

Piston Ring

3шт.

87741995

SEAL KIT

Kit, Overhaul Seal, Frame J, Incl. 13, 15, 17, 19, 24, 30, 31, 38, 43, 46, 47, 60

1шт.

1

87741939

BEARING SET

Kit, Front Bearing

1шт.

87735166

HYDRAULIC PUMP,75 CC

Variable Volume, Incl. 1 - 60

1шт.

Выбрано товаров: 63