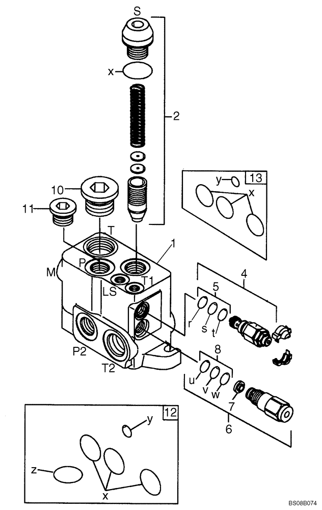
Запчасти Case 590SM (08-42) - 87750976 VALVE SECTION - INLET (WITH PILOT CONTROLS) (590SM+) (08) - HYDRAULICS

Схема запчастей Case 590SM - (08-42) - 87750976 VALVE SECTION - INLET (WITH PILOT CONTROLS) (590SM+) (08) - HYDRAULICS
8
4
6
12
10
7
2
5
13
11
x
1
FIT
1:1
100%

Артикул

Название

Примечание

Количество

87750976

HYD VALVE SECTION

Valve, Inlet Section; Incl. Ref 1 - 13

1шт.

1

NSS

NOT SOLD SEPARAT

Housing

1шт.

2

87572590

KIT

Relief Valve Regulator; Component Parts Not Serviced Separately; Replaces 87751238

1шт.

4

85811946

VALVE PRESSURE RELIE

LS Port; Incl. Ref 5

2шт.

5

85821236

SEAL KIT

LS Relief Valve; Includes (2) O-Rings, (1) Thrust Ring

1шт.

6

85820128

REGULATOR

Flow; Incl. Ref 7, 8

1шт.

7

85817669

FILTER

For Regulated Drain Flow

1шт.

8

85821235

SEAL KIT

Includes (2) O-Rings, (1) Thrust Ring

1шт.

10

85811922

PLUG,1'5/16-UNF 2A

1-5/16

1шт.

11

87447471

PLUG,1"-1/16 UNF

1шт.

12

85825477

SEAL KIT

Low Pressure Inlet Elements; Includes (5) O-Rings

1шт.

13

85825473

SEAL KIT

Between Elements; Includes (4) O-Rings

1шт.

Выбрано товаров: 12