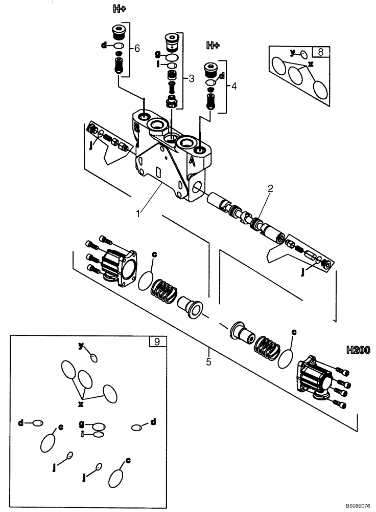
Запчасти Case 590SM (08-44) - 87751020 VALVE SECTION - BACKHOE BOOM (WITH PILOT CONTROLS) (590SM+) (08) - HYDRAULICS

Схема запчастей Case 590SM - (08-44) - 87751020 VALVE SECTION - BACKHOE BOOM (WITH PILOT CONTROLS) (590SM+) (08) - HYDRAULICS
8
4
1
6
9
3
2
5
FIT
1:1
100%

Артикул

Название

Примечание

Количество

87751020

HYD VALVE SECTION

Boom; Incl. Ref 1 - 9

1шт.

1

NSS

NOT SOLD SEPARAT

HOUSING

1шт.

2

NSS

NOT SOLD SEPARAT

SPOOL

1шт.

3

87718999

DAMPING VALVE

Pressure Compensator; Component Parts Not Serviced Separately

1шт.

4

87752939

VALVE PRESSURE RELIE

Pilot Operated; Component Parts Not Serviced Separately

2шт.

5

85826344

KIT,Operation

End Cap; Component Parts Not Serviced Separately

1шт.

6

87718998

VALVE PRESSURE RELIE

Component Parts Not Serviced Separately

1шт.

8

85825473

SEAL KIT

Includes (4) O-Rings; Component Parts Not Serviced Separately

2шт.

9

87617657

O-RING KIT

Includes (12) O-Rings; Component Parts Not Serviced Separately

1шт.

Выбрано товаров: 0