Запчасти Case 590SM (08-44A) - 84157595 VALVE SECTION - BACKHOE BOOM (WITH PILOT CONTROLS) (590SM+) (08) - HYDRAULICS

Схема запчастей Case 590SM - (08-44A) - 84157595 VALVE SECTION - BACKHOE BOOM (WITH PILOT CONTROLS) (590SM+) (08) - HYDRAULICS
1
5
4
8
2
6
9
3
FIT
1:1
100%

Артикул

Название

Примечание

Количество

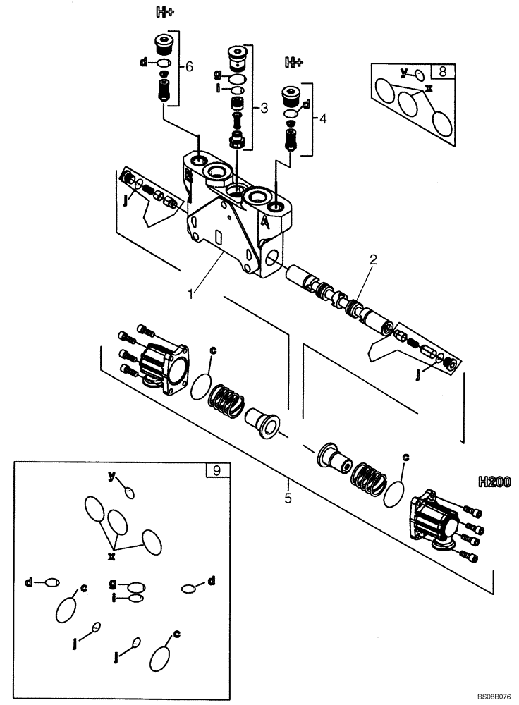
84157595

HYD VALVE SECTION

Boom; Incl. Ref 1 - 9

1шт.

1

NSS

NOT SOLD SEPARAT

HOUSING

1шт.

2

84416666

SERVICE KIT

Boom Spool

1шт.

3

84157590

COMPENSATOR

Pressure; Component Parts Not Serviced Separately

1шт.

4

87752939

VALVE PRESSURE RELIE

Pilot Operated; Component Parts Not Serviced Separately

2шт.

5

85826344

KIT,Operation

End Cap; Component Parts Not Serviced Separately

1шт.

6

87718998

VALVE PRESSURE RELIE

Component Parts Not Serviced Separately

1шт.

8

85825473

SEAL KIT

Includes (4) O-Rings; Component Parts Not Serviced Separately

2шт.

9

87617657

O-RING KIT

Includes (12) O-Rings; Component Parts Not Serviced Separately

1шт.

Выбрано товаров: 9