Запчасти Case 590SM (08-46A) - 84157593 VALVE SECTION - BACKHOE DIPPER (WITH PILOT CONTROLS) (590SM+) (08) - HYDRAULICS

Схема запчастей Case 590SM - (08-46A) - 84157593 VALVE SECTION - BACKHOE DIPPER (WITH PILOT CONTROLS) (590SM+) (08) - HYDRAULICS
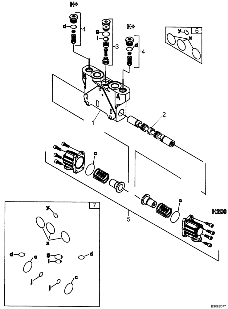
2
4
3
6
5
7
4
1
FIT
1:1
100%

Артикул

Название

Примечание

Количество

84157593

HYD VALVE SECTION

Dipper; Incl. Ref 1 - 7

1шт.

1

NSS

NOT SOLD SEPARAT

HOUSING

1шт.

2

NSS

NOT SOLD SEPARAT

SPOOL

1шт.

3

84157590

COMPENSATOR

Component Parts Not Serviced Separately

1шт.

4

87719000

VALVE PRESSURE RELIE,240Bar, 3480Psi

Component Parts Not Serviced Separately

2шт.

5

85826344

KIT,Operation

End Cap; Component Parts Not Serviced Separately

1шт.

6

85825473

SEAL KIT

Includes (4) O-Rings; Component Parts Not Serviced Separately

1шт.

7

87617657

O-RING KIT

Includes (12) O-Rings; Component Parts Not Serviced Separately

1шт.

Выбрано товаров: 8