Запчасти Case 590SM (08-49) - VALVE SECTION - OPTIONS, AUXILIARY HYDRAULICS (WITH PILOT CONTROLS) (590SM+) (08) - HYDRAULICS

Схема запчастей Case 590SM - (08-49) - VALVE SECTION - OPTIONS, AUXILIARY HYDRAULICS (WITH PILOT CONTROLS) (590SM+) (08) - HYDRAULICS
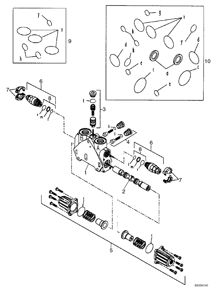
6
7
6
3
4
7
8
5
9
10
8
1
2
FIT
1:1
100%

Артикул

Название

Примечание

Количество

85826342

HYD VALVE SECTION

Options, Auxiliary Hydraulics; Incl. Ref 1 - 10

1шт.

1

NSS

NOT SOLD SEPARAT

HOUSING

1шт.

2

NSS

NOT SOLD SEPARAT

SPOOL

1шт.

3

85819378

KIT

Pressure Compensator; Component Parts Not Serviced Separately

1шт.

4

85811938

KIT,Check Valve

Component Parts Not Serviced Separately

2шт.

5

85826344

KIT,Operation

End Cap; Component Parts Not Serviced Separately

1шт.

6

85812115

VALVE PRESSURE RELIE

Some Component Parts Not Serviced Separately; Serviceable Includes 85811933, Ref 8 Kit

2шт.

7

85811934

COVER,Half, Orange

2шт.

7

85811935

COVER,Half, Blue

2шт.

8

85811933

SEAL KIT,Secondary Valve

Includes (2) O-Rings, (1) Thrust Ring; Component Parts Not Serviced Separately

2шт.

9

85819148

SEAL KIT,Between Control Valve Sections

Includes (6) O-Rings; Component Parts Not Serviced Separately

1шт.

10

85824281

SEAL KIT,Control Valve Section, Complete

Includes (13) O-Rings, (2) LIp Seals; Component Parts Not Serviced Separately

1шт.

Выбрано товаров: 0