Запчасти Case 590SM (03-02) - THROTTLE, HAND - THROTTLE, FOOT (03) - FUEL SYSTEM

Схема запчастей Case 590SM - (03-02) - THROTTLE, HAND - THROTTLE, FOOT (03) - FUEL SYSTEM
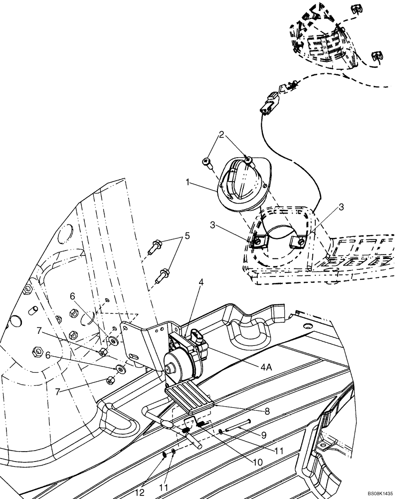
4a
11
11
12
10
9
8
5
2
3
4
1
3
FIT
1:1
100%

Артикул

Название

Примечание

Количество

1

87528964

THROTTLE CONTROL

Hand

1шт.

2

87675764

SELF-TAP SCREW,Pan Head, M10 x 19.1mm

2шт.

3

87565604

NUT,0.250" ID

2шт.

4

87555675

THROTTLE CONTROL

Electronic Accelerator Pedal. Foot Control; Incl. 4A

1шт.

4a

87497572

SERVICE KIT

Throttle Sensor

1шт.

5

844-8025

BOLT,Hvy Hex, M8 x 25mm, Cl 8.8

2шт.

6

896-15008

WASHER,9mm ID x 21mm OD x 2.5mm Thk

2шт.

7

832-10408

NUT,M8 x 1.25, Cl 8.8

2шт.

8

282242A1

PEDAL

Foot Throttle

1шт.

9

322860A1

PIN,7.9mm OD x 55.6mm L

1шт.

10

256776A1

SPRING

Foot Throttle Pad

1шт.

11

895-11005

WASHER,5.5mm ID x 10mm OD x 1mm Thk

2шт.

12

103-1518

SNAP RING,#18, Ext

1шт.

Выбрано товаров: 13