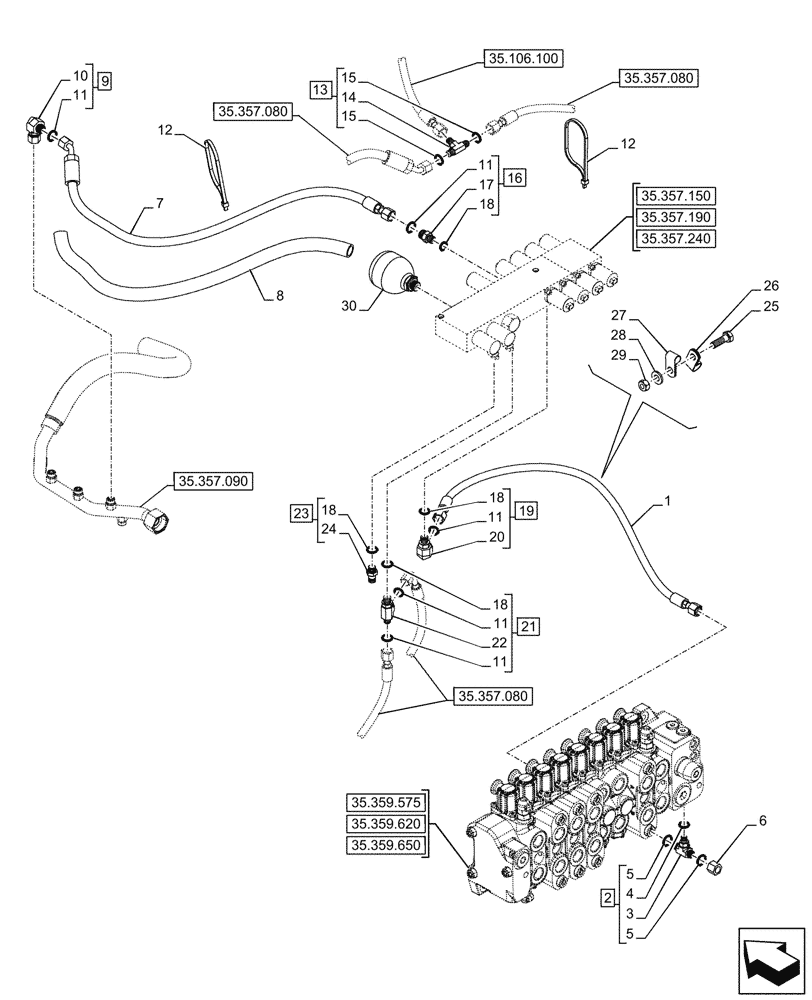
Запчасти Case 580SN (35.357.100) - VAR - 423078 - BACKHOE ARM, PILOT CONTROLS, LINE (35) - HYDRAULIC SYSTEMS

Схема запчастей Case 580SN - (35.357.100) - VAR - 423078 - BACKHOE ARM, PILOT CONTROLS, LINE (35) - HYDRAULIC SYSTEMS
35.357.150
25
8
19
27
11
23
5
12
2
15
12
15
10
7
26
11
9
11
24
18
22
16
29
18
14
4
5
18
3
17
13
30
11
20
18
11
21
1
6
28
35.357.080
35.357.080
35.357.080
35.357.190
35.359.575
35.357.090
35.357.240
35.359.620
35.106.100
35.359.650
FIT
1:1
100%

Артикул

Название

Примечание

Количество

1

84405440

HYDRAULIC HOSE,6.3mm ID x 742mm L

Reducing Valve Pressure to B

1шт.

2

201-401

TEE,11/16"-16 x 9/16"-18 Br, ORFS

ASSY, Incl 3 - 5, Incl 3 - 5

1шт.

3

NSS

NOT SOLD SEPARAT

Tee, Incl in 2, Incl in 2

1шт.

4

238-6012

O-RING,0.07" Thk x 0.364" ID, -12, Cl 6, 90 Duro

1шт.

5

238-6011

O-RING,0.07" Thk x 0.301" ID, -11, Cl 6, 90 Duro

2шт.

6

87331950

CAP ASSY.,Hex, 11/16"-16

1шт.

7

84514724

HOSE ASSY.,10mm ID x 870mm L

Return to Manifold

1шт.

8

84249061

HOSE PROTECTION,19mm ID x 820mm L

1шт.

9

84989392

ELBOW,90 Degree, 11/16"-16 ORFS x 11/16"-16 Fem Sw

ASSY, Incl 10, 11, Incl 10, 11 (Qty 1)

1шт.

10

NSS

NOT SOLD SEPARAT

90° Elbow, Incl in 9, Incl in 9

1шт.

11

9993141

O-RING,0.07" Thk x 0.364" ID, -12, Cl 6, 90 Duro

5шт.

12

L18331

CABLE TIE,375.9mm L, Nylon, Black

2шт.

13

218-593

TEE,9/16"-18, 37 Degree

ASSY, Incl 14, 15, Incl 14, 15

1шт.

14

NSS

NOT SOLD SEPARAT

Tee, Incl in 13, Incl in 13

1шт.

15

237-6006

O-RING,0.078" Thk x 0.468" ID, -906, Cl 6, 90 Duro

2шт.

16

9993143

HYD CONNECTOR,11/16" - 16 ORFS x 9/16" - 18 ORB

ASSY, Incl 11, 17, 18, Incl 11 (Qty 1), 17, 18 (Qty 1)

1шт.

17

NSS

NOT SOLD SEPARAT

Connector, Incl in 16, Incl in 16

1шт.

18

9617873

O-RING,0.078" Thk x 0.468" ID, -906, Cl 6, 90 Duro

4шт.

19

9840543

90 ELBOW,90 Degree, 11/16"-16 x 9/16"-18 Adj, ORFS

ASSY, Incl 11, 18, 20, Incl 11 (Qty 1), 18 (Qty 1), 20

1шт.

20

NSS

NOT SOLD SEPARAT

90° Elbow, Incl in 19, Incl in 19

1шт.

21

218-5243

TEE,9/16" - 18 Male JIC x 9/16" - 18 Male JIC x 9/16" - 18 Male ORB

ASSY, Incl 11, 18, 22, Incl 11 (Qty 2), 18 (Qty 1), 22

1шт.

22

NSS

NOT SOLD SEPARAT

Tee, Incl in 21, Incl in 21

1шт.

23

86596853

QUICK MALE COUPLING,9/16"-18

ASSY, Incl 18, 24, Incl 18 (Qty 1), 24

1шт.

24

NSS

NOT SOLD SEPARAT

Male Quick Coupler, Incl in 23, Incl in 23

1шт.

25

43127

BOLT,Hex, M8 x 1.25 x 25mm, Cl 8.8

1шт.

26

515-22127

CLAMP,1/2", Insul, 5/16" Bolt

1шт.

27

515-2295

CLAMP,3/8", Insul, 5/16" Bolt

1шт.

28

87655042

SPECIAL WASHER,8.8mm ID x 17.5mm OD x 2.2mm Thk

1шт.

29

829-1408

NUT,Hex, M8 x 1.25, Cl 10.9

1шт.

30

87425225

ACCUMULATOR,0.16L

Pre Charge Pressure 7 Bar

1шт.

Выбрано товаров: 30