Запчасти Case 580SN (35.359.155) - LOADER, BACKHOE, CONTROL VALVE, LINE (35) - HYDRAULIC SYSTEMS

Схема запчастей Case 580SN - (35.359.155) - LOADER, BACKHOE, CONTROL VALVE, LINE (35) - HYDRAULIC SYSTEMS
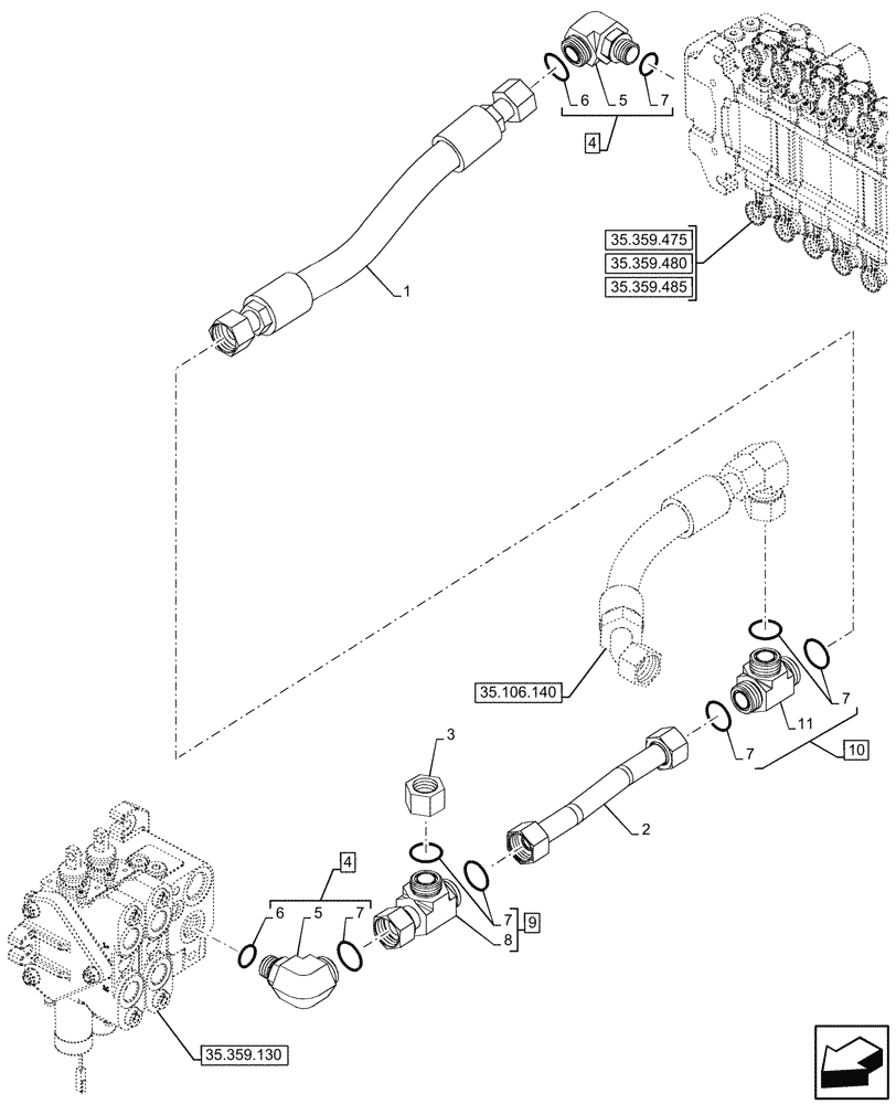
35.359.130
2
6
7
5
4
9
10
4
7
6
11
7
1
7
8
7
3
5
35.106.140
35.359.485
35.359.475
35.359.480
FIT
1:1
100%

Артикул

Название

Примечание

Количество

1

84523970

HYDRAULIC HOSE,25.4mm ID x 538mm L, SAE 100R12

Pressure, Loader Valve to Backhoe Valve

1шт.

2

84523969

HYD TUBE

Pressure, Loader Valve to Backhoe Valve, 257mm

1шт.

3

9847690

CAP,1-7/16" - 12 ORFS

1шт.

4

9846956

90 ELBOW,90 Degree, 1-7/16"-12 x 1-1/16"-12, Adj, ORFS

ASSY, Incl 5, 6, 7 (Qty 2)

2шт.

5

NSS

NOT SOLD SEPARAT

90° Elbow, Incl in 4

2шт.

6

167266

O-RING,0.116" Thk x 0.924" ID, -912, Cl 6, 90 Duro

2шт.

7

9824050

O-RING,0.07" Thk x 0.926" ID, -21, Cl 6, 90 Duro

7шт.

8

NSS

NOT SOLD SEPARAT

Union Tee, Incl in 9

1шт.

9

86641295

TEE,1-7/16"-12 ORFS to Swivel

ASSY, Incl 7 (Qty 2), 8

1шт.

10

87016914

TEE,1 7/16"-12 ORFS

ASSY, Incl 7 (Qty 3), 11

1шт.

11

NSS

NOT SOLD SEPARAT

Union Tee, Incl in 10

1шт.

Выбрано товаров: 11